scalzomen Inserito: 2 ottobre 2025 Segnala Inserito: 2 ottobre 2025 (modificato) Buongiorno. Sottopongo un problema che ha un amico relativo ad un impianto integrato (riscaldamento + raffrescamento + acqua calda sanitaria) come da titolo, realizzato tramite pompa di calore AERMEC BHP060 dotata di serbatoio di accumulo per acqua calda. L'impianto è nuovo (appartamento di recente costruzione consegnato 3 mesi fa) ma presenta un problema ricorrente: dopo un breve periodo di funzionamento il sistema va in blocco con un errore che appare sul quadro di comando della macchina. Sono già intervenuti dei tecnici mandati dal costruttore dell'appartamento che non hanno però risolto il problema. L'errore ricorrente riguarda la resistenza ausiliaria 1 come da immagine allegata sotto (tralascerei l'errore COM, che si è generato per la prima volta il giorno di intervento dell'ultimo tecnico, probabilmente per scollegamento di qualcosa). Indagando nel manuale ho trovato che la macchina può montare due resistenze ausiliarie ma su questa non sono dovrebbero essere installate. E' possibile che l'errore sia dovuto perché non sono state disabilitate le resistenze nella centralina? Purtroppo il quado a bordo macchina non consente di entrare a tale livello ma solo di settare i parametri di funzionamento e vedere gli errori. Non so se c'è una procedura specifica, chiedo a voi se è mai capitato qualcosa di simile. Faccio presente che l'impianto non ha altre integrazioni con fonti di calore esterne e che la resistenza del boiler che potrebbe generare acqua calda sanitaria prioritaria non è attiva. Allego manuale + manuale di installazione della pompa e ringrazio tutti per la disponibilità. Link manuali Modificato: 2 ottobre 2025 da scalzomen
click0 Inserita: 2 ottobre 2025 Segnala Inserita: 2 ottobre 2025 C'è impostato il ciclo legionella? Tensione di funzionamento? È stato fatto avviamento da parte del CAT di zona?
scalzomen Inserita: 2 ottobre 2025 Autore Segnala Inserita: 2 ottobre 2025 Ciao, allora ciclo legionella spento, tensione di funzionamento 220V. Non so chi ha fatto l'avviamento, potrebbe pure essere la ditta che l'ha montata, mi informo se è importante
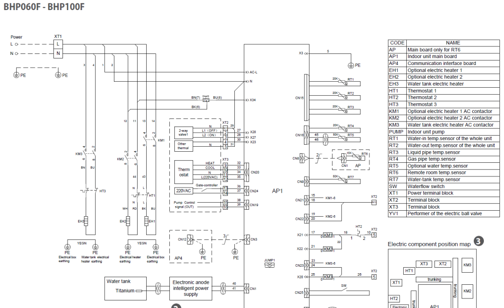
scalzomen Inserita: 3 ottobre 2025 Autore Segnala Inserita: 3 ottobre 2025 Per precisione il modello di macchina è BHP060F. Nel manuale di installazione (come da immagine sotto) i contatti per le resistenze ausiliarie sono EH1-EH2, mi chiedo: non è che vanno "chiusi" in qualche maniera particolare, ad esempio come nelle prese antenna si mette la resistenza di chiusura?
mrgianfranco Inserita: 3 ottobre 2025 Segnala Inserita: 3 ottobre 2025 Il 02/10/2025 alle 09:30 , scalzomen ha scritto: appartamento di recente costruzione consegnato 3 mesi fa Dovete chiamare chi l'ha installato...se poi chi l'ha installato non ci capisce nulla di quella macchina si dovrà rivolgere direttamente al CAT AERMEC...pasticciarci voi (sorvoliamo sulla resistenza di chiusura!) è la peggior cosa si possa fare!
scalzomen Inserita: 3 ottobre 2025 Autore Segnala Inserita: 3 ottobre 2025 1 ora fa, mrgianfranco ha scritto: Dovete chiamare chi l'ha installato...se poi chi l'ha installato non ci capisce nulla di quella macchina si dovrà rivolgere direttamente al CAT AERMEC...pasticciarci voi (sorvoliamo sulla resistenza di chiusura!) è la peggior cosa si possa fare! Premetto che non voglio pasticciare nulla, voglio solo capire, se possibile, da cosa si genera l'errore. In ogni caso ho avuto conferma adesso che il montaggio è stato eseguito da CAT di zona e i tecnici sino ad ora intervenuti sono AERMEC. La resistenza di chiusura era solo un esempio, è ovvio che li dove vuole la resistenza non ci potrebbe andare una resistenza di chiusura!! Intendevo dire se vanno lasciati scollegati o va preso qualche accorgimento particolare su di essi o sui contattori in maniera che la macchina non si aspetti di vedere la resistenza.
Alessio Menditto Inserita: 3 ottobre 2025 Segnala Inserita: 3 ottobre 2025 Il 02/10/2025 alle 09:30 , scalzomen ha scritto: ma su questa non sono dovrebbero essere installate. Ma a quanto hai impostato la temperatura della sanitaria? Perché senza resistenze oltre un tot non arriva.
scalzomen Inserita: 3 ottobre 2025 Autore Segnala Inserita: 3 ottobre 2025 3 ore fa, Alessio Menditto ha scritto: Ma a quanto hai impostato la temperatura della sanitaria? Perché senza resistenze oltre un tot non arriva. Temperatura ACS impostata a 45°. Aggiungo che in un intervento è stata sostituita anche la scheda elettronica della macchina e cambiato il cavo di collegamento con la pompa con uno schermato e dotato di ferriti a monte e a valle.
Alessio Menditto Inserita: 3 ottobre 2025 Segnala Inserita: 3 ottobre 2025 45? Mi sembra poco anche con l’accumulo…a volte quelle centraline se ricevono comandi bizzarri, e per me 45 gradi un po’ lo è, vanno in confusione, hai provato a impostare una temperatura più alta? Tipo 60 gradi? Prova e vedi se cambia qualcosa.
scalzomen Inserita: 4 ottobre 2025 Autore Segnala Inserita: 4 ottobre 2025 13 ore fa, Alessio Menditto ha scritto: 45? Mi sembra poco anche con l’accumulo…a volte quelle centraline se ricevono comandi bizzarri, e per me 45 gradi un po’ lo è, vanno in confusione, hai provato a impostare una temperatura più alta? Tipo 60 gradi? Prova e vedi se cambia qualcosa. proverò anche questa impostazione per fugare dubbi e ti chiedo...60° ce la farebbe senza resistenze quindi? intanto aggiungo una cosa: ieri c'è stato un altro intervento di tecnico AERMEC che ha fatto delle misure indicate dal centro assistenza nazionale AERMEC: intanto comunica che i contatti EH1 e EH2 sono jumperati, è corretto? poi rileva una ddp tra neutro e terra di 5-6V e l'assistenza dice che potrebbe essere quello il problema, per garantire il funzionamento della macchina non devono esserci più di 0.5V? Possibile? Che soluzione si può adottare per annullare tale differenza almeno per provare se è quello il problema? Un trasformatore di isolamento? Grazie per le risposte
Alessio Menditto Inserita: 4 ottobre 2025 Segnala Inserita: 4 ottobre 2025 19 minuti fa, scalzomen ha scritto: 60° ce la farebbe senza resistenze quindi? Non so se ci arriva, è solo per fare una prova.
click0 Inserita: 4 ottobre 2025 Segnala Inserita: 4 ottobre 2025 1 ora fa, scalzomen ha scritto: Possibile? Mezzo volt mi sembra poco Esistono comunque tensioni limite terra neutro che possono essere causa di stranezze sull'elettronica Comunque, se c'è di mezzo CAT l'unica è essere pazienti
scalzomen Inserita: 4 ottobre 2025 Autore Segnala Inserita: 4 ottobre 2025 1 ora fa, click0 ha scritto: Mezzo volt mi sembra poco Esistono comunque tensioni limite terra neutro che possono essere causa di stranezze sull'elettronica Comunque, se c'è di mezzo CAT l'unica è essere pazienti al momento siamo in questa condizione: il centro nazionale CAT ha detto al tecnico di annullare quella tensione. Il tecnico non sa come fare, quindi se qualcuno mi suggerisce una soluzione sarebbe utile per darla in input al tecnico. Grazie
click0 Inserita: 4 ottobre 2025 Segnala Inserita: 4 ottobre 2025 (modificato) serve un trasformatore per generare "localmente" il neutro ( te lo dovrebbe fare l'elettricista dell'impresa, ma, secondo me non c'entra ) parli di appartamento presumo quindi ci siano altri impianti uguali lo fa solo quello o lo fanno anche altri ?? Modificato: 4 ottobre 2025 da click0
scalzomen Inserita: 4 ottobre 2025 Autore Segnala Inserita: 4 ottobre 2025 6 ore fa, click0 ha scritto: serve un trasformatore per generare "localmente" il neutro ( te lo dovrebbe fare l'elettricista dell'impresa, ma, secondo me non c'entra ) parli di appartamento presumo quindi ci siano altri impianti uguali lo fa solo quello o lo fanno anche altri ?? gli altri appartamenti sono al momento non abitati quindi non abbiamo un feedback. sono trasformatori di neutro? non di isolamento?
click0 Inserita: 5 ottobre 2025 Segnala Inserita: 5 ottobre 2025 17 ore fa, scalzomen ha scritto: sono trasformatori di neutro? non di isolamento? non sono nemmeno trasformatori generatori di neutro che sono altra cosa ancora con trasformatore di isolamento, di solito, ci si riferisce a trasformatori che tolgono la connessione a terra nel tuo caso ti servono terra e neutro collegati assieme (0 volt certi di differenza di tensione)
scalzomen Inserita: 6 ottobre 2025 Autore Segnala Inserita: 6 ottobre 2025 io come trasformatore generatore di neutro trovo solo esempi trifase, potreste indicarmi per favore un esempio di macchina applicabile in questo caso? in alternativa si potrebbe creare qualcosa di circuitale?
Alessio Menditto Inserita: 6 ottobre 2025 Segnala Inserita: 6 ottobre 2025 Scusa Scalzomen, hai fatto la prova che ti ho detto di alzare la temperatura dell accumulo?
scalzomen Inserita: 6 ottobre 2025 Autore Segnala Inserita: 6 ottobre 2025 1 ora fa, Alessio Menditto ha scritto: Scusa Scalzomen, hai fatto la prova che ti ho detto di alzare la temperatura dell accumulo? Ciao Alessio, verrà fatta tra oggi e domani perché anche il mio amico non è ancora stabilmente residente li, dati i problemi ricorrenti su diverse questioni in questa casa. Appena ho news ti aggiorno su questa prova. Intanto volevo portarmi avanti per cercare una soluzione allo sbilanciamento terra-neutro che comunque sarebbe da fare per rispettare quanto detto dal CAT Aremec. Grazie
Alessio Menditto Inserita: 6 ottobre 2025 Segnala Inserita: 6 ottobre 2025 No certo fai bene, fammi sapere che sono curioso.
click0 Inserita: 6 ottobre 2025 Segnala Inserita: 6 ottobre 2025 3 ore fa, scalzomen ha scritto: in alternativa si potrebbe creare qualcosa di circuitale No, ti serve per forza un trasformatore da 3/4 kva
click0 Inserita: 6 ottobre 2025 Segnala Inserita: 6 ottobre 2025 Il 04/10/2025 alle 16:59 , scalzomen ha scritto: altri appartamenti sono al momento non abitati quindi non abbiamo un feedback. Non è per caso che ci sia ancora cantiere aperto e siete collegati elettricamente al cantiere?
scalzomen Inserita: 6 ottobre 2025 Autore Segnala Inserita: 6 ottobre 2025 51 minuti fa, click0 ha scritto: Non è per caso che ci sia ancora cantiere aperto e siete collegati elettricamente al cantiere? no no, gli appartamenti sono tutti finiti e venduti, non ancora stabilmente abitati 1 ora fa, click0 ha scritto: No, ti serve per forza un trasformatore da 3/4 kva una cosa del genere? Trasformatore di neutro
scalzomen Inserita: 7 ottobre 2025 Autore Segnala Inserita: 7 ottobre 2025 è possibile che il neutro sporco derivi da apparecchi collegati all'interno dell'appartamento, tipo piano induzione e simili? stavo pensando una cosa: prima di mettere un eventuale trasformatore di neutro che ha un costo non indifferente, avrebbe senso far lavorare la macchina con la terra scollegata per un po' di tempo per capire se non fa il difetto?
scalzomen Inserita: 24 ottobre 2025 Autore Segnala Inserita: 24 ottobre 2025 Buongiorno a tutti, volevo aggiornare la discussione che dopo ultimo intervento dei tecnici, durante il quale non è stato fatto nulla di sostanziale ed è stato controllato la giusta predisposizione del termostato ambiente rispetto alla sonda ambiente della macchina, pare che non si stiano più verificando interruzioni. Lasicata temperatura ACS ancora a 45°. Aggiornerò in futuro per ulteriori novità
Messaggi consigliati
Crea un account o accedi per commentare
Devi essere un utente per poter lasciare un commento
Crea un account
Registrati per un nuovo account nella nostra comunità. è facile!
Registra un nuovo accountAccedi
Hai già un account? Accedi qui.
Accedi ora