ichnos Inserito: 15 dicembre 2025 Segnala Inserito: 15 dicembre 2025 Lo schema fornito dalla ticino non è completo non capisco come collegare questo posto esterno con il Pivot in b/n
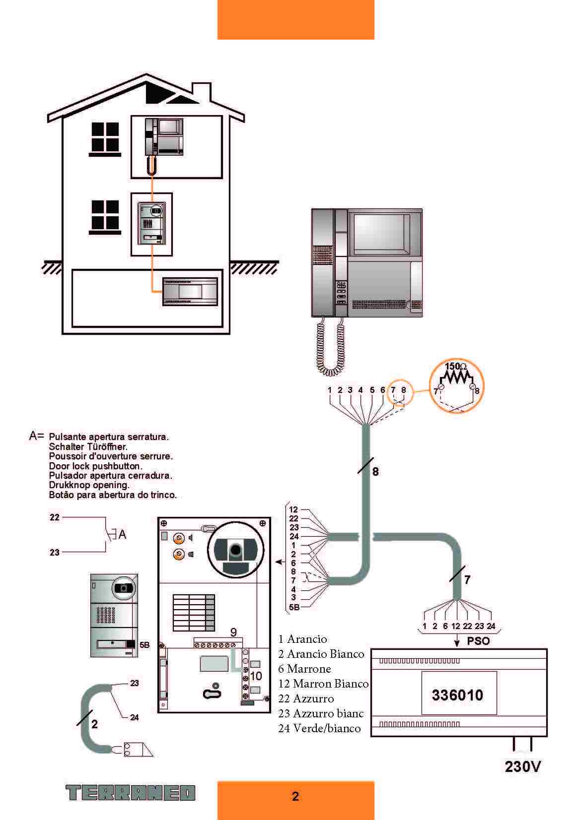
ichnos Inserita: 15 dicembre 2025 Autore Segnala Inserita: 15 dicembre 2025 2 minuti fa, ichnos ha scritto: Lo schema fornito dalla ticino non è completo non capisco come collegare questo posto esterno con il Pivot in b/n Questo invece è lo schema fornito
ROBY 73 Inserita: 15 dicembre 2025 Segnala Inserita: 15 dicembre 2025 Ciao ichnos, 2 ore fa, ichnos ha scritto: ..........Questo invece è lo schema fornito Ma e cosa ne dici prima di tutto di dirci anche gli articoli precisi degli apparecchi? Così, tanto per capire di cosa stiamo parlando, casomai posta delle foto fronte e retro reali degli apparecchi e non dei disegni presi dalla rete. --------------------------------------------------- E poi, magari, così, tanto per iniziare al meglio....... un buongiorno, buonasera, ciao, grazie, ecc..., non farebbero poi così schifo alla prima apparizione sul forum, cosa ne dici? 😊
ichnos Inserita: 16 dicembre 2025 Autore Segnala Inserita: 16 dicembre 2025 (modificato) Buongiorno Primo non è la prima volta che appaio sul forum essendo iscritto dal 2006 per la precisione, quello che ho postato non è preso dalla rete ma mi è stato mandato dalla BTicino. Il posto esterno non ha un codice , fa parte di un kit ART 362711 (Pivot video kit/Linea 1000 monofamiliare) appena posso posto la foto dei collegamenti del Posto esterno. 14 ore fa, ichnos ha scritto: Lo schema fornito dalla ticino non è completo non capisco come collegare questo posto esterno con il Pivot in b/n Modificato: 16 dicembre 2025 da ichnos
ichnos Inserita: 16 dicembre 2025 Autore Segnala Inserita: 16 dicembre 2025 20 minuti fa, ichnos ha scritto: Buongiorno Primo non è la prima volta che appaio sul forum essendo iscritto dal 2006 per la precisione, quello che ho postato non è preso dalla rete ma mi è stato mandato dalla BTicino. Il posto esterno non ha un codice , fa parte di un kit ART 362711 (Pivot video kit/Linea 1000 monofamiliare) appena posso posto la foto dei collegamenti del Posto esterno. Questo è lo schema fornito dalla BTicino 22 minuti fa, ichnos ha scritto: Buongiorno Primo non è la prima volta che appaio sul forum essendo iscritto dal 2006 per la precisione, quello che ho postato non è preso dalla rete ma mi è stato mandato dalla BTicino. Il posto esterno non ha un codice , fa parte di un kit ART 362711 (Pivot video kit/Linea 1000 monofamiliare) appena posso posto la foto dei collegamenti del Posto esterno. Questo è lo schema fornito dalla BTicino
ichnos Inserita: 16 dicembre 2025 Autore Segnala Inserita: 16 dicembre 2025 4 ore fa, ichnos ha scritto: Buongiorno Primo non è la prima volta che appaio sul forum essendo iscritto dal 2006 per la precisione, quello che ho postato non è preso dalla rete ma mi è stato mandato dalla BTicino. Il posto esterno non ha un codice , fa parte di un kit ART 362711 (Pivot video kit/Linea 1000 monofamiliare) appena posso posto la foto dei collegamenti del Posto esterno. Questo è lo schema fornito dalla BTicino Grazie ho risolto, nel sconfezionare il kit in questione, il proprietario ha inavertitamente staccato l'etichetta con i numeri che fortunatamente è stata ritrovata all'interno della scatola dove stava il porter.
Messaggi consigliati