Tutte le attività
- Nell'ultima ora
-
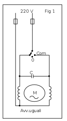
Cancello a due ante con scheda Fadini Elpro9, un'anta si apre/chiude lentamente
simuffa ha risposto a jacoscar alla discussione in Cancelli elettrici
Stavo scrivendo la stessa cosa di @Livio Orsini Di solito è la causa più comune ed è anche la più semplice da verificare, potrebbero esserci altri problemi della meccanica ma sono prove che faremo dopo aver escluso questa che porta via 5 minuti, se non vuoi scambiare i motori puoi semplicemente provarli esternamente con una prolunga volante e un condensatore nuovo 😂 -
Livio Orsini ha iniziato a seguire panasonic mod.tx-32js350e e Cancello a due ante con scheda Fadini Elpro9, un'anta si apre/chiude lentamente
-
Cancello a due ante con scheda Fadini Elpro9, un'anta si apre/chiude lentamente
Livio Orsini ha risposto a jacoscar alla discussione in Cancelli elettrici
Non tanto per la diminuzione della capacità ma, potrebbe esserci stato un aumento della ESR dei condensatori; l'aumento deella ESR causa un aumento delle perdite. Comunque sostituire il condensatore con ha un costo relativamente modesto ed è meglio farlo, specialmente se si tratta di componenti con qualche anno di anzianità di lavoro. -
Cancello a due ante con scheda Fadini Elpro9, un'anta si apre/chiude lentamente
jacoscar ha risposto a jacoscar alla discussione in Cancelli elettrici
non sono un esperto, ma mi sembra strano che un condensatore con l’88% della capacità nominale possa causare problemi -
Lavatrice nuova Miele o Asko
Thomas24 ha risposto a Serena1977 alla discussione in Lavatrici - Asciugabiancheria
Direi che con 3000 euro di budget puoi farti serenamente una Miele con vasca in acciaio e la sua compagna asciugatrice Su asko non ho esperienze di prima mano quindi non mi sento di consigliare o sconsigliare nulla, per Miele io con la W1 che ho da quasi 5 anni mi trovo da dio e ti posso dire che lava meglio rispetto alla miele di mia mamma che ha già 17 anni (e con cui già ci trovavamo bene) Punterei sicuramente a una lavatrice di fascia piu alta abbinandola a una asciugatrice piu basica. Per queste ultime non ci sono differenze sostanziali, a parte il numero di programmi, ma io uso sempre i soliti due o 3 quindi davvero non cambia nulla ti do un qualche opzione: lavatrice: WEE395 (1399euro) o WEI885 (1619euro, questa ha anche il twindos che puoi anche non usare) asciugatrice: TEA535WP (899, con oblò in plastica), TEC645WP (999, stessi programmi della precedente ma con oblò in vetro, altrimenti TED655WP (1199, ha l'opzione DRYCARE40 che consente di asciugare di tutto a temperatura massima di 40 gradi, la trovo utile!) - Oggi
-
I radiatori li pulisco spesso con il compressore sono puliti,per le pressioni non so che dirti,grazie per l'aiuto
-
salve a tutti ,ho un tv panasonic mod- tx-32js530e con alimentatore 17ips62p cod.23691125 con l'integrato che pilota il mosfet dello switching carbonizzato e non si legge la sigla avrei bisogno dello schema o se qualcuno sa' che integrato e'- grazie
-
Problema dual split bosh - accendo uno e si scalda/raffredda anche la batteria dell'altro
click0 ha risposto a 123benny alla discussione in Guasti/Problemi Climatizzazione
Avresti 1/2 "condensatore" "morto"con molto liquido in eccesso su quello attivo Nessuna casa madre ti" autorizza" a fare sostituzioni... -
Cancello a due ante con scheda Fadini Elpro9, un'anta si apre/chiude lentamente
simuffa ha risposto a jacoscar alla discussione in Cancelli elettrici
Scusa non avevo letto.. No, più tardi ti carico la foto. Scambi semplicemente i due fili se va al contrario, prova a partire da cancello mezzo aperto. -
box ha aderito alla comunità
-
Cancello a due ante con scheda Fadini Elpro9, un'anta si apre/chiude lentamente
simuffa ha risposto a jacoscar alla discussione in Cancelli elettrici
Sono entrambi fuori tolleranza più del 5%. Prova a spostare su M1 il motore M2 e guarda se torna a velocità giusta, se è così è il condensatore per forza. -
PAOLOTRI67 ha aderito alla comunità
-
Hai sbagliato forum e sezione. Qui si trattano i problemi dei PLC che nulla hanno a che vedere con le TV. Se vuoi apri una discussione nel forumTV, sezione Panasonic.
-
madaniela ha iniziato a seguire panasonic mod.tx-32js350e
-
salve a tutti ho un tv panasonic mod. tx-32js350e con alimentatore 17ips62p codice 23691125 cerco lo schema perche' il c.i. che pilota il mosfet e' carbonizzato e non si legge la sigla, grazie
-
Buongiorno, scusate ma riprendo un attimo la discussione visto che sempre di "lui" si parla. Il potenziometro del fuoco ha iniziato a scaricare pesantemente. Non si trovano ricambi in giro ovviamente, se non aspettado di trovare un TV di recupero sempre con telaio K40. 1. Qualcuno ha a disposizione un potenziometro del fuoco per Philips K40? 2. C'è modo conoscendo i valori di partenza di quello che ho di autocostruirsene uno? Grazie 🙏
-
Consiglio modello/marca caldaia condensazione
reka ha risposto a angierada alla discussione in Impianti Riscaldamento
però senza locale tecnico è impegnativo mettere caldaia e bollitore separati. io ho una sime dal 2006 e ne sono sono contento, ho avuto solo due problemi, il primo causato da una non accurata manutenzione da parte del primo manutentore che veniva, poi purtroppo un guasto alla scheda (non so però dire se causato da fattori esterni o meno). la mia è solo riscaldamento e il manutentore che la segue ora viene solo ogni due anni, quindi alla fine anche con un guasto alla scheda credo di aver speso molto meno di altri. -
Alessio Menditto ha iniziato a seguire Motori frigo bar
-
Motori frigo bar
Alessio Menditto ha risposto a pavona61 alla discussione in Guasti/Problemi Refrigerazione
È già qui cominciamo male, servono le pressioni di alta e di bassa. Intanto accertati che il condensatore in foto, il radiatore che si vede, sia PERFETTAMENTE PULITO, libero da polvere, usa la luce di un telefonino per vedere se si vede ATTRAVERSO le alette. -
Consiglio modello/marca caldaia condensazione
giorgio17 ha risposto a angierada alla discussione in Impianti Riscaldamento
Io consiglio sempre acqua calda sanitaria a parte e caldaia solo riscaldamento.Se installi caldaia istantanea sotto i 30 kW ( dipende dove abiti) potresti avere problemi con acqua calda sanitaria.Dopo ognuno ha le sue idee,ma sono prove fatte sul campo. Mai consigliato caldaie sapendo come sono fatte. -
Livio Orsini ha iniziato a seguire Circuito per fare suonare buzzer per pochi secondi
-
Circuito per fare suonare buzzer per pochi secondi
Livio Orsini ha risposto a del_user_204567 alla discussione in Elettronica generica
Le immagini se sono state cancellate non sono più recuperabili. la discussione è inattiva da oltre 5 anni. Se vuoi puoi provare ad aprire una tua discussione spiegando il problema che vuoi risolvere. -
Salve,ho un problema con due motori dei frigo Bar Questo motore è per un banco frigo a due sportelli,in inverno fredda bene,come scalda l'aria non scende sotto i + 12, secondo il tecnico è il radiatore di raffreddamento piccolo il motore è all'esterno a circa 10mt di sistanza dal frigo Questo motore è della vetrine gastronomia,anche questo in inverno va bene, la temperatura è tra 4-6 gradi, con il caldo arriva 13-14 gradi,il tecnico dice che la quantità del gas và bene e che potrebbe essere il motore,il motore lo vorrei acquistare io e poi farlo installare dal tecnico,mi date gentilmente un consiglio sulle caratteristiche che deve avere visto che non ci sono targhette sul motore? Anche questo motore è a circa 10mt di distanza dalla vetrina grazie per l'aiuto,saluti
-
Saldatrice Deca Mos 115 E
Livio Orsini ha risposto a babuccio alla discussione in Elettronica generica
Compra un alimentatore per 12V e con questo alimenti i servizi. -
Ciao a tutti, è montato su un camper un pannello fotovoltaico (116x67) i cui dati di targa sono mancanti o comunque non più leggibili. Per poterli rilevare ai fini di stabilire un collegamento con altro pannello (serie o parallelo da vedere) avrei pensato di procedere nel seguente modo, ma vorrei una conferma da chi è più esperto: amperometro in serie tra pannello e regolatore e rilevo la corrente; voltmetro ai capi del pannello : qui non saprei se a vuoto o ai capi del regolatore, e rilevo la tensione. La procedura è corretta ? Il mio dubbio, rimane se le misurazioni sono da fare con pannello in ombra, in pieno sole o quando ? Credo che a seconda della luce che cade sul pannello rileverei, penso, dati diversi......
-
sostituzione citofono Urmet 730/1 con Urmet 1130/16
Brandogol ha inserito una discussione in Citofoni, videocitofoni e intercomunicanti
Buongiorno, vorrei sostituire un vecchio citofono Urmet 730/1 con un Urmet 1130/16. In allegato la foto del citofono da sostituire. Mi aiutate gentilmente con i collegamenti su nuovo citofono? grazie -
Buongiorno poiche' nessuno aveva risposto per risolvere il mio problema significa che nessuno sapeva come risolverlo ,quindi mi sento in obbligo ,verso quelli che mi hanno aiutato in precedenza ,di dire come l' ho risolto io ,pagina trovata sul web,grazie e Buongiorno
-
Circuito per fare suonare buzzer per pochi secondi
Simpra ha risposto a del_user_204567 alla discussione in Elettronica generica
Buongiorno, devo realizzare questo circuito, non lo vedo, potreste cortesemente ripostarlo? Grazie -
Lavatrice candy fa rumore quando centifruga
casa74 ha risposto a casa74 alla discussione in Lavatrici - Asciugabiancheria
Ciao a tutti ho notato con attenzione quando gira il cestello della lavatrice, si sente un rumore di qualcosa che strofina. Il rumore si sente di più alla fine della centrifuga. Mi viene il dubbio che dipende dalla cinghia usurata. Per Stefano tu hai consigliato di controllare gli ammortizzatori, la lavatrice non si sposta quando fa la centifruga. Grazie per i chiarimenti -
Saluti,ecco le conclusioni. Sono riuscito ad identificare tutti i componenti danneggiati che ho sostituito ,purtroppo per il piccolo trasformatore switcing che genera la 12 V che alimenta anche la ventola non sono riuscito a trovarlo. È un trasformatore siglato E16 130 kHz 10W ,siglato dalla Deca. Non sto a dire il costo che mi è stato richiesto , è improponibile. È vero che i centri specializzati devono tutelarsi,ma in questo caso si rasenta il ridicolo. A questo punto non vedo via di uscita. Qualche suggerimento è gradito. Grazie.
-
Anto.lello ha aderito alla comunità
-
Problema cancello Came Scheda Za2
Enzo otta ha risposto a Enzo otta alla discussione in Cancelli elettrici
Si però chiedevi Come pulirla.. Se andavano bene questi prodotti che ho e come usarli
