Tutte le attività
- Nell'ultima ora
-
salvare contenuto di un DB del plc sulla SD del pannello
drn5 ha inserito una discussione in S7-1200
Ciao a tutti, in passato mi sono costruito degli script che utilizzo nei pannelli per salvare nella SD dei pannelli comfort dati di set operatore contenuti in un DB del plc. Attraverso una Ricetta nella quale elenco i vari bool, word, real... creo dei file che posso poi riutilizzare per fare dei restore nel caso il plc "perda" o l'operatore scriva dati di set errati... Il backup/restore sono funzionalità che metto a pannello a disposizione dell'operatore. Funziona tutto bene, l'unico inconveniente è quando mi dimentico nelle eventuali modifiche della macchina di aggiornare la Ricetta (con nuovi tag del DB o elimini tag dal DB di setup del plc) e quindi il pannello non salva tutti i dati contenuti nel DB. La domanda è : esiste un sistema/funzione per salvare/leggere sulla/dalla SD del pannello in "modo trasparente in un colpo solo" l'intero contenuto di un DB del plc ? Grazie delle risposte... -
Caldaia Vaillant wcw 242 EH mancata accensione senza scintilla
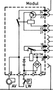
simuffa ha risposto a cislenco alla discussione in Guasti/Problemi Riscaldamento
Guardando lo schema a pagina 30 si vede la scheda ventilatore: visto che hai gli strumenti, devi controllare che ci sia continuità sui contatti 16-17 quando il ventilatore è in funzione e il pressostato scattato. Dovresti sentire/vedere anche il relè che scatta insieme al pressostato. Se il contatto è chiuso, la scheda funziona. -
Valutazione impianto aria (VMC)
Mister_X_ ha risposto a Mister_X_ alla discussione in Impianti Riscaldamento
Avendo già canalizzazioni esistenti, andando solo a sostituire la macchina ed aggiungendo i termostati, secondo te è fattibile apportare le modifiche per gestire le singole temperature/ricircolo d'aria? -
Caldaia Vaillant wcw 242 EH mancata accensione senza scintilla
adrobe ha risposto a cislenco alla discussione in Guasti/Problemi Riscaldamento
a mio avviso quasi certamente altri soldi buttati -
enitor ha aderito alla comunità
-
Tecnoblock vcw 180 xe - ACS attacca e stacca in continuazione
adrobe ha risposto a mick64 alla discussione in Guasti/Problemi Riscaldamento
Guarda, qui non parliamo più della caldaia ma del circuito idraulico di casa che non ho la minima idea nè voglia di sapere come sia fatto. Ti ho dato solo delle dritte di massima per verificare se ci sta ostruzione oppure no. Dovresti chiamare un idraulico ed esporgli la soluzione che ti ho suggerito, sta a lui vedere se è fattibile a casa tua o quale altra diavoleria inventarsi per appurare facilmente se il circuito acs sia ostruito. Siamo O.T. -
Valutazione impianto aria (VMC)
Marco Fornaciari ha risposto a Mister_X_ alla discussione in Impianti Riscaldamento
Solo per averlo avuto in un ufficio in affitto nel secolo scorso: e lì andava bene, anche se la caldaia era centrale, il condizionatore inesistentea al momento della costruzione negli anni '70, ma aggirato da me con altro sistema ad acqua fredda, pur sfruttando le canalizzazioni. Poi volevo farlo nell'attuale appartameno, visto che si fa con semplicità edilizia, ma dopo valutazioni assieme al progettista ** è convuto installare due pompe di calore indipendenti: - una con due split per le camere - una con uno split a terra (rende il 20% in più) per il soggiorno. Poi bagni e cucina con scaldiglie elettriche. Poi il FV in condominio non ha senso: alla fine hai solo 2,8 kW di picco (valore ouramente utopistico con tetti orientati est/ovest da suddividere tra i condomini), a conti fatti in dieci anni, a i costi del 2020) avrei avuto un risparmio di max 2000 € con un costo di aggiornamento impianto di almeno 8000 €, sorvolando su eventuali guasti nei 10 anni. In ogni caso batterie al litio in garage non se me parla neanche, altri condomini hanno il FV, dato che era gratis con il 110%, ma ho già annunciato che se si verifica un incendio a causa delle batterie avranno grane (anche da parte mia) dato che i VVFF subito dichiarano inagibile tutto il fabbricato. ** Il collo di bottiglia è avere una sola macchina con un solo split (che poi lì ha un nome diverso). Sorvolando che avrei dovuto fare costruire le porte appositamente per garantire il ricircolo dell'aria, con conseguente bocciatura di mia moglie. -
Tecnoblock vcw 180 xe - ACS attacca e stacca in continuazione
mick64 ha risposto a mick64 alla discussione in Guasti/Problemi Riscaldamento
Io ho rubinetteria a tre fori in bagno e solo in cucina ho messo un rubinetto a leva con miscelatore (il più vicino alla caldaia). Inoltre preciso che l'impianto all'interno dell'appartamento è stato fatto in maniera da avere la chiusura a monte dei rubinetti separata per la cucina e per il bagno. Quindi, cosa dovrei precisamente fare? Mi puoi cortesemente indicare, quando hai tempo, quali sono i passaggi? Grazie ancora -
Caldaia Vaillant wcw 242 EH mancata accensione senza scintilla
cislenco ha risposto a cislenco alla discussione in Guasti/Problemi Riscaldamento
Grazie a tutti per l’interessamento Simuffa non disturbi affatto e grazie per il manuale che ero riuscito a reperire anche io. Si lo avevo fatto è ho anche individuato i due fili del pressostatò che vanno alla scheda. Dal manuale come dice giustamente ardrobe si evince che dipenda dalla scheda accensione ma cambiandone ben 2 abbiamo dedotto che sia da altro. Giustamente come osservo sarebbe ideale fare così ma a trovarla gente che ha ancora questa caldaia. I miei pochi conoscenti che le avevano è da anni che hanno cambiato caldaia. ieri non ho scritto fatto pausa sennò impazzisco. Comunque ho smontato le schede e ad una ispezione ad occhio sembrerebbe che la scheda ventilatore avvia delle zone più scure sul circuito stampato Come se avesse avuto una scaldata allego le foto m. Siccome la componente elettronica di questa scheda è scarna ho testato i diodi e le resistenze e sembra non siano guasti. Anche i due tele sembra che funzionino (testata impedenza). Rimarrebbe da testare i condensatori e il transistor però no. Si come fare. Comunque quella zona scura nella scheda non mo fa pensare bene. Grazie a tutti per l’interessamento Simuffa non disturbi affatto e grazie per il manuale che ero riuscito a reperire anche io. Si lo avevo fatto è ho anche individuato i due fili del pressostatò che vanno alla scheda. Dal manuale come dice giustamente ardrobe si evince che dipenda dalla scheda accensione ma cambiandone ben 2 abbiamo dedotto che sia da altro. Giustamente come osservo sarebbe ideale fare così ma a trovarla gente che ha ancora questa caldaia. I miei pochi conoscenti che le avevano è da anni che hanno cambiato caldaia. ieri non ho scritto fatto pausa sennò impazzisco. Comunque ho smontato le schede e ad una ispezione ad occhio sembrerebbe che la scheda ventilatore avvia delle zone più scure sul circuito stampato Come se avesse avuto una scaldata allego le foto m. Siccome la componente elettronica di questa scheda è scarna ho testato i diodi e le resistenze e sembra non siano guasti. Anche i due tele sembra che funzionino (testata impedenza). Rimarrebbe da testare i condensatori e il transistor però no. Si come fare. Comunque quella zona scura nella scheda non mo fa pensare bene. Son tentato di ordinare la scheda del ventilatore dal tedesco - Oggi
-
Valutazione impianto aria (VMC)
Mister_X_ ha risposto a Mister_X_ alla discussione in Impianti Riscaldamento
Che casa hai? (se posso chiedere) Comunque la produzione del fotovoltaico, facendo dei calcoli teorici, siamo circa a 7500 kwh/annui, con il picco a luglio (900 kwh/mese) Quindi stiamo parlando di una bella produzione da sfruttare Quello che immaginavo. Non ti conosco e non so quale sia il tuo campo, ma hai esperienza con questi tipo di impianti? -
Lavatrici ASKO nuova serie
Ciccio 27 ha risposto a borgo77 alla discussione in Lavatrici - Asciugabiancheria
OT: e a me risulta ancora che non puoi ricevere messaggi... 🤷♂️ Magari prova tu a scrivermi, e io vedo se posso rispondere... -
Ciccio 27 ha iniziato a seguire Lavastoviglie Ikea Rengora (PRN 911535056; Ikea n° 202.797.65) non termina programma ECO
-
Lavastoviglie Ikea Rengora (PRN 911535056; Ikea n° 202.797.65) non termina programma ECO
Ciccio 27 ha risposto a sancho375 alla discussione in Lavastoviglie
La nostra vecchia Ariston stretta sta molto tempo con l'acqua in vasca, come sorgente di calore irradiato per asciugare. -
Valter6211 ha aderito alla comunità
-
Valutazione impianto aria (VMC)
Marco Fornaciari ha risposto a Mister_X_ alla discussione in Impianti Riscaldamento
Il costruire l'impianto in quel modo è sta una scelta di progettista e committente, certamente così è costato parecchio meno. Probabilmente hanno fatto i conti al presente senza estrapolarlo al futuro, quindi risparmio all'installazione, costi maggiori nell'uso, direi che è stato usato il metro dell'immaginario collettivo che con il fotovoltaico poi la corrente costa nulla: niente di più falso. I costi di ammortamento, manutenzione e sostituzione a fine vita delle apparecchiature FV dove li mettiamo? spesso dopo 10 anni ci si accorge che ci si rimette oppure lo si lascia spento. -
Nuova lavatrice ASKO W6098X/3 - Consigli su utilizzo programmi
FabioBL ha risposto a FabioBL alla discussione in Lavatrici - Asciugabiancheria
Il modello che ho acquistato ha un carico commerciale di 9 kg ma il volume del cestello è di 60 litri - quindi sono 6kg di cotone effettivo. -
aumento potenza impianto bar
Marco Fornaciari ha risposto a ocram.59 alla discussione in Progettazione impianti elettrici civili e terziario
E la 81/2008 con tutti i suoi aggiornamento dove la mettiamo? Già quello basta e avanza, anzi l'impianto doveva già essere aggiornato alla 81/2008. -
Valutazione impianto aria (VMC)
click0 ha risposto a Mister_X_ alla discussione in Impianti Riscaldamento
Nel periodo di condizionamento la potenza richiesta è circa tripla rispetto a quella invernale (almeno per quel riguarda la mia casistica) Comunque la produzione fotovoltaica è a noi sconosciuta -
Compatibilita scheda Saunier Duval Themafast F 24 E
marco orange ha inserito una discussione in Guasti/Problemi Riscaldamento
Ciao a tutti! Ho un problema con la caldaia in oggetto che improvvisamente ha smesso di funzionare, quando si dà corrente si sente solo qualche piccolo rumorino e il display rimane spento. Ho trovato diverse schede simili anche con lo stesso codice ma sempre con qualche piccola differenza. Ad esempio nella foto la scheda sostitutiva non ha alcuni condensatori nella sezione vicino allo spinotto H6 che comunque non è presente nella mia caldaia. Mi potete dare qualche consiglio sulla riparazione o sostituzione della scheda? Grazie anticipatamente -
Lavastoviglie Ikea Rengora (PRN 911535056; Ikea n° 202.797.65) non termina programma ECO
Stefano Dalmo ha risposto a sancho375 alla discussione in Lavastoviglie
Fai anche dei lavaggi non eco a 65 gradi -
Livio Orsini ha iniziato a seguire Saldatrice Telwin 168MPGE
-
Saldatrice Telwin 168MPGE
Livio Orsini ha risposto a graziano.68 alla discussione in Altro su elettrodomestici
Può essere di tutto, con le informazioni che dai ci vorrebbe la mitica sfera di cristallo solo per fare qualche ipotesi attendibile. Quali sono le tue competenze nel campo dell'elettronica di potenza? Per metter mano ad un apparecchio come questo sono necessarie un minimi di competenza ed un minimo di strumentazione, il solo tester non sempre è suffciente. -
graziano.68 ha iniziato a seguire Saldatrice Telwin 168MPGE
-
Salve a tutti ... Ho questa saldatrice ad inverter che ha smesso di funzionare all'improvviso mentre la stavo utilizzando. Si accesa la spia arancione lampeggiante ed ho subito controllato le 2 termiche se si fossero interrotte, ma purtroppo non è così ... Idee in merito a cosa potrebbe essere successo??? Grazie in anticipo per le info.
-
Telefunken Te32269b40y20
mistertv ha risposto a farias alla discussione in Thomson - Saba - Nordmende - Telefunken - A.E.G.
Nel tempo il problema si ripresenterà perchè la causa del guasto non è stata eliminata ma solo attenuata, a meno che non si è scritto tutto il procedimento di lavoro effettuato o nell'effettuare le prove inconsapevolmente si è agito nella parte difettosa. In questi alimentatori non è il TL431 a difettare ne tantomeno i condensatori o le saldature. -
aumento potenza impianto bar
reka ha risposto a ocram.59 alla discussione in Progettazione impianti elettrici civili e terziario
l'esistente a che anno risale? l'unico motivo che mi viene in mente è che i cavi presenti non siano più a norma. -
Un'altra soluzione ci sarebbe, ma riesci a vedere la potenza del motoventilatore guardando direttamente l'etichetta che c'è appiccicata sopra?
-
Valutazione impianto aria (VMC)
Mister_X_ ha risposto a Mister_X_ alla discussione in Impianti Riscaldamento
L'impianto ha 6 anni circa Si capisco il fatto che se è così va modificato o tenuto, ma quello che vorrei sapere è se è una prassi normale montare un impianto del genere oppure si è andati a risparmio e questo è il risultato -
Biondos ha iniziato a seguire Aiuto per sostituzioni motori apertura automatica serra
-
Ciao, allora io abito in una bifamiliare e metto mani io al cancello quindi mi potresti dare supporto per prendere la ricevente sommer giusta e come collegarla in parallelo a quella ricevente posta sulla centrale bft alcor n ?
-
Asecam 8M 4K H265 nvif IP Camera non supporta SMTP sulla porta 465
infomaxxam ha risposto a infomaxxam alla discussione in Videocamere
Buongiorno, si la telecamera sta funzionando, ma come qualita' di immagine rispetto alla Dahua e' inferiore, lo stesso dicasi del prezzo, inoltre in caso di allarme trasferisce sul Ftp solo snapshot e non un filmato. Sapresti indicarmi una buona alternativa. Grazie
