Fabri91 Inserito: 9 giugno 2022 Segnala Inserito: 9 giugno 2022 Buongiorno, Possiedo un videocitofono bticino a 2 fili bus. Ho provato a collegare un modulo relè wifi da connettere ad app Ewelink. Di seguito le immagini del modulo, del videocitofono + schema e fili collegati sul videocitofono come da schema + link modulo https://amzn.eu/d/h688JdS Guardando su internet ho visto che su un citofono a 5 fili basta collegare l'alimentazione esternamente per il modulo e l'apriporta sul 6 e 9. Nel mio caso invece ho preso sempre l'alimentazione esternamente, ma quando sono andato a collegare i 2 fili di fianco al bus, in parallelo sul mio modulo (su COM e NO) che in teoria faceva l'elettroserratura, quando vado per aprire con l'app, anziché aprire il videocitofono, mi suona il campanello di casa e da l'imput di apertura ma in realtà non apre. Premetto che il mio videocit. Ha doppia apertura, cancello esterno e portone sotto casa, ma posso aprire solo quando mi suonano dai 2 posti esterni, io non posso aprire se non suonano, evidentemente apro solo il posto esterno che viene eccitato, e in più posso cambiare suoneria ai citofoni e campanello. A sto punto non vorrei che l'apriporta sia collegato sulla citofoniera esterna e in casa mi arriva solo l'imput del suono. Spero di essermi spiegato e spero mi possiate aiutare per aprire con l'app ed eventualmente alexa. Grazie in anticipo.
Maurizio Colombi Inserita: 9 giugno 2022 Segnala Inserita: 9 giugno 2022 È un'abitazione singola, o fa parte di un condominio?
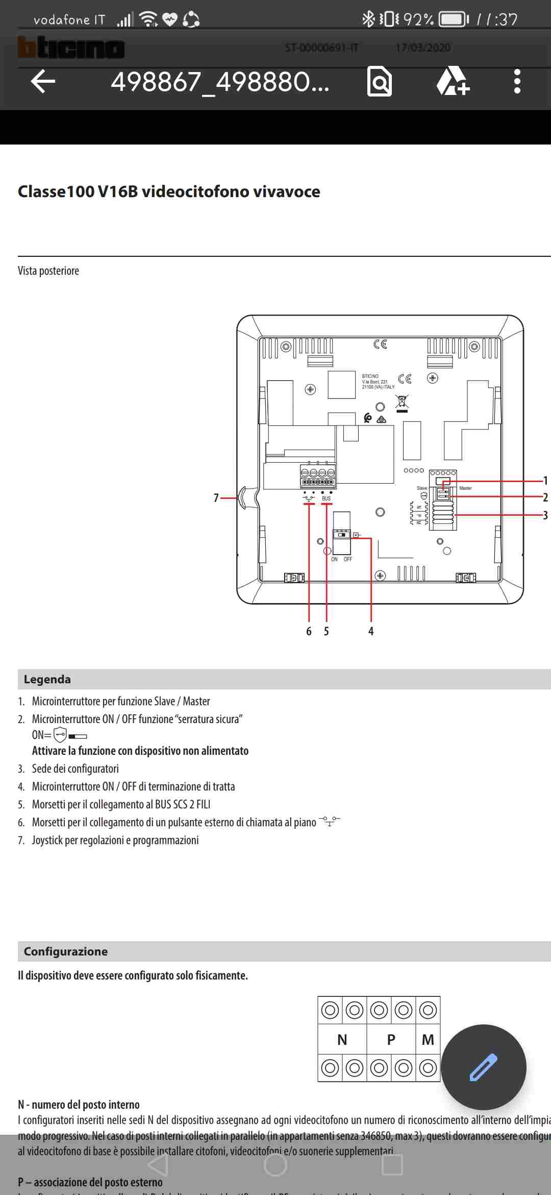
ROBY 73 Inserita: 9 giugno 2022 Segnala Inserita: 9 giugno 2022 (modificato) Ciao Fabri91, 1 ora fa, Fabri91 ha scritto: .........ma quando sono andato a collegare i 2 fili di fianco al bus, in parallelo sul mio modulo (su COM e NO) che in teoria faceva l'elettroserratura, quando vado per aprire con l'app, anziché aprire il videocitofono, mi suona il campanello di casa e da l'imput di apertura ma in realtà non apre.............. Infatti, la "reazione" del citofono è corretta in quanto quei morsetti indicati con il simbolo del pulsante, sono proprio quelli dove si deve collegare il pulsante per la chiamata dal pianerottolo o porta interna e NON quelli per l'apertura della serratura. Per aprire la serratura devi andare ad agire direttamente sul posto esterno, oppure aggiungere un attuatore esterno 346210 e sul proprio contatto collegarlo in parallelo al contatto COM-NO della scheda WI-FI. Ad ogni modo segui i consigli di @Maurizio Colombi che conosce BTicino molto meglio di me Modificato: 9 giugno 2022 da ROBY 73
Fabri91 Inserita: 10 giugno 2022 Autore Segnala Inserita: 10 giugno 2022 Maurizio, è un condominio. Grazie Roby. Ma questo attuatore lo posso mettere in casa o per forza sul posto esterno? Comunque ho guardato ed ha un costo notevole, io questo modulo l'ho pagato 10€ e sperano di risolvere. Se è così allora lascio perdere.
ROBY 73 Inserita: 10 giugno 2022 Segnala Inserita: 10 giugno 2022 1 ora fa, Fabri91 ha scritto: Ma questo attuatore lo posso mettere in casa o per forza sul posto esterno? Comunque ho guardato ed ha un costo notevole, io questo modulo l'ho pagato 10€ e sperano di risolvere. Se è così allora lascio perdere. Allora essendo un condominio, l'attuatore 346210 devi per forza metterlo in casa, poi vedi tu se puoi / vuoi proseguire con l'acquisto o meno, anche perché in teoria poi serviranno anche un paio di configuratori (quelli sono pochi €uro) per fargli fare la funzione di apertura cancello
Fabri91 Inserita: 10 giugno 2022 Autore Segnala Inserita: 10 giugno 2022 Ah ok. No diventa troppo incasinata la cosa. Mi rassegno al fatto di non poterlo fare e pazienza. Grazie mille
ROBY 73 Inserita: 10 giugno 2022 Segnala Inserita: 10 giugno 2022 46 minuti fa, Fabri91 ha scritto: .........Mi rassegno al fatto di non poterlo fare e pazienza. Come vuoi, se un giorno cambi idea sai dove scrivere, ciao prego
Maurizio Colombi Inserita: 10 giugno 2022 Segnala Inserita: 10 giugno 2022 Allora, puoi utilizzare il 346883 che ti trasforma un normale contatto in un impulso via BUS, che comanda la serratura. Ha dimensioni ridotte, non richiede alimentazione (che prende dal BUS) e puoi metterlo direttamente nel tuo appartamento. Costa una 50ina di europei... Con il 346210 riusciresti ad aprire la serratura solo con i tasti dell'apparecchio e non con un comando esterno.
Fabri91 Inserita: 14 giugno 2022 Autore Segnala Inserita: 14 giugno 2022 Grazie Maurizio. Ma comprando il 346833 poi posso collegare quel modulo WiFi ed aprire tramite app?
Fabri91 Inserita: 14 giugno 2022 Autore Segnala Inserita: 14 giugno 2022 Mentre il 346833 come lo collego invece sul videocitofono?
Maurizio Colombi Inserita: 14 giugno 2022 Segnala Inserita: 14 giugno 2022 Prova a scaricarti le istruzioni dell'apparecchio e cercare di capire come fare. Non è difficile.
Fabri91 Inserita: 14 giugno 2022 Autore Segnala Inserita: 14 giugno 2022 Ok va bene. Ma poi collegando il modulo WiFi a questo che mi ha detto lei, riesco ad aprire dall'app, perché da come ho capito, il 346833 mi porta in casa l'apertura del portone, giusto?
Maurizio Colombi Inserita: 14 giugno 2022 Segnala Inserita: 14 giugno 2022 10 ore fa, Fabri91 ha scritto: il 346833 mi porta in casa l'apertura del portone, Certo, ti porta in casa la possibilità di aprire il portone utilizzando un semplice contatto esterno che, alla fine dei conti, ti viene fornito dal modulino wi-fi che gestirai dall'app.
Fabri91 Inserita: 15 giugno 2022 Autore Segnala Inserita: 15 giugno 2022 Perfetto, grazie mille. Adesso non mi resta che capire come collegare e settare il 346833 al videocitofono, perché ho visto che ci sono vari collegamenti e settaggi.
Fabri91 Inserita: 15 giugno 2022 Autore Segnala Inserita: 15 giugno 2022 Volevo chiedere aiuto se mi può aiutare. Vedendo com'è fatto il mio videocitofono, mi può dire per favore come collegare il 346833 per evitare errori e poi capire se il configuratore è incluso e se è già posizionato dove serve a me (per l'apertura). Grazie
Fabri91 Inserita: 15 giugno 2022 Autore Segnala Inserita: 15 giugno 2022 Più che altro, io collego il bus del videocitofono al bus del 346833. Dopodiché gli altri 2 fili del videocitofono che fanno la suoneria del campanello li collego sempre sul 346833 ma dove? Sul pl1 o pl2? E sul C invece? Il configuratore invece lo lascio sul 3 da quello che ho capito. Scusate per tutti questi messaggi, è che voglio essere sicuro di non fare errori
Fabri91 Inserita: 15 giugno 2022 Autore Segnala Inserita: 15 giugno 2022 Ma per collegare questo 346833 devo per forza togliere alimentazione del videocitofono? Perché se così fosse, non ho idea e preferisco evitare. Perché per collegare il modulo WiFi non c'è stato bisogno
Maurizio Colombi Inserita: 15 giugno 2022 Segnala Inserita: 15 giugno 2022 Allora, partiamo subito dal presupposto che l'apparecchio deve essere appreso dal sistema e l'unico modo per fare questo è 3 ore fa, Fabri91 ha scritto: togliere alimentazione del videocitofono ma non è un'operazione impossibile e complicata, basta abbassare l'interruttore "citofono" (se c'è) nel quadro generale del condominio e rialzarlo dopo qualche minuto...
Fabri91 Inserita: 15 giugno 2022 Autore Segnala Inserita: 15 giugno 2022 Quindi con alimentazione attiva non si può installare? No, più che altro è che non volevo togliere alimentazione all'intero condominio, oltretutto non so dove sia
Maurizio Colombi Inserita: 15 giugno 2022 Segnala Inserita: 15 giugno 2022 57 minuti fa, Fabri91 ha scritto: Quindi con alimentazione attiva non si può installare? Purtroppo no! Se proprio vuoi installarlo, lo puoi fare ed aspettare il primo black out del servizio elettrico...
ROBY 73 Inserita: 15 giugno 2022 Segnala Inserita: 15 giugno 2022 12 ore fa, Fabri91 ha scritto: Più che altro, io collego il bus del videocitofono al bus del 346833. Sì esatto 12 ore fa, Fabri91 ha scritto: Dopodiché gli altri 2 fili del videocitofono che fanno la suoneria del campanello li collego sempre sul 346833 ma dove? Sul pl1 o pl2? E sul C invece? Scordati quei due morsetti, ti abbiamo detto che hanno tutt'altra funzione e cioè la sola chiamata dal pianerottolo e NON centrano nulla con l'apertura del cancello. 12 ore fa, Fabri91 ha scritto: Sul pl1 o pl2? E sul C invece? Non devi fare altro che collegare il COM del 346833 sul COM della scheda WI-FI ed il P1 del 346833 sul morsetto NO della scheda WI-FI e nient'altro. (Clicca sopra l'immagine o aprila in un'altra finestra del monitor per ingrandirla) In pratica è come se P1 e P2 fossero due pulsanti qualsiasi ed il COM il loro filo comune. 13 ore fa, Fabri91 ha scritto: e poi capire se il configuratore è incluso e se è già posizionato dove serve a me (per l'apertura). 12 ore fa, Fabri91 ha scritto: Il configuratore invece lo lascio sul 3 da quello che ho capito. Non credo che il configuratore sia incluso, non so se ne trovi sfusi, (magari su qualche sito in rete), altrimenti dovrai prendere un pacchetto da dieci pezzi con il codice 3501/3 e va inserito nella posizione MOD
Fabri91 Inserita: 16 giugno 2022 Autore Segnala Inserita: 16 giugno 2022 Perfetto, grazie mille davvero. Mi siete stati veramente d'aiuto. Quando lo farò, vi farò sapere.
ROBY 73 Inserita: 16 giugno 2022 Segnala Inserita: 16 giugno 2022 15 ore fa, Fabri91 ha scritto: Quando lo farò, vi farò sapere. Attendiamo fiduciosi allora
Fabri91 Inserita: 17 giugno 2022 Autore Segnala Inserita: 17 giugno 2022 Un'ultima domanda solo. L'alimentazione del citofono la tolgo e collego direttamente tutto quanto? O il modulo WiFi posso collegarlo dopo che ho montato e collegato il 346833 e ridato corrente?
ROBY 73 Inserita: 17 giugno 2022 Segnala Inserita: 17 giugno 2022 18 ore fa, Fabri91 ha scritto: L'alimentazione del citofono la tolgo e collego direttamente tutto quanto? O il modulo WiFi posso collegarlo dopo che ho montato e collegato il 346833 e ridato corrente? Come preferisci, è indifferente, non cambia nulla, ma in tutti i casi se si lavora senza tensione è meglio ed evita eventuali cortocircuiti accidentali
Messaggi consigliati
Crea un account o accedi per commentare
Devi essere un utente per poter lasciare un commento
Crea un account
Registrati per un nuovo account nella nostra comunità. è facile!
Registra un nuovo accountAccedi
Hai già un account? Accedi qui.
Accedi ora