andrea coppari Posted January 6, 2023 Report Posted January 6, 2023 buonasera cerco di essere il piu chiaro possibile dovrei creare un ciclo in quanto alla fine di esso dovro' azionare un uscita x diciamo che ho 2 attuatori lineari con finecorsa che chiamero' A e B ed un motore C premendo start glia attuatori vanno in posizione di sicurezza quindi A– e B+ quando sono in posizione parte C e dopo 5 giri l'attuatore va in B– e l'altro in A+ poi B ritorna in B+ come faccio a definire questo cilclo? perche al termine dovrei azionare un uscita x il programma e' molto compesso ho provato a semplificarlo spero possiate aiutarmi ho letto quasi tutti i post inerenti ma non ho trovato soluzioni grazie in anticipo
max.bocca Posted January 6, 2023 Report Posted January 6, 2023 Quindi il ha come uscite le due elettrovalvole, il motore e l'uscita X, mentre in ingresso cosa i 4 sensori di finicorsa e start ciclo?
andrea coppari Posted January 8, 2023 Author Report Posted January 8, 2023 In entrata ho start ciclo e circuito chiuso di emergenza oltre che i tasti per muovere in manuale i vari cilindri e motore In uscita ho. Cilindro avanti a+ cilindro indietro a- cilindro avanti b+ cilindro indietro b-. Ed il motore... Gli attuatori hanno cavo che esce a 10 v quindi in analogico posso determinare i fine corsa
marco1278 Posted January 8, 2023 Report Posted January 8, 2023 Ciao, non è molto chiaro cosa devi fare. Puoi rispiegare meglio. Grazie
Claudio F Posted January 8, 2023 Report Posted January 8, 2023 On 1/6/2023 at 5:07 PM, andrea coppari said: come faccio a definire questo ciclo? Hai descritto un processo che attraversa diverse fasi (stati), quindi sono da gestire le diverse fasi in modo esplicito attraverso appositi "merker di stato", che indicano a che punto del processo si è arrivati. L'implementazione concreta dipende dal linguaggio usato.
max.bocca Posted January 8, 2023 Report Posted January 8, 2023 Utilizzi valvole compostabili o bi stabili? Comunque nel primo caso il programma è quasi già scritto nel flowchart...
andrea coppari Posted January 8, 2023 Author Report Posted January 8, 2023 x max.bocca non utilizzo valvole perchè sono attuatori elettrici a 24 v, ma cambia poco
andrea coppari Posted January 8, 2023 Author Report Posted January 8, 2023 grazie a claudio f per lo schema .... cosa sono i merker di stato? forse ho bisogno proprio di quelli il programma è molto ingarbugliato perchè oltre al ciclo in automatico ho anche dei selettori che mi permettono di muovere gli attuatori ed il motore in manuale in piu ho molti blocchetti che interrompono il ciclo in automatico e non lo fanno ripartire quando premo l'emergenza. detto questo quando lavoro in automatico e premo start si avvia il ciclo di claudio f ed al termine di esso si devono attivare altre 2 uscite ( motore 2 ed elettrovalvola acqua) queste ultime 2 uscite si devono attivare solamente al termine del ciclo e non se lavoro in manuale quindi come faccio a definire il ciclo?
Livio Orsini Posted January 9, 2023 Report Posted January 9, 2023 7 ore fa, andrea coppari ha scritto: cosa sono i merker di stato? Sono bit, merker è il termine usato da siemens e da gli altri germanici. Sono variabili booleane che gli informatici, solitamente, definiscono come "flag" come le bandierine di segnalazione, perchè segnalano uno stato attivo (alto) o non attivo (basso).
max.bocca Posted January 9, 2023 Report Posted January 9, 2023 Quindi hai bisogno di un logo con espansioni visto che hai A+ A- B+ B- motore e "X" a meno che il complemento A+ A- lo fa in automatico. Come sensori hai i 4 fine corsa sugli attuatori e conta giri oltre i comandi?
Mircoron Posted January 9, 2023 Report Posted January 9, 2023 Se la sequenza degli stati è definita puoi implementare un contatore che viene fatto avanzare dal cambio stato, stato 1= (B->B+)(A->A-) al completamento avanzi il contatore di uno, poi a ogni giro incrementi, quando arrivi a 6 fai (B->B-) e (A->A+) e alla fine resetti il contatore a 1 ritornando al primo stato. Puoi allungare quanto vuoi il numero degli stati. Per gli azionamenti metti N interruttori a valore di soglia analogico che ai valori del contatore attivi certe funzioni.
andrea coppari Posted January 9, 2023 Author Report Posted January 9, 2023 sugli attuatori ho un potenziometro(loro lo chiamano cosi ) cho alimento a 10 v e quindi in analogico posso farlo fermare dove voglio e cosi anche i finecorsa potrei definire un ciclo con i merker ed al termine di esso resettarlo? potete farmi un esempio
Claudio F Posted January 9, 2023 Report Posted January 9, 2023 Che "linguaggio di programmazione" utilizzi?
max.bocca Posted January 9, 2023 Report Posted January 9, 2023 Con il logo hai due possibilità, io sconsiglio il kop nel caso di logo. Però è un parere personale, il kop lo utilizzo sui 100,200,1200 Omron telemecanique. Forse perché quando uscì il logo non c'era la possibilità di utiluzzarlo
andrea coppari Posted January 10, 2023 Author Report Posted January 10, 2023 @Claudio Futilizzo linguaggio a blocchi @max.bocca quali sono le 2 possibilita?
max.bocca Posted January 10, 2023 Report Posted January 10, 2023 Oltre a quello che utilizzi tu c'e il Kop cioè contatti o chiamato anche LD ladder
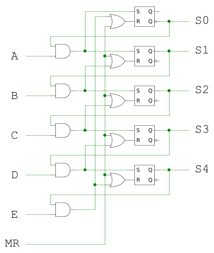
Claudio F Posted January 13, 2023 Report Posted January 13, 2023 On 1/9/2023 at 4:24 PM, andrea coppari said: potrei definire un ciclo con i merker ed al termine di esso resettarlo? potete farmi un esempio Uno spunto può essere lo schema seguente, da convertire nei blocchi del PLC. All'inizio (dopo un MR -master reset-) è attivo lo stato S0. Il segnale A disattiva S0 e attiva S1, e così via fino al segnale E che disattiva S4 e riattiva S0. I segnali A..E possono essere le diverse condizioni/eventi rilevati durante il processo, ad esempio A potrebbe essere il pulsante di start.
andrea coppari Posted January 13, 2023 Author Report Posted January 13, 2023 grazie claudio per l'esempio domani provo
max.bocca Posted January 14, 2023 Report Posted January 14, 2023 Nel secondo ingresso B ci sarà un B1 e B2 in quanto devi avere entrambi in pistoni nella nuova posizione e anche nel caso D ... Lo ingresso C sarà l'uscita del conteggio raggiunto dei giri... Lo stato 2 é la rotazione
Recommended Posts
Create an account or sign in to comment
You need to be a member in order to leave a comment
Create an account
Sign up for a new account in our community. It's easy!
Register a new accountSign in
Already have an account? Sign in here.
Sign In Now