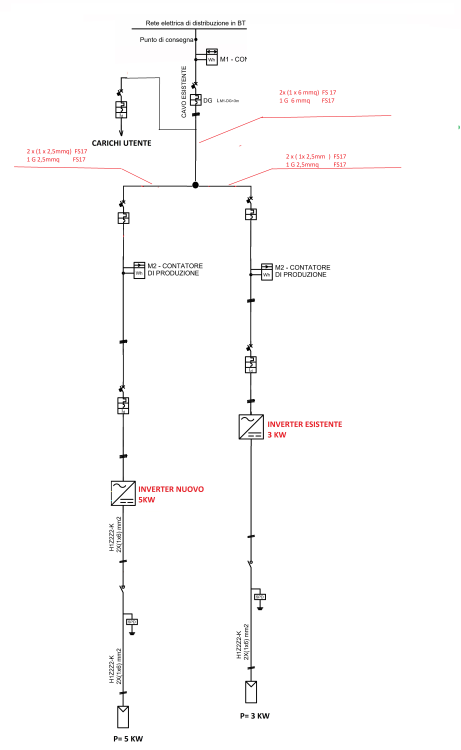
Skidrow Inserito: 8 giugno 2023 Segnala Inserito: 8 giugno 2023 Buona sera a tutti, ho un dubbio relativo alla rappresentazione delle sezioni dei cavi su schema unifilare per un impianto ftv composto da due sezioni d'impianto: una già esistente avente potenza di generazione pari a 3 kw con sezione cavi lato corrente alternata pari a 2,5 mm2 e una nuova sezione con potenza di generazione pari a 5 kw con sezione cavi lato corrente alternata pari a 4 mm2. Premettendo che a monte dell'interruttore generale del quadro di casa saranno collegati ai morsetti superiori fase e neutro del contatore di scambio esistente, fase e neutro della sezione dell'impianto ftv esistente e si aggiungeranno fase e neutro della nuova parte di impianto (allego figura), il mio dubbio è legato alla rappresentazione di questo collegamento su schema unifilare in virtù delle diverse sezioni in gioco. Nello specifico, considerando la parte di schema cerchiata in rosso e mostrata nella figura, cosa sarebbe opportuno indicare per descrivere al meglio questa configurazione di impianto essendo uno schema unifilare e non multifilare?
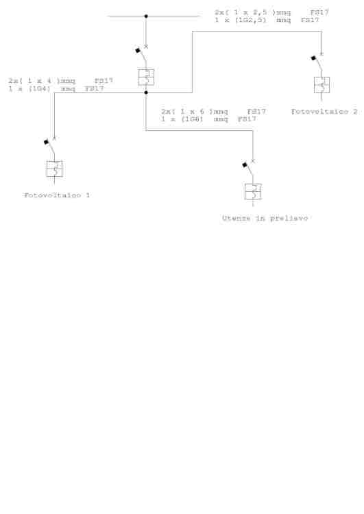
del_user_125789 Inserita: 9 giugno 2023 Segnala Inserita: 9 giugno 2023 Quote cosa sarebbe opportuno indicare per descrivere al meglio questa configurazione di impianto essendo uno schema unifilare ecco a te !
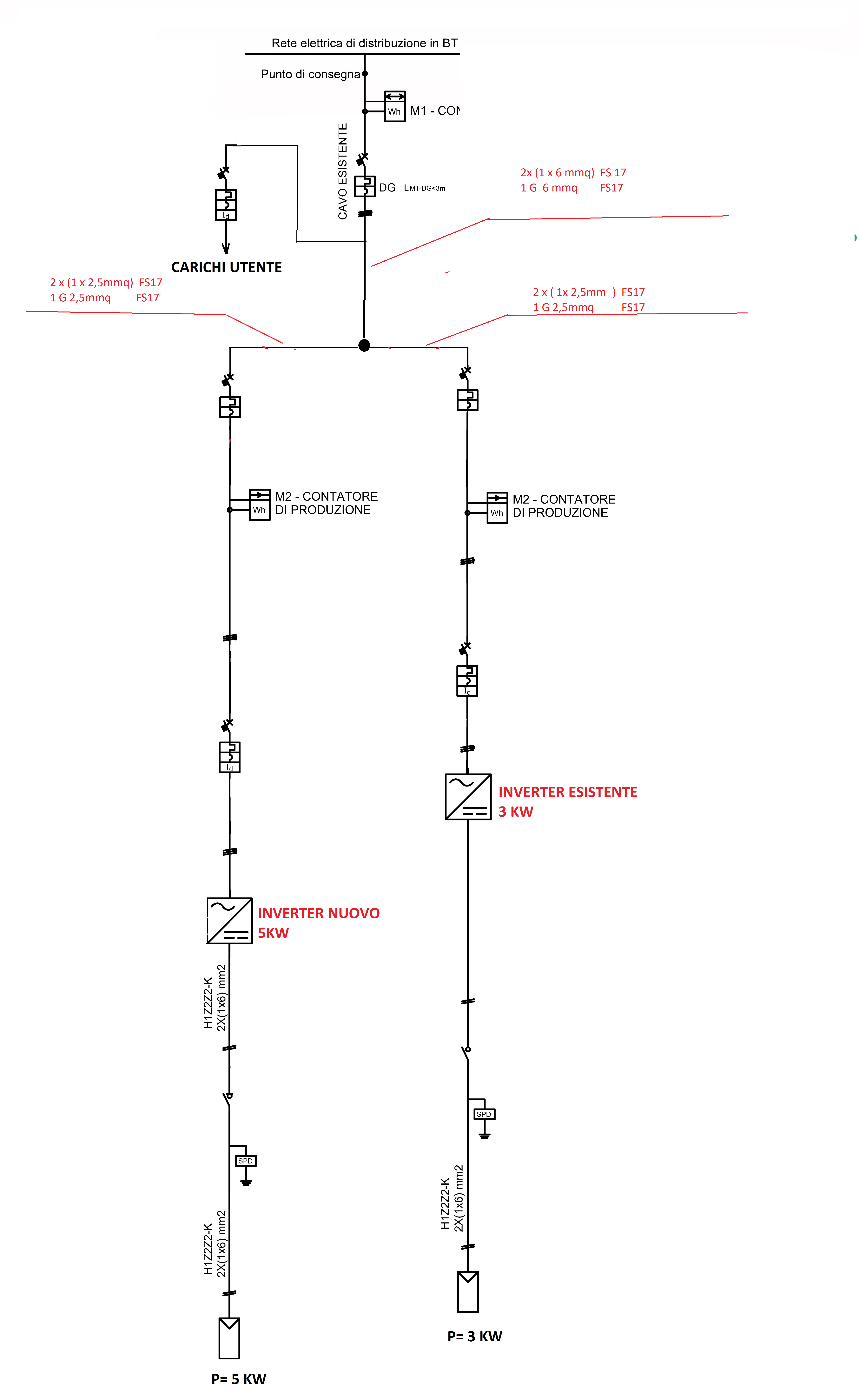
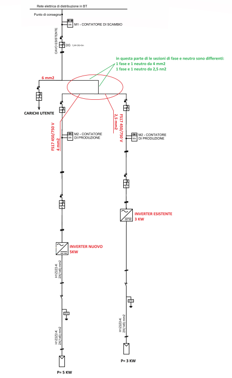
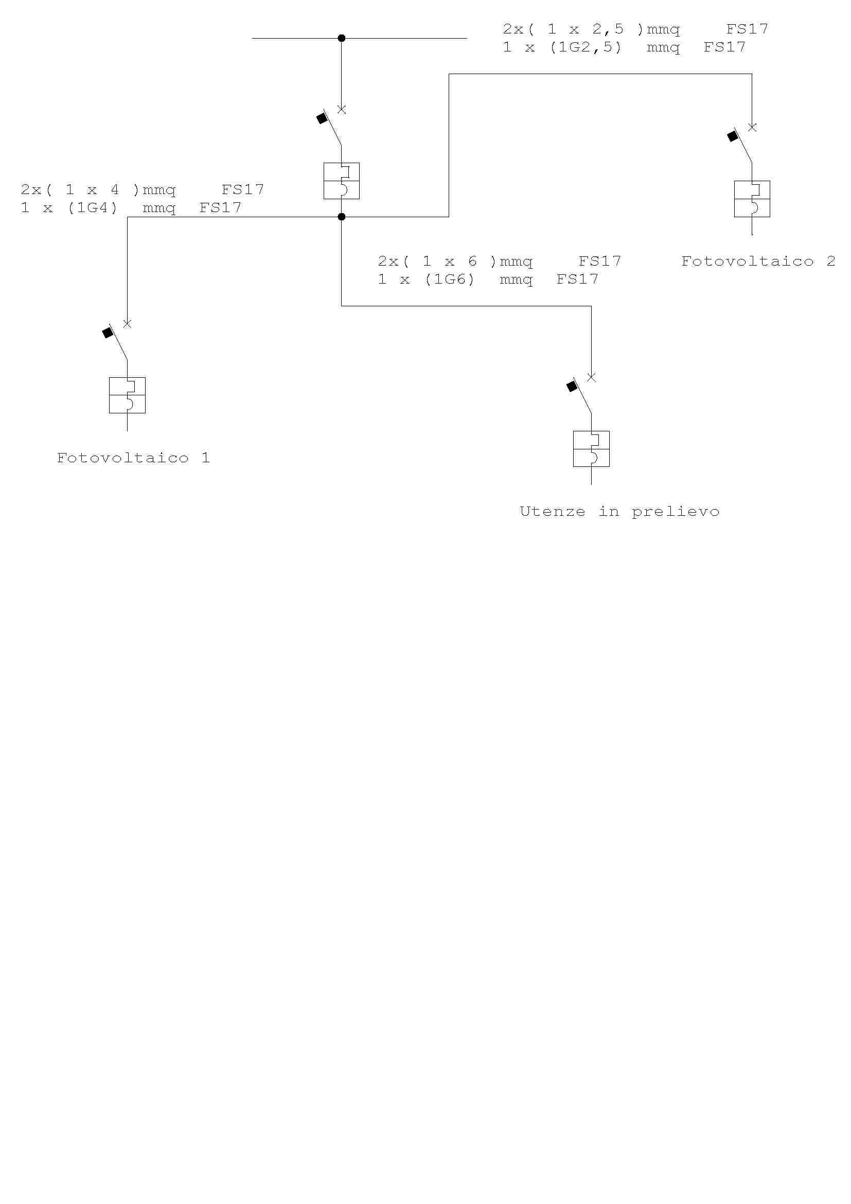
Skidrow Inserita: 10 giugno 2023 Autore Segnala Inserita: 10 giugno 2023 16 ore fa, Sanka Giuliano ha scritto: ecco a te ! Sulla base del mio schema a blocchi di funzionamento postato ad inizio discussione in cui descrivo quali cavi sono presenti a monte dell'interruttore generale del quadro di casa, ho delle osservazioni relativamente al nuovo schema unifilare che hai postato. Come vedi nel nuovo schema unifilare sotto riportato ho corretto la sezione dei cavi a monte (lato rete enel) del contatore di produzione dell'impianto ftv da 5 kw che è pari a 4 mm2. Il pallino nero che rappresenta il punto di incontro delle due porzioni di impianto ha un significato specifico da un punto di vista elettrico? Inoltre nel tratto viola vi sono cavi con sezioni diverse ossia 2,5 e 4 mm2 e non un'unica sezione da 6 mm2 e infine nel tratto verde ci sono tre sezioni di cavi ossia 6 mm2 (fase e neutro che provengono dal contatore di scambio esistente) 2,5 e 4 mm2 che sono le sezioni dei cavi delle due porzioni che compongono l'impianto fotovoltaico.
del_user_125789 Inserita: 10 giugno 2023 Segnala Inserita: 10 giugno 2023 Quote Il pallino nero che rappresenta il punto di incontro delle due porzioni di impianto ha un significato specifico da un punto di vista elettrico? sicuramente sì ,,, indica una diramazione Quote Inoltre nel tratto viola vi sono cavi con sezioni diverse ossia 2,5 e 4 mm2 e non un'unica sezione da 6 mm2 e infine nel tratto verde ci sono tre sezioni di cavi ossia 6 mm2 (fase e neutro che provengono dal contatore di scambio esistente) 2,5 e 4 mm2 che sono le sezioni dei cavi delle due porzioni che compongono l'impianto fotovoltaico. in questi casi usa : Quote Il pallino nero che rappresenta il punto di incontro e riporta di nuovo la sezione dei cavi . Questo per quanto riguarda i collegamenti rapresentati a schema e l'identificazione delle linee. Per la protezione magnetotermica e la sezione dei cavi serve un coordinamento corretto.
Skidrow Inserita: 10 giugno 2023 Autore Segnala Inserita: 10 giugno 2023 6 ore fa, Sanka Giuliano ha scritto: sicuramente sì ,,, indica una diramazione in questi casi usa : e riporta di nuovo la sezione dei cavi . Questo per quanto riguarda i collegamenti rapresentati a schema e l'identificazione delle linee. Per la protezione magnetotermica e la sezione dei cavi serve un coordinamento corretto. Con il pallino si indica una diramazione ma nel tratto viola ci saranno due fasi e due neutri con sezioni differenti (2,5 mm2 e 4 mm2) per cui non cedo sia corretto scrivere solo 2 x (1 x 6) mm2 lasciando intendere che si ha un'unica sezione cavi pari a 6 mm2.
del_user_125789 Inserita: 10 giugno 2023 Segnala Inserita: 10 giugno 2023 Quote Con il pallino si indica una diramazione ma nel tratto viola ci saranno due fasi e due neutri con sezioni differenti (2,5 mm2 e 4 mm2) per cui non cedo sia corretto scrivere solo 2 x (1 x 6) mm2 lasciando intendere che si ha un'unica sezione cavi pari a 6 mm2. questa è una soluzione :
del_user_125789 Inserita: 10 giugno 2023 Segnala Inserita: 10 giugno 2023 e questa un altra ,,, come vedi il pallino è subito a valle interruttore .
Semplice 1 Inserita: 10 giugno 2023 Segnala Inserita: 10 giugno 2023 Ciao Skidrow Gli Schemi "di principio" solitamente, essendo tali, non rappresentano quasi mai tutti i dettagli della "realizzazione pratica" che, per essere rappresentata con chiarezza, richiede sempre schemi più complessi. A mio avviso la realizzazione pratica da te ipotizzata è scorretta (seppure sicuramente funzionante) in quanto raggruppare su ogni morsetto del Generale Casa ben 3 conduttori (2,5 + 6 + 6 mm2) mi sembra proprio un piccolo orrore. Dato che sembra tu debba approntare un Documento Tecnico di tipo "formale" io, al posto tuo, non lo farei. Comunque, volendo approntare uno Schema "unifilare" che sia anche realmente esemplificativo della realizzazione pratica potresti fare come nello Schema che vedi qua sotto : ---------------------------------------------------------------- Io disegno solo a mano per cui ti devi accontentare e vedere (sempreché la cosa ti stia bene) come rappresentare il tutto utilizzando la simbologia del programma di disegno a tua disposizione. Anche se non richiesto ti faccio presente che l'attuale "conduttura" con fili da 6mm2 verso il Contatore di Scambio di ENEL risulterà un po' "caricata" : 8000 / 230 = 34,78A che sul conduttore da 6 mm2 rappresenta un carico unitario di 34,78 / 6 = 5,79 A/mm2. Se si tratta di un tratto corto (diciamo non più di 10 mt sino al Contatore di Scambio) può andare bene ma, se si va abbastanza o molto oltre, il conduttore potrebbe offrire troppa resistenza al transito dell'Energia prodotta dagli Inverter (quando non vi sono apprezzabili consumi in Casa) e si deve per forza di cose "iniettare" tutta la produzione nella Linea ENEL. Questa problematica (Sovratensione Inverter = Stacco Inverter) è all'ordine del giorno data la proliferazione degli Impianti FV e la inadeguatezza diffusa delle linee a Bassa Tensione. Vedi tu quale è la tua situazione reale ...
del_user_125789 Inserita: 10 giugno 2023 Segnala Inserita: 10 giugno 2023 Credo che così siamo da punto a capo .
Semplice 1 Inserita: 10 giugno 2023 Segnala Inserita: 10 giugno 2023 (modificato) Ciao Sanka Giuliano Ovviamente 6 mm2 Modificato: 10 giugno 2023 da Alessio Menditto Corretto
Skidrow Inserita: 11 giugno 2023 Autore Segnala Inserita: 11 giugno 2023 22 ore fa, Semplice 1 ha scritto: Ciao Skidrow Gli Schemi "di principio" solitamente, essendo tali, non rappresentano quasi mai tutti i dettagli della "realizzazione pratica" che, per essere rappresentata con chiarezza, richiede sempre schemi più complessi. A mio avviso la realizzazione pratica da te ipotizzata è scorretta (seppure sicuramente funzionante) in quanto raggruppare su ogni morsetto del Generale Casa ben 3 conduttori (2,5 + 6 + 6 mm2) mi sembra proprio un piccolo orrore. Dato che sembra tu debba approntare un Documento Tecnico di tipo "formale" io, al posto tuo, non lo farei. Comunque, volendo approntare uno Schema "unifilare" che sia anche realmente esemplificativo della realizzazione pratica potresti fare come nello Schema che vedi qua sotto : ---------------------------------------------------------------- Io disegno solo a mano per cui ti devi accontentare e vedere (sempreché la cosa ti stia bene) come rappresentare il tutto utilizzando la simbologia del programma di disegno a tua disposizione. Anche se non richiesto ti faccio presente che l'attuale "conduttura" con fili da 6mm2 verso il Contatore di Scambio di ENEL risulterà un po' "caricata" : 8000 / 230 = 34,78A che sul conduttore da 6 mm2 rappresenta un carico unitario di 34,78 / 6 = 5,79 A/mm2. Se si tratta di un tratto corto (diciamo non più di 10 mt sino al Contatore di Scambio) può andare bene ma, se si va abbastanza o molto oltre, il conduttore potrebbe offrire troppa resistenza al transito dell'Energia prodotta dagli Inverter (quando non vi sono apprezzabili consumi in Casa) e si deve per forza di cose "iniettare" tutta la produzione nella Linea ENEL. Questa problematica (Sovratensione Inverter = Stacco Inverter) è all'ordine del giorno data la proliferazione degli Impianti FV e la inadeguatezza diffusa delle linee a Bassa Tensione. Vedi tu quale è la tua situazione reale ... Ciao Semplice 1, che tipo di scatoletta morsetti suggerisci di usare (magari posta foto o link per maggiore chiarezza)? In questa scatoletta arrivano in ingresso fase e neutro dal contatore di scambio, fase e neutro dall'impianto fotovoltaico da 3 kw e fase e neutro dall'impianto fotovoltaico da 5 kW e in uscita si avrà una sola fase e un solo neutro che arrivano ai morsetti superiori del generale di casa aventi sezione di almeno 6 mm2 essendo presente una potenza fotovoltaica pari nel migliore dei casi a 8 kw, corretto? I tuoi disegni sono chiari e infatti il problema è rappresentare questa situazione in cui vi sono tanti cavi con sezioni diverse che arrivano al medesimo punto ossia il generale di casa mediante uno schema unifilare (viene richiesto come documento tecnico). Forse il secondo schema unifilare proposto da Sanka Giuliano è quello più idoneo per rappresentare tale configurazione elettrica.
del_user_125789 Inserita: 11 giugno 2023 Segnala Inserita: 11 giugno 2023 Quote essendo presente una potenza fotovoltaica pari nel migliore dei casi a 8 kw, Fino a qui abbiamo valutato la soluzione schematica unifilare. Tieni presente che , se dobbiamo valutare anche quella di coordinamento delle protezioni , non saresti in regola con le sezioni che hai proposto . Per una valutazione più fine servono tutti i dati del impianto in complesso .
Semplice 1 Inserita: 12 giugno 2023 Segnala Inserita: 12 giugno 2023 (modificato) Ciao Skidrow Vedo che nessuno ti ha "preso in carico" e sperando di non scatenare un putiferio ti rispondo io (e speriamo che la critica mi sia benevola). -------------------------------------------------------------------------- Puoi procedere con una ricerca Google : " morsetteria gewiss " Ti verrà fuori molta "roba" anche indipendentemente dai prodotti Gewis (che comunque puoi visionare per renderti conto della gamma disponibile. Il lavoro migliore in assoluto sarebbe quello di utilizzare dei "gruppi morsetti" che sono definiti "equipotenziali" (una barretta di rame, protetta isolata e provvista di tanti fori econ vite di pressione per serrare singoli cavi o, se sono piccoli anche più cavetti insieme). Per farti una idea vedi direttamente agli indirizzi qui sotto : https://www.manomano.it/p/morsettiere-di-ripartizione-unipolari-per-collegamento-cavi-elettrici-43290040?model_id=44237424#description https://www.manomano.it/p/morsettiera-di-derivazione-5-poli-6-mmq-bm-997-23693314#description https://www.manomano.it/p/morsetto-di-distribuzione-cabur-100a-2p-1000vdc-7f-qblok2100-30154298?product_id=29066802 Poi tali "gruppi morsetti equipotenziali" possono essere fissati sul fondo della scatola dove sono alloggiati. Per la combinazione Scatola - Morsetti : Solitamente i Costruttori delle scatole, se si acquistano anche i loro morsetti, prevedono pure i componenti per il fissaggio delle due parti tra loro. Altrimenti bisogna arrangiarsi con fissaggi di propria invenzione oppure (come fanno molti "velocisti") i gruppi morsetti vengono lasciati flottanti dentro alla scatola, si comprime tutto il "malloppo" con il coperchio della scatola e si chiude con le viti coperchio. ------------------------------------------------------------------ La cosa migliore, dato che immagino tu farai l'impiantino di potenziamento FV per casa tua (o per un conoscente), sarebbe rivolgerti ad un Emporio Elettrico dalle tue parti e, sapendo con precisione cosa chiedere, vedere che cosa possono proporti loro a seconda delle Marche che trattano. ------------------------------------------------------------------- Ovviamente ci sono molte altre soluzioni e la più spartana (ma sempre assolutamente valida se bene eseguita) è quella dei "Mamut" (con una "m" sola anche se poi tutti ne usano 2). Volendo usare i Mamut, (dimensione del Mamut da 10 mm2), nel tuo caso, potresti fare come nello schemino qui sotto : Modificato: 13 giugno 2023 da Maurizio Colombi Uniformata la formattazione del testo.
Semplice 1 Inserita: 12 giugno 2023 Segnala Inserita: 12 giugno 2023 Ciao Skidrow Prima di venire ripreso ... Re-invio lo schema dove per maggiore chiarezza sono state aggiunte le indicazioni F (fase) ; N (neutro) ; T (terra)
del_user_125789 Inserita: 12 giugno 2023 Segnala Inserita: 12 giugno 2023 Semplice 1 Avevo un paio di considerazioni da fare sui contatori , ma il disegno è cosi bello .... Non mi oso farlo .
Semplice 1 Inserita: 12 giugno 2023 Segnala Inserita: 12 giugno 2023 Ciao Sanka Giuliano Osa pure tranquillamente !!! Esporre il proprio punto di vista in modo garbato non comporta nessun rischio. Io ho risposto solo nei limiti che venivano richiesti da Skidrow (almeno per quanto ho potuto capirne io). Non vedo il nesso con i Contatori (immagino quelli di ENEl) ma, se ritieni che la cosa possa avere una reale utilità, puoi dire sicuramente la tua, magari potrebbe esserci qualche aspetto che è sfuggito ...
del_user_125789 Inserita: 12 giugno 2023 Segnala Inserita: 12 giugno 2023 Quote Osa pure tranquillamente !!! è una cosa da niente . Se non ricordo male , devo verificare , i contatori di produzione oggetto a sigillo , devono avere le tratte in cavo non interrotte da giunzioni , derivazioni .ecc ,
del_user_125789 Inserita: 12 giugno 2023 Segnala Inserita: 12 giugno 2023 L'altra non la dico , sempre tecnica è , ma sono certo che andrebbe oltre l'oggetto della discussione e confonderebbe tanto Skidrow Quindi meglio di no .
Semplice 1 Inserita: 13 giugno 2023 Segnala Inserita: 13 giugno 2023 (modificato) Ciao Sanka Giuliano 11 ore fa, Sanka Giuliano ha scritto: è una cosa da niente . Se non ricordo male , devo verificare , i contatori di produzione oggetto a sigillo , devono avere le tratte in cavo non interrotte da giunzioni , derivazioni .ecc , 11 ore fa, Sanka Giuliano ha scritto: L'altra non la dico , sempre tecnica è , ma sono certo che andrebbe oltre l'oggetto della discussione e confonderebbe tanto Skidrow Quindi meglio di no . Anche se ora fornisci una vaga "linea di indirizzo" non riesco ancora ad immaginare di che cosa possa trattarsi. Se ti va di spiegare ... ; altrimenti credo che possiamo chiudere qui, salvo altre problematiche che potrebbero venire proposte da Skidrow . Modificato: 13 giugno 2023 da Semplice 1
Alessio Menditto Inserita: 13 giugno 2023 Segnala Inserita: 13 giugno 2023 Giuliano scrivi pure, poi valutiamo se si va troppo fuori tema o no.
del_user_125789 Inserita: 13 giugno 2023 Segnala Inserita: 13 giugno 2023 Quote poi valutiamo L'uso di mammut come distributore , sopratutto di potenza, è una cosa inguardabile . Mettiamoci pure i ponticelli e diventa una cosa orrenda . Al massimo li userei per una elettro serratura , una fotocellula , ecc , ma non come distributore principale di potenza per un generatore fotovoltaico . Qui le norme non centrano , è una mia personale opinione .
del_user_125789 Inserita: 13 giugno 2023 Segnala Inserita: 13 giugno 2023 Quote devo verificare , Per quanto riguarda il contatore di produzione , se è oggetto di sigillo (piombatura) della linea monte valle , non puoi avere derivazioni in mezzo .
Skidrow Inserita: 24 giugno 2023 Autore Segnala Inserita: 24 giugno 2023 Il 12/6/2023 alle 20:35 , Semplice 1 ha scritto: Ciao Skidrow Prima di venire ripreso ... Re-invio lo schema dove per maggiore chiarezza sono state aggiunte le indicazioni F (fase) ; N (neutro) ; T (terra) Semplice 1 mediante il sistema da te proposto nel disegno porterò in ingresso fase e neutro dal contatore di scambio (non avresti dovuto scrivere "dal contatore di scambio" invece che "al contatore di scambio"?), fase e neutro dall'impianto fotovoltaico da 3 kw e fase e neutro dall'impianto fotovoltaico da 5 kW e in uscita avrò una sola fase e un solo neutro da 6 mm2 che arrivano ai morsetti superiori del generale di casa? In questo modo eviterò di raggruppare su ogni morsetto del Generale Casa ben 3 conduttori (2,5 + 6 + 4mm2)?
Semplice 1 Inserita: 24 giugno 2023 Segnala Inserita: 24 giugno 2023 Ciao Skidrow Qualche possibile soluzione (e anche i componenti commerciali da utilizzare) ti è stata fornita. A partire da questo si possono anche preferire altre soluzioni, miste o di compromesso (che possono anche non soddisfare sempre a fondo il gusto puramente estetico dei vari specialisti di Installazione). Direi che ora (ma forse lo eri anche già da prima) sei sicuramente in grado di fare da te. Comunque, anche per il futuro, il mio caldo consiglio è : perdi un attimo di tempo e, invece di spiegare quello che vuoi fare per scritto, fai sempre uno Schemino e tutto sarà più semplice non solo per te ma soprattutto per chi ti vuole seguire. ------------------------------------------------------------------------- 5 ore fa, Skidrow ha scritto: Semplice 1 mediante il sistema da te proposto nel disegno porterò in ingresso fase e neutro dal contatore di scambio (non avresti dovuto scrivere "dal contatore di scambio" invece che "al contatore di scambio"?) ............................... Veramente, per pura curiosità, ho scorso tutto quanto ho scritto nella discussione ma non sono riuscito a rintracciare la frase che tu riporti. Se la rintracci allora me la puoi segnalare con un "ha scritto" ? Mi sfugge totalmente l'importanza della tua puntualizzazione ! Forse potrebbe assumere qualche rilevanza avendo visione del testo completo ? ... Trattandosi di un discorso a spiegazione di uno Schema le definizioni adottate dipendono dalla logica di impostazione del discorso stesso.
Messaggi consigliati
Crea un account o accedi per commentare
Devi essere un utente per poter lasciare un commento
Crea un account
Registrati per un nuovo account nella nostra comunità. è facile!
Registra un nuovo accountAccedi
Hai già un account? Accedi qui.
Accedi ora