Vai al contenuto

Dubbio schema unifilare impianto ftv con due sezioni


Messaggi consigliati

del_user_311161
Inserita:

Se alcuni dispositivi sono  posizionati nello stesso centralino , sarebbe meglio  confinarli con un quadrato tratteggiato che assegni un nome , esempio QDC ,  quadro DC .

del_user_311161
Inserita: (modificato)

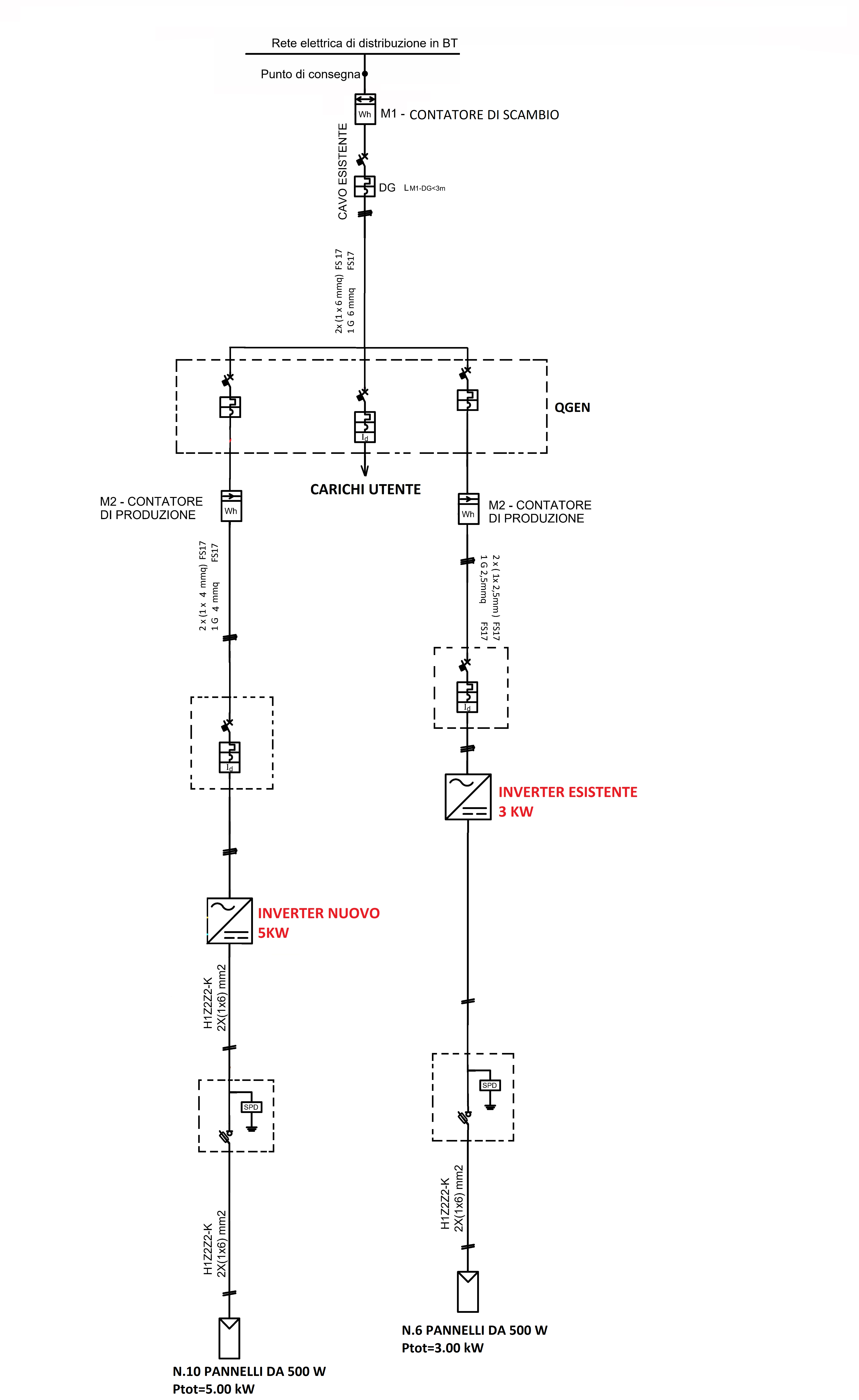
L'inserimento dei contatori ha una grafica particolare , sembrano ma non lo sono , delle inserzioni indirette,  normalmente la linea entrante da sopra , la linea in uscita da sotto . Non laterale come disegnato .Poi devi dare un nome a tutti i componenti nello schema e una identificazione nel circuito con una sigla. Specificare il numero totale dei pannelli nella stringa , possibilmente anche la potenza del singolo pannello . Specificare la potenza DC esatta della stringa . Specificare la potenza e tensione degli inverter.  Specificare La corrente nominale, curva, potere interruzione, corrente differenziale, tipo differenziale , numero dei poli degli interruttori.Specificare tensione UC e UP degli scaricatori DC  . Taglia dei fusibili e curva se vanno inseriti in DC  Non mi viene in mente altra correzione .

Modificato: da contattoNC
  • 2 weeks later...
Inserita:

 

Il 21/7/2023 alle 19:12 , del_user_311161 ha scritto:

L'inserimento dei contatori ha una grafica particolare , sembrano ma non lo sono , delle inserzioni indirette,  normalmente la linea entrante da sopra , la linea in uscita da sotto . Non laterale come disegnato .Poi devi dare un nome a tutti i componenti nello schema e una identificazione nel circuito con una sigla. Specificare il numero totale dei pannelli nella stringa , possibilmente anche la potenza del singolo pannello . Specificare la potenza DC esatta della stringa . Specificare la potenza e tensione degli inverter.  Specificare La corrente nominale, curva, potere interruzione, corrente differenziale, tipo differenziale , numero dei poli degli interruttori.Specificare tensione UC e UP degli scaricatori DC  . Taglia dei fusibili e curva se vanno inseriti in DC  Non mi viene in mente altra correzione .

Allego schema con le principali modifiche suggerite. Devo soltanto inserire le informazioni tecniche per ogni singolo componente. Può andare bene così?

schemaduesezioni.png.60d048bf98b405124c557dacf78e7fa7.png

Crea un account o accedi per commentare

Devi essere un utente per poter lasciare un commento

Crea un account

Registrati per un nuovo account nella nostra comunità. è facile!

Registra un nuovo account

Accedi

Hai già un account? Accedi qui.

Accedi ora
×
×
  • Crea nuovo/a...