panikpan Inserito: 29 marzo 2024 Segnala Inserito: 29 marzo 2024 Buongiorno, mi é stato chiesto di variare la velocità della pompa di un pozzo legandola a tre valori distinti di portata del pozzo stesso. Cerco di spiegarmi meglio. Dall'impianto ricevo due segnali digitali che, in base alla loro combinazione, devono dare come risultato tre valori di frequenza differenti per avere rispettivamente 17m3/h,27m3/h e 40m3/h Dal pozzo posso ricevere, dalla strumentazione installata, un segnale 4/20ma proporzionale alla portata che utilizzerei come ingresso analogico. Metterei un blocco "regolatore PI" che confronta il set point con il valore di ingresso e un'uscita analogica 0/10volt per comandare l'inverter. Quello che non capisco é come fare cambiare il valore SP ,nel blocco regolatore PI, in base alla combinazione degli ingressi digitali. Ho pensato di utilizzare tre blocchi, uno con SP=17,uno con SP=27 e l'ultimo con SP=40 ma come posso selezionarli? Grazie
drn5 Inserita: 29 marzo 2024 Segnala Inserita: 29 marzo 2024 1 ora fa, panikpan ha scritto: un segnale 4/20ma proporzionale alla portata 1 ora fa, panikpan ha scritto: ricevo due segnali digitali che, in base alla loro combinazione, devono dare come risultato tre valori di frequenza differenti per avere rispettivamente 17m3/h,27m3/h e 40m3/h ? O uno o l'altro! Per una cosa così non serve nemmeno un PI, basterebbe una regolazione a gradini con incremento/decremento sulla Analog Out..
max.bocca Inserita: 29 marzo 2024 Segnala Inserita: 29 marzo 2024 Puoi usare il mux analogico, selezioni 4 valori con due bit
a321680 Inserita: 29 marzo 2024 Segnala Inserita: 29 marzo 2024 Per fare quello che hai descritto, usa il blocco multiplexer analogico che ti permette di fare queste selezioni, con la combinazione dei due ingressi (S1-S2) ti da in uscita fino a 4 valori analogici (V1-V4) ed è molto facile e intuitivo da implementare. Questo blocco lo trovi solo su versioni di logo! da OBA5 e successive.
panikpan Inserita: 29 marzo 2024 Autore Segnala Inserita: 29 marzo 2024 Grazie per il consiglio. Proveró con il multiplexer analogico.
panikpan Inserita: 31 marzo 2024 Autore Segnala Inserita: 31 marzo 2024 Buongiorno, credo che il multiplexer analogico non soddisfi le mie esigenze in quanto è vero che in base alle combinazioni delle due variabili in ingresso ottengo in uscita 4 valori analogici ma questi sono predefiniti. Andrebbe bene se le condizioni del pozzo fossero sempre uguali, una volta trovato il valore analogico che mi fornisce la portata richiesta per le varie combinazioni, sarebbe fatta. In realtà il battente del pozzo cambia sempre a secondo delle condizioni meteo (questo è un periodo molto piovoso e ci sono almeno 40 mt di colonna d’acqua sopra la pompa. In periodo di siccità invece posso avere anche solo 25 mt.) e questo influisce sulla portata del pozzo stesso. A parità di frequenza impostata la portata non sarà mai sempre uguale ma cambierà in base alla colonna d’acqua. Nasce quindi l’esigenza di trovare un sistema per confrontare tre valori di set point differenti (17m3/h, 27m3/h, 40m3/h ) con la portata, per dare come risposta un segnale analogico che comanda l’inverter. Per questo avevo pensato di utilizzare tre regolatori PI con tre set point differenti. Quello che non riesco a fare è selezionare il regolatore PI in base alla combinazione degli ingressi digitali. Scusate ma riesco a postare solo questa immagine di pessima qualità, non so come fare diversamente.
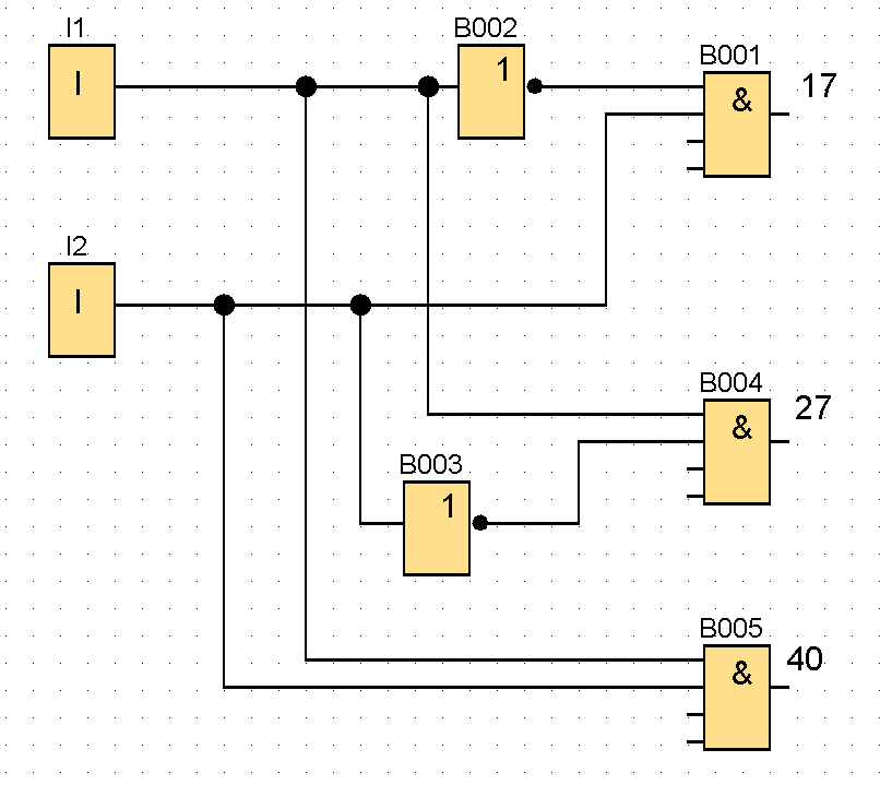
thinking Inserita: 31 marzo 2024 Segnala Inserita: 31 marzo 2024 Mi sembra di capire che ti serve questo:
panikpan Inserita: 1 aprile 2024 Autore Segnala Inserita: 1 aprile 2024 14 ore fa, thinking ha scritto: Mi sembra di capire che ti serve questo: Grazie thinking per la risposta. Questo è il circuito che mi permette di avere tre uscite differenti in base alla combinazione degli ingressi e che collegati al morsetto A/M del relativo regolatore PI lo "attivano". Il problema è da qui in poi, perché non si possono collegare i tre regolatori insieme all'uscita analogica. Ci vorrebbe in mezzo un blocco che raccolga i tre segnali e che venga trasmesso all'uscita solo quello attivo.
Mircoron Inserita: 2 aprile 2024 Segnala Inserita: 2 aprile 2024 Devi collegare l'uscita analogica del multiplexer all'ingresso SP di un unico blocco PI, per far questo devi cliccare sul + sotto al blocco e si apre una finestrella che ti permette di collegare i valori analogici Altro consiglio è di non usare i valori 17, 27 e 40 ma, visto che il logo lavora bene da 0 a 1000, moltiplicare per 10 quindi 170, 270 e 400
Mircoron Inserita: 2 aprile 2024 Segnala Inserita: 2 aprile 2024 E poi devi scalare l'ingresso, cioè fare in modo che il valore analogico della variabile controllata del PI sia 170 quando l'ingresso 4-20 coriisponda al valore di 170
panikpan Inserita: 2 aprile 2024 Autore Segnala Inserita: 2 aprile 2024 9 ore fa, Mircoron ha scritto: Devi collegare l'uscita analogica del multiplexer all'ingresso SP di un unico blocco PI, per far questo devi cliccare sul + sotto al blocco e si apre una finestrella che ti permette di collegare i valori analogici Altro consiglio è di non usare i valori 17, 27 e 40 ma, visto che il logo lavora bene da 0 a 1000, moltiplicare per 10 quindi 170, 270 e 400 Grazie per il consiglio. Provero' cosi
Messaggi consigliati
Crea un account o accedi per commentare
Devi essere un utente per poter lasciare un commento
Crea un account
Registrati per un nuovo account nella nostra comunità. è facile!
Registra un nuovo accountAccedi
Hai già un account? Accedi qui.
Accedi ora