Tutte le attività
- Nell'ultima ora
-
Ctec ha iniziato a seguire Trasformatore senza specifiche
-
Trasformatore senza specifiche
Ctec ha risposto a Marko81 alla discussione in Componenti elettronici ed equivalenze
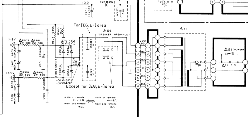
Se non si accende, dubito che tu abbia quelle tensioni di uscita. Questo è il particolare del trasformatore: Il led POWER è alimentato mediante il 10.9V (pin 1 della connessione al trasformatore). La doppia tensione è per la scelta dell'impedenza degli altoparlanti. Notare il fusibile termico montato all'interno del trasformatore (pin 1 lato dx del trasformatore). Spesso è lui che si apre spegnendo tutto. Se puoi, sconnetti i secondari del trasformatore (connettore?) e misura le tensioni a vuoto rispetto al pin 4 (comune poi a massa). Il service manual completo lo trovi qui -
Saeco Talea scarica caffè macinato
caffettino ha risposto a caffettino alla discussione in Piccoli elettrodomestici
Grazie. Operazione fatta. In realtà non ho cambiato l'OR del pistoncino, ma ho solo lubrificato per bene il pistoncino e l'alloggiamento in cui scorre, compreso boccola e OR. ERano totalmente secchi, quindi ho pensato che quello potesse essere il problema, infatti, prima delle lubrificazione il pistoncino era duro persino spingendolo a mano, dopo la lubrificazione è molto più morbido. Pulito anche il filtrino che era piuttosto intasato. Adesso il difetto è sparito. Non trovo più residui di caffè sul fondo della macchina e i fondi escono asciutti e ben formati. Grazie a tutti ! Ora devo risolvere solo il fatto che il caffé esce ancora un po' troppo lungo (anche se abbastanza cremoso) nonostante la manopola apposita sia messa al minimo. -
secondo me devi avere la stessa versione di TIA per fare l'upload
-
Progetto Alimentatore da banco
Mattia0201 ha risposto a Mattia0201 alla discussione in Elettronica generica
Grazie, vedo di correggerlo e controllo U7 e U9 -
Trasformatore di isolamento 230/230 500va
JacobPedro ha risposto a JacobPedro alla discussione in Altro su impianti elettrici civili
Grazie mille ALLUMY -
Tubo a gas, si spegne
Eolox ha risposto a Eolox alla discussione in Scaldabagno - Stufe - Condizionatori/Deumidificatori portatili
potevi dirlo anche prima, adesso rimonto tutto e tido una risposta... -
Richiesta per siti aggiornati riguardanti stazioni emittenti del digitale terrestre per puntamento antenna
moroeno ha risposto a moroeno alla discussione in Impianti TV
Ok Grazie -
Acqua tecnica che trafila nel sanitario a tal punto da corrodere tutto
Orny78 ha risposto a Orny78 alla discussione in Guasti/Problemi Riscaldamento
No non è stato rispettato dagli installatori. L’ho pure specificato -
Termosifone Resnova d’epoca, fermo da anni. Che cosa fare?
Alessio Menditto ha risposto a SuperUCCU alla discussione in Scaldabagno - Stufe - Condizionatori/Deumidificatori portatili
Eh devi, perché il punto è sempre quello, se nell interruttore che può portare X ampere ne passano, per svariati motivi, di più, l’interruttore si fonde. È sempre la stessa prova che va fatta, non è che ci sono novità. -
Tubo a gas, si spegne
Stefano Dalmo ha risposto a Eolox alla discussione in Scaldabagno - Stufe - Condizionatori/Deumidificatori portatili
Scusa , ma tu parti al buio totale !! ma hai guardato quanto ti ho detto ? hai visto se viene raggiunta dalla fiamma ? o la fiamma si allontana , ? c’è un termostato limite in serie alla termocoppia? la termocoppia è collegata al rubinetto , è tutt’una . c’è un dado di ancoraggio sul rubinetto , fosse lento ? -
Termosifone Resnova d’epoca, fermo da anni. Che cosa fare?
SuperUCCU ha risposto a SuperUCCU alla discussione in Scaldabagno - Stufe - Condizionatori/Deumidificatori portatili
Il 10 marzo 2024 le avevo fatte, se guardi il post di quella data le trovi. Posso comunque rifarle se serve -
piergius ha iniziato a seguire Rex fmq51x- salta corrente
-
Rex fmq51x- salta corrente
piergius ha risposto a DarioRFI alla discussione in Forni - Microonde - Cucine
Ora che si è passati alle Forniture Fase230V + Neutro, è il tipico comportamento se il Termostato : . non è in posizione "Ta" , per tagliare la Fase ed impedire qualsiasi Dispersione .. Ma si trova sul percorso tra il Neutro ed il Ritorno comune delle Resistenze, in posizione To . Nel momento in cui interrompe la Corrente di Lavoro, causa un repentino aumento della Corrente Dispersa poiché vengono portate inutilmente tutte le Resistenze per intero alla Tensione di Fase , E il Differenziale viene a lavorare in Area di Scatto . - [Eventuali Verifiche propedeutiche Impostando 250° scatta dopo più di 20 minuti, qualsiasi Funzione venga selezionata ? Se nel frattempo riporti il Termostato verso lo Zero scatta molto prima ? Fai sapere ! ] - Io, via Hardware, procederei così : Preso nota dove lo trovo collegato, Per Prova sposto il Termostato nella posizione "Tb", sul percorso del filo che porta la Fase al Commutatore.. . Se così non scatta piu, conferma che non ci sono guasti, ma il Termostato era cablato per tagliare la "Ex 2^ Fase 127V" , mentre, con la attuale Distribuzione, taglia erroneamente il Neutro . .. Se torna a scattare in qualche posizione del Commutatore, si circoscrivere il campo dove bisogna intervenire.. - Buona serata ! -
Stefano Dalmo ha iniziato a seguire Tubo a gas, si spegne e Pacchetto elettrodomestici cucina
-
Pacchetto elettrodomestici cucina
Stefano Dalmo ha risposto a giuseppemrc alla discussione in Altro su elettrodomestici
Io andrei su bosch -
Encoder rotativo EC16
Livio Orsini ha risposto a Davidesartori alla discussione in Componenti elettronici ed equivalenze
Accodamenti a parte, sempre vietati, l'autore della discussione è inattivo da oltre 1 anno. -
Tubo a gas, si spegne
Eolox ha risposto a Eolox alla discussione in Scaldabagno - Stufe - Condizionatori/Deumidificatori portatili
cavolo, quella e un cassino da cambiare ha due controdati e uno sta dalla parte dove e difficile arrivare, ci provo. Una cosa la termocoppia ha un filo di rame devo seguirlo e cambiare anche quello? grazie, ciao Non riesco bene a smontarla, se le metto un punto di stango con la nuova, al posto di arrivare al dado sotto? - Oggi
-
Termosifone Resnova d’epoca, fermo da anni. Che cosa fare?
SuperUCCU ha risposto a SuperUCCU alla discussione in Scaldabagno - Stufe - Condizionatori/Deumidificatori portatili
I faston sono saldissimi... non saprei che cosa altro fare se non stringerli a morte con la pinza. Le prove di assorbimento le avevo fatte e assorbiva esattamente 1500w Dubito sia il calore che lo fa sciogliere, in quanto l'interruttore si trova in una zona "fredda" del termosifone, ovvero dove non arriva la resistenza, anzi toccandolo anche quando il termosifone è bollente, quella zona è appena tiepidina, mentre l'interruttore scotta già dopo 10 minuti, quando ancora l'apparecchio non è in temperatura... -
Termosifone Resnova d’epoca, fermo da anni. Che cosa fare?
Alessio Menditto ha risposto a SuperUCCU alla discussione in Scaldabagno - Stufe - Condizionatori/Deumidificatori portatili
SuperUCCU ma questa famosa prova che dovevi fare ormai 2 (DUE) anni fa, è stata fatta? Perché è sempre quella di cui si parla…se si fondono dei componenti, bisogna verificare oltre che le giunzioni faston ecc, anche che le resistenze assorbano effettivamente i watt che dicono: ora, dobbiamo aspettare ancora altri due anni o pensi si possa fare prima? -
Tubo a gas, si spegne
Stefano Dalmo ha risposto a Eolox alla discussione in Scaldabagno - Stufe - Condizionatori/Deumidificatori portatili
Il componente a destra è il piezo elettrico . il componente a sinistra è la termocoppia , se si spegne la fiamma è questa che se non viene colpita dalla fiamma fa chiudere il gas , per sicurezza . o magari anche se colpito dalla fiamma, perde il collegamento con il magnete nel rubinetto -
Eolox ha iniziato a seguire Tubo a gas, si spegne
-
Tubo a gas, si spegne
Eolox ha inserito una discussione in Scaldabagno - Stufe - Condizionatori/Deumidificatori portatili
Buona sera Allego una fotografia di un tubo a gas, non è la classica stufetta, ma la componentistica non dovrebbe variare molto ad un occhio esperto. Dopo 15 minuti mi si spegne, il componente a destra cerchiato e molto più facile da cambiare, spero sia lui il colpevole, grazie... -
errore 13 Asko
Daniele.A88 ha risposto a Angelo1299 alla discussione in Lavatrici - Asciugabiancheria
Ciao! L'errore E13 è relativo al motore nelle sue possibili fattispecie. Potrebbe essere semplicemente mancata distribuzione del carico. (Fatto il fagotto e per sicurezza non centrifuga e da E13, redistribuire il carico e ripetere centrifuga). -
Domanda basica su cambio vecchio differenziale
pinballwizard ha risposto a pinballwizard alla discussione in Quadri elettrici civili e terziario
eh eh hai ragione...ansia da prestazione, non ci ho pensato... Ti scrivo un messaggio... -
Collegamenti non a regola d'arte tra fila di pannelli fotovoltaici
Maurizio Colombi ha risposto a Marco1510 alla discussione in Fotovoltaico
Effettivamente è vero, allora non sono più curioso. 🤭 -
Richiesta per siti aggiornati riguardanti stazioni emittenti del digitale terrestre per puntamento antenna
Leone2285 ha risposto a moroeno alla discussione in Impianti TV
Guarda questo: https://otgtv.it/wp/liste/emilia-romagna/ -
ClaudioPe ha aderito alla comunità
-
moroeno ha iniziato a seguire Richiesta per siti aggiornati riguardanti stazioni emittenti del digitale terrestre per puntamento antenna
-
Richiesta per siti aggiornati riguardanti stazioni emittenti del digitale terrestre per puntamento antenna
moroeno ha inserito una discussione in Impianti TV
Ciao a tutti, sto cercando informazioni aggiornate sulle stazioni emittenti del digitale terrestre per la regione Emilia-Romagna, Comune di Savignano sul Panaro Ho trovato questo sito con le frequenze e le mappe delle antenne: 👉 https://www.dtti.it/frequenze/frequenze-emilia-romagna/ …ma mi sembra che non sia aggiornato ultimamente. Infatti, utilizzando un'app per il puntamento dell’antenna, mi segnala che ci sono emittenti in direzione Bologna, mentre sul sito non risultano o sono indicate con posizioni e frequenze diverse. Qualcuno di voi conosce siti più aggiornati o fonti affidabili dove consultare le posizioni degli impianti emittenti, i valori di frequenza e le direttive per il digitale terrestre in Emilia-Romagna, Comune di Savignano sul Panaro? Grazie in anticipo! 🙏 -
Termosifone Resnova d’epoca, fermo da anni. Che cosa fare?
UABC80 ha risposto a SuperUCCU alla discussione in Scaldabagno - Stufe - Condizionatori/Deumidificatori portatili
Non ricordo se lo avevo già scritto, però se i faston non sono ben saldi sull'interruttore accade proprio che ci siano surriscaldamenti (che possono diventare anche molto pericolosi)
