Toeni2013 Inserito: 5 maggio 2022 Segnala Inserito: 5 maggio 2022 Salve e complimenti per il sito. Sono un riparatore hobbista da 30 anni, ma l'esperienza su alcuni argomenti rivela molte mie lacune. Ho in riparazione un mixer amplificato della Yamaha sigla EMX312SC. Entrava in protezione a causa del corto di due finali nello stadio di amplificazione (e rispettive resistenze sugli emettitori). I transistor guasti fanno parte di un collegamento in parallelo di 3 coppie. Chiedo cortesemente ai più esperti se posso sostituire solo quelli bruciati, oppure devo sostituirli tutti abbinandoli con componenti che abbiano un valore Hfe simile? Oppure il circuito così come è stato progettato prevede la compensazione delle differenze di Hfe? Ho acquistato solo due coppie di componenti "selezionati", cioè con Hfe simile. Allego stralcio del circuito con evidenziati i componenti danneggiati. Vi ringrazio e scusate se ho commesso errori nel postare la mia richiesta nella sezione non corretta.
Livio Orsini Inserita: 5 maggio 2022 Segnala Inserita: 5 maggio 2022 (modificato) In genere in questi casi i grandi cosruttori come Yamha montano selezioni di coppie selezionate. In altri termini si selezionano le coppie complementari, per avere la miglior omplementarità, poi si parallelano coppie selezionate, in modo che la terna sia composta da coppie più simile possibile. Il minimo, in caso di riparazione, è sostituire una coppia con altra selezionata. Modificato: 5 maggio 2022 da Livio Orsini
Toeni2013 Inserita: 5 maggio 2022 Autore Segnala Inserita: 5 maggio 2022 Ti ringrazio. Quindi mi consigli di smontare gli altri finali per verificare se il loro hFE è compatibile con quelli che ho acquistato?
Toeni2013 Inserita: 12 maggio 2022 Autore Segnala Inserita: 12 maggio 2022 Il 5/5/2022 alle 11:20 , Livio Orsini ha scritto: In genere in questi casi i grandi cosruttori come Yamha montano selezioni di coppie selezionate. In altri termini si selezionano le coppie complementari, per avere la miglior omplementarità, poi si parallelano coppie selezionate, in modo che la terna sia composta da coppie più simile possibile. Il minimo, in caso di riparazione, è sostituire una coppia con altra selezionata. Livio, ti chiedo gentilmente un tuo parere. Ho smontato un finale funzionante è ho misurato che ha un valore hFE di 78. Le coppie selezionate che ho acquistato hanno invece tale valore a 124. Secondo te è rischioso sostituirli con una tale differenza? Grazie
Livio Orsini Inserita: 12 maggio 2022 Segnala Inserita: 12 maggio 2022 Se sostituisci tutte e 3 le coppie non c'è problema, altrimenti è difficile che tutto funzioni bene.
maxmix69 Inserita: 14 maggio 2022 Segnala Inserita: 14 maggio 2022 In effetti quello schema, avendo resistenze in serie agli emettitori e in serie alle basi dei finali, risento poco della variazione di guadagno. Se leggi la sigla completa dei transitor finali vedrai che dopo la scritta 2SC3519A e 2SA1386A c'è un'altra lettera, che può essere O, P, Y. Questa lettera indica in che range di guadagno è quel transistor specifico. Se lo sostituisci con uno avente la stessa lettera dopo la sigla già funziona senza problemi, IN QUESTO SCHEMA. Certamente se fossero tutti con identico guadagno sarebbe meglio, ma ti ripeto che in quello schema è sufficiente rispettare la lettera dopo la sigla. Piuttosto preoccupati di trovare transistor sicuramente originali, ci sono fake dappertutto con quelle sigle, li monti e come alzi il volume fanno il botto.
Livio Orsini Inserita: 14 maggio 2022 Segnala Inserita: 14 maggio 2022 20 minuti fa, maxmix69 ha scritto: avendo resistenze in serie agli emettitori e in serie alle basi dei finali, risento poco della variazione di guadagno. Se la variazione è contenuta si, ma qui c'è la variazione del 159%!! Inoltre, vista questa variazione di hfe se si confrontassero le curve caratteristiche si avrebbero, quasi certamente, altre differenze non trascurabili. Quando si fanno i paralleli, specialmente su amplificatori che dovrebbero essere HiFi, io sono per usare tutti trasistori con parametri al massimo della omogeneità. Però l'ampli non è mio, quindi il problema non è mio.
maxmix69 Inserita: 14 maggio 2022 Segnala Inserita: 14 maggio 2022 Se prende quelli con la stessa lettera la variazione all'interno di quel gruppo indicata dal costruttore (SANKEN) nel datasheet è nell'ordine del +/- 30% circa, se ho visto bene. Se li prende con lettera diversa, quindi appartenenti a gruppi con guadagno diverso, ovviamente non va bene.
Livio Orsini Inserita: 14 maggio 2022 Segnala Inserita: 14 maggio 2022 Forse ti è sfuggito questo: Il 12/5/2022 alle 13:17 , Toeni2013 ha scritto: Ho smontato un finale funzionante è ho misurato che ha un valore hFE di 78. Le coppie selezionate che ho acquistato hanno invece tale valore a 124. Secondo te è rischioso sostituirli con una tale differenza? Grazie E questa ipotesi che ho sconsigliato. Se sostituisce tutte e 3 le coppie non c'è problema; il problema sorge se lascia una coppia vecchia e ne monta 2 nuove in parallelo.
maxmix69 Inserita: 14 maggio 2022 Segnala Inserita: 14 maggio 2022 (modificato) Chiarito l'equivoco. Io gli ho consigliato di prenderli con lo stesso gruppo di appartenenza, è chiaro che quelli che ha trovato asdesso non vanno bene perchè sono fake oppure hanno un' altra lettera. EDIT: anzi, se non sono fake vanno addirittura bene AMMESSO CHE LA MISURA DEL GUADAGNO SIA STATA FATTA IN MODO ATTENDIBILE, dal datasheet appartengono entrambi al gruppo con la lettera P. Modificato: 14 maggio 2022 da maxmix69
Livio Orsini Inserita: 14 maggio 2022 Segnala Inserita: 14 maggio 2022 Se la misura dello hfe è stata fatta in modo attendibile NON vanno bene visto che i nuovi hanno un hfe pari al 159% del vecchio. Se sostituisce tutte e 3 le coppie allora non ci dovrebbero essere problemi.
maxmix69 Inserita: 14 maggio 2022 Segnala Inserita: 14 maggio 2022 Sarà che non mi ricordo più la matematica, ma 127 non è nemmeno il doppio di 78. Da dove esce il 159%?🤔 A me sembra circa il 65% in più
Livio Orsini Inserita: 15 maggio 2022 Segnala Inserita: 15 maggio 2022 E aritmetica elementare, almeno a me lo hanno insegnato in 4° elementare: si chiama proporzione. Dipende da quale termine usi come riferimento, se usi come riferimento il guadagno del transistor originale hai che il ricambio ha un guadagno pari al 159% circa; se usi il ricambio come riferimento avrai che il guadagno del trasnistor originale è solo il 61.41% di quello del ricambio. Fai la proporzione 127 : 100 = 78 : x ==> 158.9 Se fai la proporzione inversa 78 : 100 = 127 : x ==> 61.41 Puoi anche fare altre 2 proporzioni: 78 : 127 = x : 100 ==> 61.41 oppure 78 : 127 = 100 : x ==> 158.9 Anche se i nunmeri diversi, quello che è innegabile è la grande sproporzione tra i 2 guadagni. Essendo in parallelo, anche con la controreazione di corrente di serie data dai resitori in serie agli emettitori, non recuperi tutto lo squilibrio lo riduci di molto, ma non lo elimini. I costruttori di apparati di ottima qualità selezionano sia l complentarità delle coppie sia la similitudine dei transistors parallelati. Poi, come ho scritto, prima, il problema non è mio quindi non devo risolverlo io. Chi ha il problema ha ricevuto le informazioni, deciderà lui cosa fare.
Toeni2013 Inserita: 17 maggio 2022 Autore Segnala Inserita: 17 maggio 2022 Livio e maxmix69, i vostri suggerimenti sono davvero preziosi. Sono stato fuori e ho letto solo oggi le vostre considerazioni. Non ho ancora rimontato i finali perchè non amo fare esperimenti e voglio essere sicuro che la mia riparazione sia fatta a regola d'arte. La mia umile attrezzatura la potete osservare nelle immagini, sulla loro affidabilità ho seri dubbi. E così come esistono i fake sui componenti (purtroppo ho avuto anche questa esperienza e acquisto solo da rivenditori affidabili), non è escluso che anche il Multi-function TC1 lo sia. Quello che però non sapevo è la preziosa indicazione delle lettere O, P, Y. La misura in foto è stata effettuata sul finale originale, e la lettera incisa è O. Le due coppie che ho acquistato sono invece marchiate tutte con la lettera Y. Avevo già preso contatti con il mio negoziante di Cagliari accennandogli la possibilità di avere componenti vicini al valore che cerco. Quello di sostituire tutte le coppie è sicuramente una soluzione valida, ma ho il dubbio che poi non debba sostituire anche i finali dell'altro canale. Inoltre ho un manuale non completo, nel quale non è indicata la procedura per tarare correttamente le correnti nel caso di sostituzione di tutti i finali. Ma procediamo per gradi. Vi ringrazio
Livio Orsini Inserita: 18 maggio 2022 Segnala Inserita: 18 maggio 2022 20 ore fa, Toeni2013 ha scritto: non è escluso che anche il Multi-function TC1 lo sia. La misura dello hfe potrebbe essere molto imprecisa in termini assoluti; ad esempio se misuri 100 potrebbe anche essere un 80 o 120 reale. Però la misura relativa è, a mio giudizio molto affidabile. Quindi il rapporto tra i 2 guadagni è molto, ma molto, probabilmente quello. Comunque puoi sempre fare una verifica facile facile, baste avere un amperometro-milliamperometro, quelche resistenza ed un qualche trimmer, un alimentatore. Però io non starei a perderci tempo. Per con mio monterei tre coppie del medesimo tipo anche se solo 2 delle 3 sono guaste. 20 ore fa, Toeni2013 ha scritto: Inoltre ho un manuale non completo, nel quale non è indicata la procedura per tarare correttamente le correnti nel caso di sostituzione di tutti i finali. osservando lo schema non ho notato trimmere di aggiustaggio e taratura. A meno che chi siano comoponenti "nominali" ovvero componenti il cui valore non è standard ma è determinato in fase di taratura, la compoensazione si effettua tramite la controreazione di corrente di serie, ottenuta dai resistori in serie ai transistori.
maxmix69 Inserita: 18 maggio 2022 Segnala Inserita: 18 maggio 2022 Se i transistor appartenevano allo stesso gruppo ti garantisco che con quello schema, il quale oltre alle resistenze di emettitore ha pure quelle in serie alle basi, non sarebbe stato necessario misurare alcunchè. Volendo essere pignoli uno se li misura, ma in questo caso veramente non è indispensabile. Dal momento che i finali appartengono a due gruppi diversi volendo cambiare solo i due guasti devi per forza misurarne il guadagno, ma utilizzando una corrente importante. Cioè devi misurare il guadagno per esempio a 2A di collettore, con quello strumentino non ce la fai, pure se con bassa corrente i finali hanno lo stesso guadagno non è detto che aumentando la corrente il guadagno si mantenga simile. Volendo essere ancora più pignoli di te ci vorrebbe un tracciacurve! Per la taratura, vedi che sullo stampato c'è un trimmer, VR104 per un canale, VR103 per l'altro canale e ci sono due test point (due spinotti bianchi o rossi senza nulla collegato) denominati CN103 per un canale e CN102 per l'altro canale. Accendi l'apparecchio senza segnale in ingresso e senza carico in uscita, fai riscaldare 10 minuti, misuri quanti millivolt ci sono nel test point del canale funzionante, poi misuri quanti millivolt ci sono nel canale che hai riparato, eventualmente correggi con il giusto trimmer. QUI trovi il service manual completo e a colori, se ti serve.
Riccardo Ottaviucci Inserita: 18 maggio 2022 Segnala Inserita: 18 maggio 2022 sposto la discussione nella sezione più appropriata
Livio Orsini Inserita: 18 maggio 2022 Segnala Inserita: 18 maggio 2022 3 ore fa, maxmix69 ha scritto: Cioè devi misurare il guadagno per esempio a 2A di collettore, con quello strumentino non ce la fai, pure se con bassa corrente i finali hanno lo stesso guadagno non è detto che aumentando la corrente il guadagno si mantenga simile. Questo lo si vede dal data sheet del transistor. O c'è la curva di hfe in funzione di Ic o danno alcuni valori tipici a 2 o 3 differenti valori di IC. Però anche se la corrente è piccola e sicuramente ci sarà una variazione, in più o in meno, all'aumentare della corrente la differenza percentuale tra i due transistor rimarrà pressochè costante.
Toeni2013 Inserita: 19 maggio 2022 Autore Segnala Inserita: 19 maggio 2022 Il 18/5/2022 alle 08:11 , maxmix69 ha scritto: Se i transistor appartenevano allo stesso gruppo ti garantisco che con quello schema, il quale oltre alle resistenze di emettitore ha pure quelle in serie alle basi, non sarebbe stato necessario misurare alcunchè. Volendo essere pignoli uno se li misura, ma in questo caso veramente non è indispensabile. Dal momento che i finali appartengono a due gruppi diversi volendo cambiare solo i due guasti devi per forza misurarne il guadagno, ma utilizzando una corrente importante. Cioè devi misurare il guadagno per esempio a 2A di collettore, con quello strumentino non ce la fai, pure se con bassa corrente i finali hanno lo stesso guadagno non è detto che aumentando la corrente il guadagno si mantenga simile. Volendo essere ancora più pignoli di te ci vorrebbe un tracciacurve! Per la taratura, vedi che sullo stampato c'è un trimmer, VR104 per un canale, VR103 per l'altro canale e ci sono due test point (due spinotti bianchi o rossi senza nulla collegato) denominati CN103 per un canale e CN102 per l'altro canale. Accendi l'apparecchio senza segnale in ingresso e senza carico in uscita, fai riscaldare 10 minuti, misuri quanti millivolt ci sono nel test point del canale funzionante, poi misuri quanti millivolt ci sono nel canale che hai riparato, eventualmente correggi con il giusto trimmer. QUI trovi il service manual completo e a colori, se ti serve. Grazie infinite 20 ore fa, Livio Orsini ha scritto: Questo lo si vede dal data sheet del transistor. O c'è la curva di hfe in funzione di Ic o danno alcuni valori tipici a 2 o 3 differenti valori di IC. Però anche se la corrente è piccola e sicuramente ci sarà una variazione, in più o in meno, all'aumentare della corrente la differenza percentuale tra i due transistor rimarrà pressochè costante. Grazie Livio
Toeni2013 Inserita: 26 maggio 2022 Autore Segnala Inserita: 26 maggio 2022 Eccomi di nuovo per chiedervi aiuto. Ho sostituito tutti e sei i finali selezionati aventi la lettera finale identica. Ho rimontato il tutto per poter fare le tarature suggerite da maxmix 69, quindi con le piastre "volanti". Ora il mixer si accende ma solo per pochi secondi, poi lampeggiano per un istante le spie "Limiter" (vedi foto) e immediatamente il relè interrompe l'alimentazione, come a rilevare ancora un sovraccarico. Quali passaggi mi suggerite di eseguire? Grazie
maxmix69 Inserita: 26 maggio 2022 Segnala Inserita: 26 maggio 2022 (modificato) EDIT: ho cancellato il commento perchè avevo risposto senza guardare lo schema, la memoria mi ha tradito. Modificato: 26 maggio 2022 da maxmix69
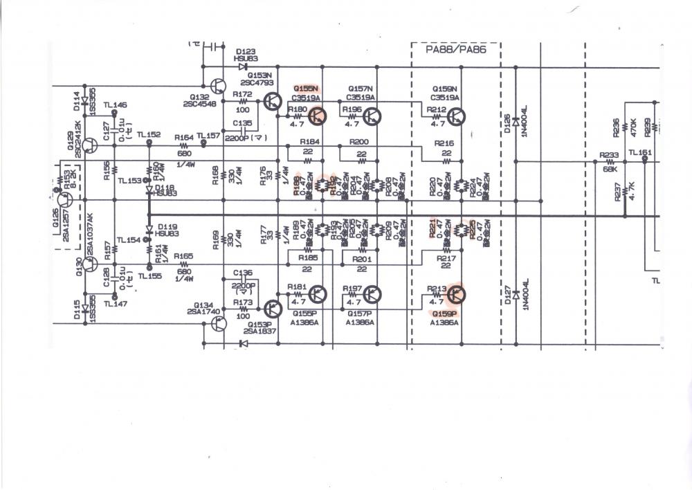
maxmix69 Inserita: 26 maggio 2022 Segnala Inserita: 26 maggio 2022 Allora, guardando lo schema c'è da controllare un sacco di cose, purtroppo. Comincia a controllare, seguendo lo schema, i componenti segnati in rosso nella mia schermata. Dalla mia foto non si capisce, ma se ti scarichi lo schema originale lo puoi ingrandire. Chiaramente non so se ho beccato il canale giusto oppure quello guasto, questo lo dovrai verificare tu.
Toeni2013 Inserita: 27 maggio 2022 Autore Segnala Inserita: 27 maggio 2022 Il 26/5/2022 alle 20:38 , maxmix69 ha scritto: Allora, guardando lo schema c'è da controllare un sacco di cose, purtroppo. Comincia a controllare, seguendo lo schema, i componenti segnati in rosso nella mia schermata. Dalla mia foto non si capisce, ma se ti scarichi lo schema originale lo puoi ingrandire. Chiaramente non so se ho beccato il canale giusto oppure quello guasto, questo lo dovrai verificare tu. Grazie! Il canale è quello corretto, dove ho sostituito i finali. Ora mi metto al lavoro!!
Messaggi consigliati
Crea un account o accedi per commentare
Devi essere un utente per poter lasciare un commento
Crea un account
Registrati per un nuovo account nella nostra comunità. è facile!
Registra un nuovo accountAccedi
Hai già un account? Accedi qui.
Accedi ora