beonardo Inserito: 28 agosto 2022 Segnala Inserito: 28 agosto 2022 Per capire l'efficienza di una testina magnetica, quali controlli posso fare! Grazie
Fulvio Persano Inserita: 28 agosto 2022 Segnala Inserita: 28 agosto 2022 Ciao. Innanzitutto controllare la sua impedenza....
beonardo Inserita: 28 agosto 2022 Autore Segnala Inserita: 28 agosto 2022 Grazie Sig Fulvio per la risposta Quindi con solo tester non è possibile effettuare una ricerca sull'integrità o meno? Pensavo si potesse rilevare effettuando misure col tester "sui punti di arrivo dei fili degli otto canali "durante la registrazione. Il fatto è che il registratore riproduce, ma non registra ne cancella, e prima di smontare l'apparecchio per seguire passo passo il segnale partendo dall'ingresso alla ricerca dell'interruzzione dello stesso, avrei voluto accertarmi sull'integrità delle 2 testine , anche se mi son detto che mi parrebbe impossibile che tutte e due contemporaneamente si fossero guastate. Chiedo venia per le mie deficienza in materia, per la quale cerco aiuti. Grazie
Riccardo Ottaviucci Inserita: 29 agosto 2022 Segnala Inserita: 29 agosto 2022 se non registra non può essere la testina di premagnetizzazione. Se fosse lei a difettare o il suo circuito,registrerebbe senza cancellare. Controlla i commutatori e tutti i contatti
Riccardo Ottaviucci Inserita: 29 agosto 2022 Segnala Inserita: 29 agosto 2022 e fornisci marca e modello del registratore,magari lo troviamo ancora come schema
Peper Inserita: 29 agosto 2022 Segnala Inserita: 29 agosto 2022 Se non e' un modello particolare la testina per registrare e' anche quella per riprodurre, quindi il guasto e' da ricercare altrove.
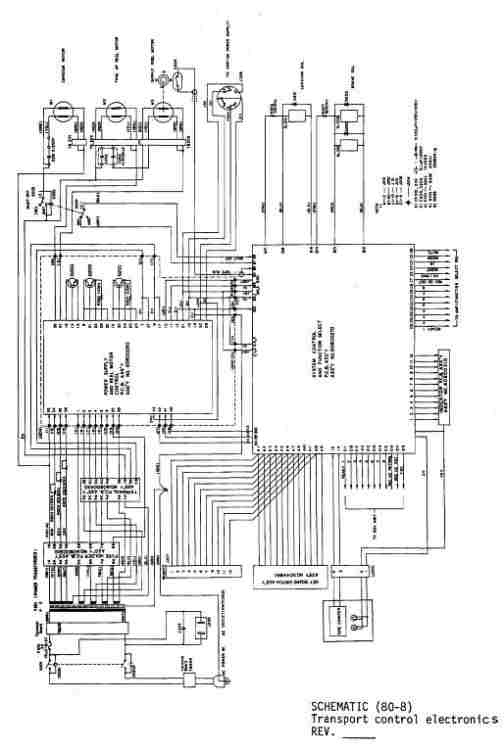
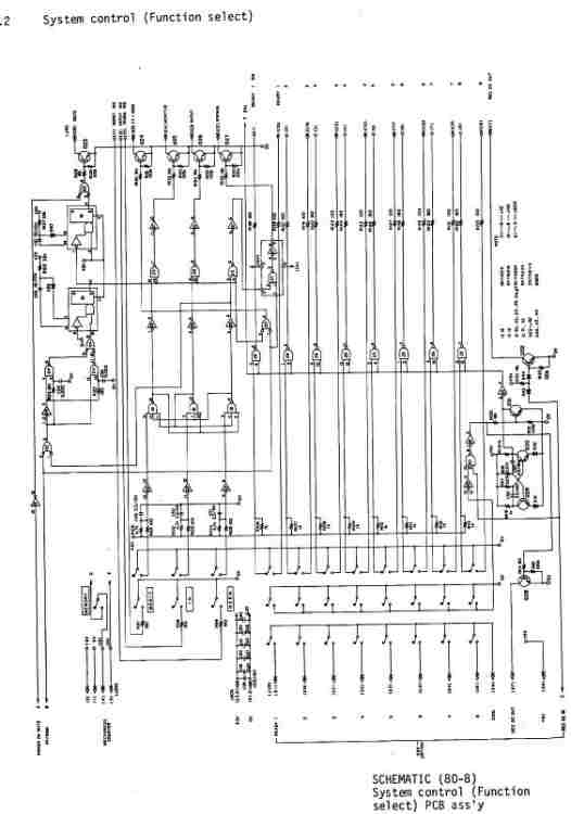
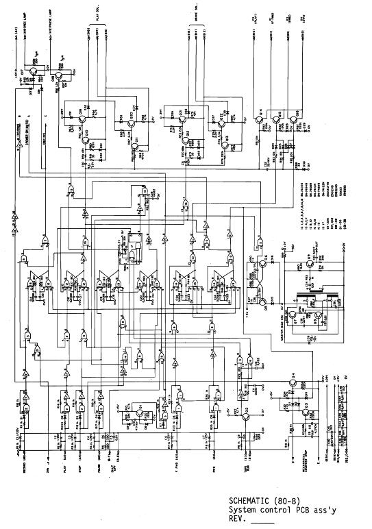
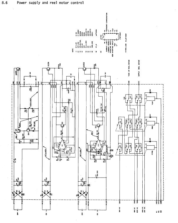
beonardo Inserita: 29 agosto 2022 Autore Segnala Inserita: 29 agosto 2022 Grazie per le risposte E' un TEAK 80-8 per il quale avevo già a voi chiesto consiglio per regolazione velocità e utilizzo CUE Il problema velocità si è risolto con pulizia generale e lubrificazione come da voi suggerito. Il Teac 80-8 è rimasto in cantina " non umida" dal 1998 dopo averlo pulito e lubrificato ho sostitutito uno dei due switch del tendi nastro di destra che era guasto e la molla di richiamo dello stesso. Ho trovato in rete il libretto istruzioni " che ho tradotto completamente con il traduttore online" ci sono 8 schemi, mi si consentone di postarne sei gli altri dueseguiranno nel prossimo post. Ringrazio, mi pongo in attesa di vostri consigli
Peper Inserita: 29 agosto 2022 Segnala Inserita: 29 agosto 2022 (modificato) Ci sono tre testine distinte; una per la cancellazione, una per il monitoraggio e l'ultima per la registrazione e la lettura Quindi e' da escludere un danno alle testine. Domanda per restringere la ricerca: Il problema si presenta uguale su tutti gli 8 canali o solo per alcuni? La spia "record" si illumina? Modificato: 29 agosto 2022 da Peper
beonardo Inserita: 30 agosto 2022 Autore Segnala Inserita: 30 agosto 2022 Si la testina di sinistra io penso sia per la cancellazione, quella centrale per la registrazione e quella di destra per l'ascolto. Manovre che faccio per l'ascolto del nastro . Prelevo il segnale da OUTPUT e lo indirizzo ad un piccolo amplificatore. Ascolto premendo il tasto MONITOR, " in zona OUTPUT SELCT " lo si puo sentire anche premendo il tasto NORM, ma a un terzo piu basso che su MONITOR. REGISTRAZIONE: Il problema di non cancellazione e non registarzione si presenta su tutte le 8 traccie. Descrivo le manovre che compio per la registrazione. Inserisco il segnale prelevato dall'uscita Jak di una radiolina e lo inserisco nel pin INPUT del canale prescelto. Quale verifica, dallo stesso canale OUT prelevo il segnale in uscita e lo inserisco nell'amplificatore e lo verifico in altoparlante premendo il tasto MONITOR " in zona OUTPUT SELCT " Premo il tasto INPUT" in zona OUTPUT SELCT " , la corrispondente luce rossa si accende ed il segnale immesso lo si vede sullo strumento VU ove si puo regolarne l'intensità del segnale manovrando il relativo potenziometro. Premo il tasto del corrispondente canale " in zona FUNCTION SELCT " la corrispondente luce rossa lampeggia. Premo RECORD e tasto di marcia contemporaneamente. La luce rossa di RECORD lampeggia e il segnale continua ad essere visto dallo strumentoVU. Durante la registrazine il segnale arriva all'amplificatore Risultato negativo sia come cancellazione del segnale preregistrato che di registrazione del nuovo segnale immesso. Spero di aver esaudito la richiesta e che si riesca "con pazienza del vostro contributo" a venirne a capo. Grazie PS posto i restanti schemi
Peper Inserita: 30 agosto 2022 Segnala Inserita: 30 agosto 2022 (modificato) 30 minuti fa, beonardo ha scritto: La luce rossa di RECORD lampeggia e il segnale continua ad essere visto dallo strumentoVU. Il manuale dice che quando il led "REC" lampeggia e' in attesa. Quando effettivamente registra il led diventa fisso. Per uscire dallo stato di attesa e' possibile che si debba ripremere il tasto "REC" ? Modificato: 30 agosto 2022 da Peper
beonardo Inserita: 31 agosto 2022 Autore Segnala Inserita: 31 agosto 2022 Forse ho scritto non correttamente MI spiego meglio: Per registrae: Premo il tasto INPUT" in zona OUTPUT SELCT " , la corrispondente luce rossa si accende "fissa" ed il segnale immesso lo si vede sullo strumento VU ove si puo regolarne l'intensità del segnale manovrando il relativo potenziometro. Premo il tasto della pista prescelta " in zona FUNCTION SELCT " la corrispondente luce rossa lampeggia Premo RECORD e tasto di marcia contemporaneamente. La luce rossa di RECORD "si accende e rimane fissa durante la fase di registrazione" e il segnale continua ad essere visto dallo strumentoVU. La luce rossa della pista prescelta che lempeggiava ora rimane fissa Durante la registrazine il segnale arriva all'amplificatore. Scusandomi ringrazio e ti saluto.
Peper Inserita: 1 settembre 2022 Segnala Inserita: 1 settembre 2022 (modificato) Dovresti verificare se arriva il comando "REC" ai canali audio. Dietro ai VUmeter c'e' il cestello degli 8 canali; Sul fondo di questo cestello c'e' un PCB che interconnette tutti i canali. Sul pin 7 del connettore J10 arriva il comando "REC" comune per tutti i canali. Il pin 7 e' connesso al pista n.13 del PCB. Devi verificare se cambia di stato la tensione presente su quel pin 7 o sulla pista n.13 quando va in registrazione. Modificato: 1 settembre 2022 da Peper
beonardo Inserita: 4 settembre 2022 Autore Segnala Inserita: 4 settembre 2022 Per non lasciarti senza notizie inizio con quanto sotto. Premetto che per il momento cerco di evitare di estrarre completamente il telaio delle schede 1° Ho tolto il pannelo anteriore " Gruppo amplificatore Rec/repro “ quello dei VU Sul fondo interno del telaio a sinistra c’è un innesto, I sui fili “giallo e nero “ fanno capo a due schede verdi interconnesse fra loro delle quali posto la foto. Dal disegno dell’esploso ci sono due connettori viengono indicati col N°20, ma qui non li vedo Io penso che gli innesti J10 e J9 siano direttamente saldati sul retro della scheda assieme agli innesti delle 8 schede. Indagherò e ti farò sapere AL FINE COMMENTI POSTO LE FOTO corrispondenti all'argomento in sequenza agli argomenti trattati 2° Ho tolto il posteriore ed ho cercato il PCB da te indicato. Ma in quella posizione estremità destra vista da retro che fuoriesce dalla parte superiore del telaio ci sono soltanto 8 fasci di fili “uno per ogni fessura” che partono dalle schede e vanno a saldarsi alle testine magnetiche. Sopra il telaio c’è una scheda alla quale sono fissati i commutatori FUNCTION SELECT guardando la scheda da dietro, in fondo dove ci sono fissati i commutatori ,nell’angolo destro, vedo : 1° Pulsante d’accensione a due fasi, da li partono quattro fili che vanno alla scheda alimentazione. 2° in prossimità dei commutatori LED di FUNCTION SELECT vi sono 2 innesti i cui fili sono saldati in prossimità dei commutatori LED 3° innesto che nella foto è nascosto va al contatore. FOTO C --------------------------------- Bordo sistro scheda “visto da dietro”c’è un innesto “Foto A “con 2 fili Nero e giallo che vanno a saldarsi sulla scheda posteriore in basso a destra. Vedi foto A e B Sulla foto B in alto a sinistra abbiamo quattro saldature, i fili provengono dalla scheda alimentazione. --------------------- Circa a metà scheda un quarto innesto i cui fili vanno sulla scheda di alimentazione. Sulla stessa foto in fondo a sinistra si notano i due innesti in prossimita commutatori FOTO C______________ Sempre sul bordo scheda “ vista retro” sulla destra abbiamo un innesto a 14 connessioni i cui fili a saldarsi sulla scheda posteriore come da foto. ------------------------ Sulla sinistra sul bordo scheda un poco a lato del centro altro innesto a 18 fili che parte vanno alla scheda alimentatrice e parte ai motori destro e sinistro. ------------------------------- Per contro e vedrai dalle foto dietro il telaio c’è una scheda “verde” fissata sullo schienale dello stesso dalla quale partono e arrivano dei fili dal pannello INPUT e OUTPUT e da altre parti : senz'altro li ci sono i collegamenti dell' J10 Che cercorò di individuare dove possano essere i collegamenti di questo J 10 per il quale qui non vedo innesti poi potrò verificare come dici se cambia di stato la tensione presente su quel pin 7 o sulla pista n.13 quando va in registrazione. Posto anche altre due foto che ritengo possano esserti utili. Grazie, alla prossima.
Riccardo Ottaviucci Inserita: 4 settembre 2022 Segnala Inserita: 4 settembre 2022 (modificato) c'è ossido e polvere sugli zoccoli degli IC. Credo che l'apparato abbia bisogno di un cleaning completo di tutti i contatti e zoccoli Modificato: 4 settembre 2022 da Riccardo Ottaviucci
Peper Inserita: 4 settembre 2022 Segnala Inserita: 4 settembre 2022 (modificato) Non e' necessario accedere al connettore (per il momento) basta fare la misura sulla pista 13 come indicato nella freccia Lì arriva il segnale logico, comune per tutti i canali, per abilitare o meno la registrazione. Modificato: 4 settembre 2022 da Peper
beonardo Inserita: 5 settembre 2022 Autore Segnala Inserita: 5 settembre 2022 Registratore in pausa ma pronto alla registrazione suoni . Sul punto 13 della scheda come da te indicato misuro 93mV Registratore in funzione per registrazione suoni con segnale in INPUT sul punto 13 misuro 93mV durante la fase di registrazione il segnale in uscita del canale corrispondente arriva all'amplificatore. Per usare le tue parole in quel punto non c'è cambiamento di stato a meno che passi in ascolto "e non segna niente"o spenga l'apparecchio"e non segna niente" Ho eseguito un controllo sui pannello dei VU il segnale arriva meno che sul 1 e sul 4. e di conseguenza per questi due non ariva neppure all'amplificatore. Comunque questo è meno importante Importante è riuscire a farlo registrare, certo è che senza il tuo o vostro contributo non riuscirei . Grazie.
Peper Inserita: 5 settembre 2022 Segnala Inserita: 5 settembre 2022 (modificato) Quindi, se ho capito bene, da Play (led REC spento) a REC (led REC acceso) il valore di tensione sulla pista 13 passa da 0 a 93mV ? Se e' così le tensioni sono estremamente basse. Controlla sullo stesso PCB se sulla pista 6 ci sono +5V che sarebbe la tensione di alimentazione dei chip logici quindi deve essere presente in qualsiasi condizione Modificato: 5 settembre 2022 da Peper
beonardo Inserita: 5 settembre 2022 Autore Segnala Inserita: 5 settembre 2022 Sulla pista 13 con Registratore spento misuro 0 V Registratore in play misuro 0V Registratore in REC 93 mV fissi. Durante la registrazione non c'è fluttuazione sempre 93mV domani controllo la pèista 6 Grazie
Peper Inserita: 5 settembre 2022 Segnala Inserita: 5 settembre 2022 (modificato) Filo giallo Modificato: 5 settembre 2022 da Peper
beonardo Inserita: 6 settembre 2022 Autore Segnala Inserita: 6 settembre 2022 Buona giornata Peper ecccomi con la risposta Pista 6 = 5,4V Nel frattempo mi sono accorto per caso che il filo giallo " vedi foto"non faceva contatto , ma una volta rimosso mi son ritrovato due macchie marroni ed ho segnato con due freccie "Nera e Rossa" su quale pista devo saldarlo? E' quella dei 24 V? Chissa che non sia questo filo responsabile del nostro problema. Ciao Grazie
Peper Inserita: 6 settembre 2022 Segnala Inserita: 6 settembre 2022 (modificato) 2 ore fa, beonardo ha scritto: Nel frattempo mi sono accorto per caso che il filo giallo " vedi foto"non faceva contatto Nelle foto precedenti sembrava saldato; non e' che l'ha strappato? Comunque va saldato su quella piazzuola in corrispondenza dove hai messo la freccia rossa (M OSC) 2 ore fa, beonardo ha scritto: Chissa che non sia questo filo responsabile del nostro problema. Non so, salda e prova. No aspetta anche prima era dissaldato, aspetta che dobbiamo vedere a che serve quel filo. P.S prima di saldare, misura che tensione c'e' sul filo giallo dissaldato e sulla pista contrassegnata con +24. Modificato: 6 settembre 2022 da Peper
beonardo Inserita: 6 settembre 2022 Autore Segnala Inserita: 6 settembre 2022 3 ore fa, Peper ha scritto: Nelle foto precedenti sembrava saldato; non e' che l'ha strappato? Puo anche essere, La pista mi segna 24.3V Il filo giallo 0 V quel filo corrisponde all'innesto che vedi nella foto che si trova sulla scheda che porta i commutatori OUTPUT SELECT e FUNCTION SELECT Grazie
Peper Inserita: 6 settembre 2022 Segnala Inserita: 6 settembre 2022 (modificato) Ok! va saldato su quella piazzuola in corrispondenza dove hai messo la freccia rossa (M OSC) Poi prova. Ma la piazzuola in rame c'e' ancora o si e' staccata? Modificato: 6 settembre 2022 da Peper
beonardo Inserita: 6 settembre 2022 Autore Segnala Inserita: 6 settembre 2022 2 ore fa, Peper ha scritto: Ok! va saldato su quella piazzuola in corrispondenza dove hai messo la freccia rossa (M OSC) Poi prova. Ma la piazzuola in rame c'e' ancora o si e' staccata? SI è rimasto un tondino attaccato allo stagno. Allungherò il filo e lo saldo sulla stessa traccia piu avnti. Buona notte e grazie. A domani e
Peper Inserita: 7 settembre 2022 Segnala Inserita: 7 settembre 2022 Mettici una goccia di colla a caldo per prevenire altri strattoni.
Messaggi consigliati
Crea un account o accedi per commentare
Devi essere un utente per poter lasciare un commento
Crea un account
Registrati per un nuovo account nella nostra comunità. è facile!
Registra un nuovo accountAccedi
Hai già un account? Accedi qui.
Accedi ora