beonardo Inserita: 7 settembre 2022 Autore Segnala Inserita: 7 settembre 2022 3 ore fa, Peper ha scritto: Mettici una goccia di colla a caldo per prevenire altri strattoni. Saldatura effettuata, verificato anche che ai capi dell'innesto arrivassero i 24V che leggo 24,3V, messo pure la colla, ma la situazione registarzione cancellazione non cambia. In attesa delle tue indicazioni, ti ringrazio augurando buona giornata. e
Peper Inserita: 7 settembre 2022 Segnala Inserita: 7 settembre 2022 (modificato) Ok ritorniamo alla verifica sulla pista 13 dove c'era quella tensione anomala di 93 mV. Le piste da 9 a 14 sono tutte simili, sono i comandi per le varie funzioni. Rileva le tensioni presenti su queste piste. Dovrebbero essere al di sotto di 1V ma non 0 oppure prossime a 5V. Modificato: 7 settembre 2022 da Peper
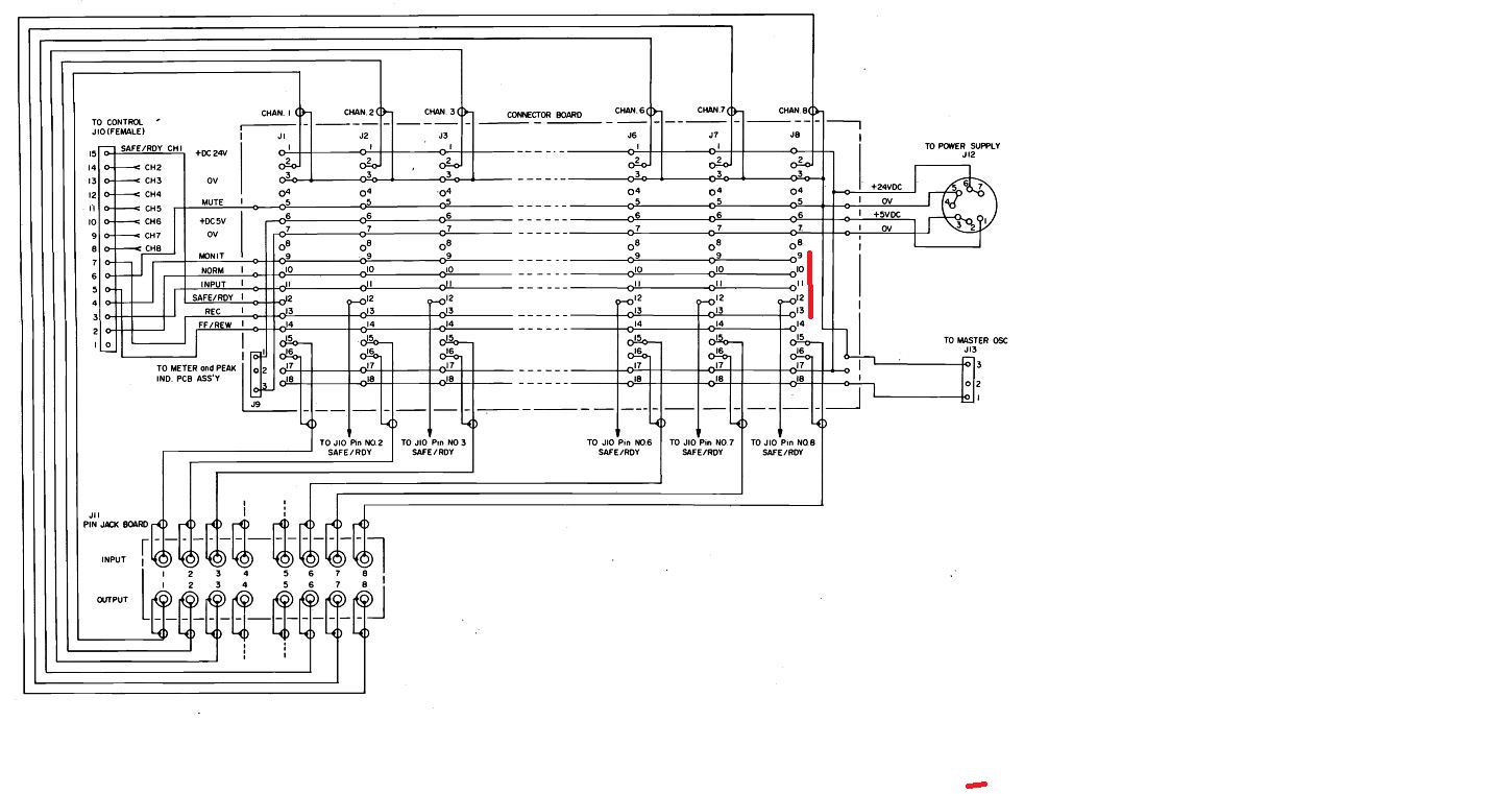
beonardo Inserita: 7 settembre 2022 Autore Segnala Inserita: 7 settembre 2022 8 ore fa, Peper ha scritto: Ok ritorniamo alla verifica sulla pista 13 dove c'era quella tensione anomala di 93 mV. La saldatura che ho fatto dove ti ho anche comunicato che ai capi dell'innesto leggevo 24V,3 mi sono accorto che rispetto alla foto anziche farla in corrispondenza della freccia rossa l'ho fatta in corrispondenza della freccia nera. "spero che le prove effettuate non abbiano arrecato danni" . Ho rifatta la saldatura in corrispondenza della rossa. le misure richieste sono : punti 9 / 10 /13 / 14 = 4,9V Numeri 11 e 12 = 0V Registrazione e cancellazione nulla. Scusandomi per l'errore e incrociando le dita per aiutarmi ad apprendere qualche nozione in più chiedo gentilmente di darmi risposta a questa domanda: Lo schema che allego ho tracciato una riga rossa in corrispondenza dei punti che credo siano quelli che mi hai fatto misurare. Sono nel giusto? Grazie
Peper Inserita: 7 settembre 2022 Segnala Inserita: 7 settembre 2022 (modificato) Scusa ma prima avevi scritto Il 5/9/2022 alle 18:38 , beonardo ha scritto: Sul punto 13 della scheda come da te indicato misuro 93mV non c'è cambiamento di stato a meno che passi in ascolto "e non segna niente" adesso scrivi 1 ora fa, beonardo ha scritto: le misure richieste sono : punti 9 / 10 /13 / 14 = 4,9V Numeri 11 e 12 = 0V ??????????????????????????????? In ogni canale ci sono due relè: quando vai in registrazione li senti scattare? Modificato: 7 settembre 2022 da Peper
beonardo Inserita: 8 settembre 2022 Autore Segnala Inserita: 8 settembre 2022 11 ore fa, Peper ha scritto: n ogni canale ci sono due relè: quando vai in registrazione li senti scattare? I relè che vedo sono tre e sono posti sulla scheda alimentazione . Li vedo scattare tutti e trè sia in registrazione che ascolto. Confermo che il 05 /09/ 2022 le misure sul punto 13 ERANO 93 mv Le avevo misurate piu di una volta. Ma oggi effettuando le misure durante la fase di registrazione mi accorgo che sul punto 13 misuro 0 V zero Riconfermo che dopo aver effettuato la saldatura del filo giallo nel punto di freccia rossa misuro sulla pista 9 / 10 /13 / 14 = 4,9V Numeri 11 e 12 = 0V Ma effettuando le misure durante la fase di registrazione sul punto 13 misuro 0 V zero Proseguo verso nelle misure : pista 15 / 16 = zero V Pista 17 / 24,3 V pista 18 / zero " scheda in alto a sinistra" OV filo giallo "freccai rossa" 5 V filo nero zero V appena più su filo blu 24V / filo bianco zero V Grazie Chiedo gentilmente di darmi risposta a questa domanda: Lo schema che allego ho tracciato una riga rossa in corrispondenza dei punti che credo siano quelli che mi hai fatto misurare. Sono nel giusto? Grazie
beonardo Inserita: 8 settembre 2022 Autore Segnala Inserita: 8 settembre 2022 AGGIUNGO che le misure su effettuate le ho fatte con tasti in pausa di registrazione pista 8 ma senza segnale in ingresso. Forse dovrei rifare il tutto con registratore in movimento sia per ascolto che registrazione?
Peper Inserita: 8 settembre 2022 Segnala Inserita: 8 settembre 2022 (modificato) 44 minuti fa, beonardo ha scritto: Lo schema che allego ho tracciato una riga rossa in corrispondenza dei punti che credo siano quelli che mi hai fatto misurare. Sono nel giusto? Si, sono quelli giusti. Sembrano giuste anche le tensioni, in particolare, quello che interessa per la regisrazione: Sulla pista 13 normalmente la tensione e' +5v e va 0 in REC Sui pin 12 di ogni canale (non e' una pista comune) va da +5V a 0V selezionando il canale corrispondente. Se risulta esatto: In fase di registrazione, prova a selezionare e deselezionare per esempio il canale 1 Si dovrebbe sentire un relè (K2) a bordo della scheda dl canale 1; fai molta attenzione perchè essendo i canali chiusi nel cestello il rumore risulta molto attenuato. Il relè K2 1) connette l'amplificatore alla testina di registrazione, 2) connette l'amplificatore del segnale di BIAS alla testina di cancellazione. Modificato: 8 settembre 2022 da Peper
beonardo Inserita: 8 settembre 2022 Autore Segnala Inserita: 8 settembre 2022 9 ore fa, Peper ha scritto: In fase di registrazione, prova a selezionare e deselezionare per esempio il canale 1 Si dovrebbe sentire un relè (K2) a bordo della scheda dl canale 1; fai molta attenzione perchè essendo i canali chiusi nel cestello il rumore risulta molto attenuato. Gli scatti dei contatti dei rispettivi relè si sento bene su tutti i canali,non posso sbagliare in quanto ho tolto il frontalino dei VU. e si sentono forte e chiaro. Grazie!
beonardo Inserita: 8 settembre 2022 Autore Segnala Inserita: 8 settembre 2022 PS: chiedo scusa, hai definito il relè con la sigla K2 , ma io non riesco ad individuare o comunque mi sfugge questa sigla sugli schemi del TEAK , dove si trova? Tra l'altro mi sono accorto che ho postato uno schema che non è di questo apparecchio, tu te ne sarai accorto è quello con la N che non ricordo da che parte arrivi. Grazie
Peper Inserita: 8 settembre 2022 Segnala Inserita: 8 settembre 2022 (modificato) Di relè K2 ce n'é uno su ogni canale; cerchiato in rosso la bobina, in azzurro gli scambi. Il problema e' che se K2 funziona non so cosa altro guardare. Le parti comuni a tutti i canali le abbiamo controllate. Rimangono le connessioni dai moduli canale alle testine e l'oscillatore BIAS. Io ho scaricato un manuale trovato sul web TEAC Tascam series MODEL 80-8 Modificato: 8 settembre 2022 da Peper
Peper Inserita: 8 settembre 2022 Segnala Inserita: 8 settembre 2022 34 minuti fa, beonardo ha scritto: Tra l'altro mi sono accorto che ho postato uno schema che non è di questo apparecchio, tu te ne sarai accorto è quello con la N che non ricordo da che parte arrivi. Si, ho visto che non c'entra niente.
beonardo Inserita: 9 settembre 2022 Autore Segnala Inserita: 9 settembre 2022 Il 9/9/2022 alle 00:20 , Peper ha scritto: Rimangono le connessioni dai moduli canale alle testine e l'oscillatore BIAS. In attesa di eventuali tuoi nuovi suggerimenti Ho iniziato un controllo di continuità fra i tre connettori RCA presenti su ogni scheda "Rosso/ Gialo / Marrone" e le corrispettive saldature 24 dietro e 24 davanti. I fili si collegano alle testine di cancellazione, registrazione e ascolto. "Vedi nella foto inizio primo post". Non ho riscontrato interruzioni. Oltre che per aggiungere quache altro dato, scrivo anche per saper da te se sono sul giusto. " per mè e scuola" Partendo da sinistra dietro le prime 8 saldature davanti e dietro che fanno capo ai connettori RCA marroni presumo riguardino la testina di cancellazione A seguire altre 8 saldature avanti e dietro RCA Rosso per la registrazione e le Restanti 8 saldature avanti e dietro RCA Arancio per ascolto. CHe dici sfilo ad una ad una le schede e controllo se i contatto dei relè siano efficienti ? Anche se pare impossibile che tutti i contatti di tutte e 8 le schede siano corrotti. però col senno di poi mi dico che il difetto è generale non per una singola scheda. Speranzoso ti saluto e ringrazio.
Peper Inserita: 10 settembre 2022 Segnala Inserita: 10 settembre 2022 (modificato) 3 ore fa, beonardo ha scritto: Anche se pare impossibile che tutti i contatti di tutte e 8 le schede siano corrotti. Infatti e' praticamente impossibile. Si dovrebbe controllare l'oscillatore di BIAS che però funziona a 80/100 KHz. Ma certamente non hai un oscilloscopio. Sul filo giallo che si e' staccato fai una misura in CA con il tester, invertendo anche i puntali. Non so quanto e' attendibile questa misura , in alternativa dovresti realizzare una sonda probe come in figura. Però guardando le foto delle testine mi viene qualche dubbio sul posizionamento del nastro. Il nastro aderisce bene alle testine? il tasto CUE quando rilasciato e quei due pernetti fanno posizionare il nastro nella posizione corretta? Modificato: 10 settembre 2022 da Peper
beonardo Inserita: 10 settembre 2022 Autore Segnala Inserita: 10 settembre 2022 Riguardo al posizionamento del nastro hai visto giusto, ma lo scatto è in posizione di riavvolgimento veloce . Posto sotto quello corretto dove i perni sono sollevati ed il nastro aderisce. Le testine le ho pulite con alccol, di fatto i nastri sono vecchi e lasciano un traccia di sporco, tant'è che dopo un paio d'ore di utilizzo in ascolto devo ripulire la testina e contemporaneamente pulisco anche le altre due. Oggi farò la misura sul famoso filo giallo che ripropongo in quest'altra foto con nuova saldatura e filo allungato in quanto tirava troppo . Misuro = zero volt anche invertendo i puntali. Son certo che la giunta fatta sia corretta in quanto ho staccato la spina a monte controllando la continuità. Per ciò che riguarda la sonda ne ho un paio costruite ai tempi di Sistema Pratico, mi ricordo che funzionavano . Comunque la smomnto e vedo caso mai la rifaccio. A proposito vedo che c'è un diodo al Germanio. Posso sostituirlo con un OA 91? o OA 95/96 Ciao Grazie e buon fine settimana.
Peper Inserita: 10 settembre 2022 Segnala Inserita: 10 settembre 2022 (modificato) 1 ora fa, beonardo ha scritto: A proposito vedo che c'è un diodo al Germanio. Posso sostituirlo con un OA 91? o OA 95/96 Posta lo schema o la foto della sonda che hai già, magari va bene. Buon fine settimana anche a te. Modificato: 10 settembre 2022 da Peper
Peper Inserita: 10 settembre 2022 Segnala Inserita: 10 settembre 2022 1 ora fa, beonardo ha scritto: Posso sostituirlo con un OA 91? o OA 95/96 Va benissimo, basta che sia al Germanio.
beonardo Inserita: 10 settembre 2022 Autore Segnala Inserita: 10 settembre 2022 5 ore fa, Peper ha scritto: Va benissimo, basta che sia al Germanio. Ho tolto i componenti e ho rifatto il tutto come il tuo schema. La sonda funziona, provata sui VU. La misura sul filo giallo punto 18 della scheda mi da 0V anche invertendo i puntali Ti comunico anche questa ennesima prova in REC. Inserisco in INPUT il seganle e lo rilevo da OUTPUT, mando all'ampli . Vado in REC e ascolto ciò che registro. Ciò lo faccio su tutti i canli, uno per volta. IL canale 4 e il 5 non mi restituiscono il suono. Comunque non credo che centri col nostro problenma di registrazione. IL filo che ho risaldato corrisponde al connettore che nello schema " primo di questa pagina " è indicato con J13 ? Dove posizioniamo la sonda? Ciao grazie
Peper Inserita: 10 settembre 2022 Segnala Inserita: 10 settembre 2022 7 minuti fa, beonardo ha scritto: IL filo che ho risaldato corrisponde al connettore che nello schema " primo di questa pagina " è indicato con J13 ? Si esatto, il nero e' la massa, sul giallo devi/dovresti trovare il segnale AF 100KHz. Misura su J13 sull'altro PCB dove e' montato fisicamente l'oscillatore.
Peper Inserita: 10 settembre 2022 Segnala Inserita: 10 settembre 2022 (modificato) Questo e' la parte dello schema dell'oscillatore sul PCB system control Purtroppo sul manuale non e' disegnata la disposizione dei componenti sul PCB, quindi ci dobbiamo arrangiare con le foto Se fai una foto messa a fuoco bene della parte nel riquadro rosso Se le resistenze sono coperte di polvere le pulisci con un po di alcool per capire i colori. Modificato: 10 settembre 2022 da Peper
beonardo Inserita: 11 settembre 2022 Autore Segnala Inserita: 11 settembre 2022 20 ore fa, Peper ha scritto: Se fai una foto messa a fuoco bene della parte nel riquadro rosso Se le resistenze sono coperte di polvere le pulisci con un po di alcool per capire i colori. Allo scopo di sperimentare la sonda ho immesso in imput un suono. Con la sonda ho effettuato una ricerca canal per canale posandomi sulle saldature della scheda verde. Solo sui punti 15 e 2 ho rilevato il suono immesso, sul 2 piu debole che sul 15. Allego le foto che mi hai richiesto spero possano servire,sono più di una ciò per evitare di estrarre la scheda, ma se serve lo farò. Ciao grazie
Riccardo Ottaviucci Inserita: 11 settembre 2022 Segnala Inserita: 11 settembre 2022 (modificato) sarò noioso,ma dalle foto si deduce che ci sono troppi elementi di invecchiamento (ossidi,muffe,polvere del tempo) che non possono che inficiare il buon funzionamento dell'apparecchio. Credo che il problema non sia di qualche componente avariato, quanto degradato dal tempo. Ho visto che ci sono circuiti stampati a doppia faccia connessi tra di loro tramite piazzole arrugginite come arrugginiti sono i pin e gli zoccoli degli IC. E' già tanto che il registratore funzioni in play. Occorre prima bonificare l'apparecchio altrimenti si perde solo tempo.Questo il mio parere Modificato: 11 settembre 2022 da Riccardo Ottaviucci
beonardo Inserita: 11 settembre 2022 Autore Segnala Inserita: 11 settembre 2022 Ha ragione Sig. Ottaviucci, ma ho dato una bella spazzolata, ho pulito le testine, perni e qunt'altro con alcool di fatto in ascolto c'è stata molta differenza, Cerchiamo di evitare di scollegare tutti gli innesti per estrarre la board, appunto perchè le saldature sono vecchie, " e ne ho rifatte quattro sulla scheda verde per i canali 4/5/6 che non si sentivano" . Confido nel gentil impegno di Mr. Peper, nel frattempo imparo. Ringrazio per il vostro gentil impegno e per i suggerimenti. Buon inizio settimana a tutti voi.
Peper Inserita: 11 settembre 2022 Segnala Inserita: 11 settembre 2022 (modificato) Certo ci vorrebbe un bel bagno in alcool isopropilico, disossidante etc. 😆 Comunque con la sonda verifica se c'e' segnale sulla resistenza R92 (390 ohm) lato emettitore di Q9 Se non trovi niente misura la tensione in CC sullo stesso punto e quelle ai capi di R89 (10 ohm) Perchè non giri il cellulare? cosi le foto vengono lunghe e strette Modificato: 11 settembre 2022 da Peper
beonardo Inserita: 11 settembre 2022 Autore Segnala Inserita: 11 settembre 2022 2 ore fa, Riccardo Ottaviucci ha scritto: Occorre prima bonificare l'apparecchio altrimenti si perde solo tempo.Questo il mio parere Volevo aggiungere che foto frontali " impolverate di rosso sono state fatte prima della pulizia. E anche successivamente il nastro vecchio durante le prove continuava a lasciare briciole di color marrone e metalliche, fin tanto che mi sono accorto che una bobina non era ben allineata e gli ho posto rimedio. Ringraziando per i cosigli auguro iBuona serata e inizio settimana.
beonardo Inserita: 12 settembre 2022 Autore Segnala Inserita: 12 settembre 2022 17 ore fa, Peper ha scritto: Perchè non giri il cellulare? cosi le foto vengono lunghe e strette Proverò non ho mai provato. Le foto sin'ora postate riguardano la sheda sulla quale sono montati i commutatori output select e Function select. Domanda :è su questa scheda che devo cercare la R92 e la R89? Chiedo ciò in quanto dalla porziome di schema "dell'oscillatore che mi hai inviato" io ho supposto di trovare un trasformatore e questi ho cercato ma non ho trovato. Ciao grazie
Messaggi consigliati
Crea un account o accedi per commentare
Devi essere un utente per poter lasciare un commento
Crea un account
Registrati per un nuovo account nella nostra comunità. è facile!
Registra un nuovo accountAccedi
Hai già un account? Accedi qui.
Accedi ora