j-man Inserito: 19 ottobre 2022 Segnala Inserito: 19 ottobre 2022 Buongiorno. Mi hanno portato la radio in oggetto: mancano la testina del giradischi ed una valvola EF89, ma la parte audio funziona (toccando lo spinotto dove si inserisce la testina si sente forte e chiaro il classico ronzio). In attesa che arrivino i ricambi ho sostituito la cordicella spezzata del gruppo di sintonia che fa scorrere i due cilindri di ferrite all'interno delle bobine. Due domande: 1) che tipo di colla mi suggerite per fissare i cilindri alla cordicella? Ho provato il frena-filetti Loctite 243 ma non ce la fa... 2) é molto critica la loro posizione? L'ho segnata sulla cordicella rotta per avere un riferimento, ma temo sia un po' approssimativo. Grazie in anticipo.
Riccardo Ottaviucci Inserita: 20 ottobre 2022 Segnala Inserita: 20 ottobre 2022 (modificato) credo che con un po' d'Attak in un paio (non di più) di punti della scanalatura ,e dopo aver allineato frequenza sulla scala parlante ed emittente nota,dovresti risolvere Modificato: 20 ottobre 2022 da Riccardo Ottaviucci
j-man Inserita: 22 ottobre 2022 Autore Segnala Inserita: 22 ottobre 2022 Grazie Riccardo, oggi passo all'azione. Già che ci siamo... sto comprando la EF89 da un venditore francese, scrive che i tubi in vendita sono stati provati con un Metrix LX109A: "Courant anode Ia, pente S, gaz, court-circuits". Mi piacerebbe sapere di più su quello strumento, se non andiamo troppo off topic. Anche perché ho una scatola piena di valvole con la sigla cancellata, e mi chiedevo se potrebbe essere utile per identificarle
Riccardo Ottaviucci Inserita: 23 ottobre 2022 Segnala Inserita: 23 ottobre 2022 dipende dal tempo necessario per ammortizzarlo. Io al massimo posso comprare un altro CH341 🤣
j-man Inserita: 25 ottobre 2022 Autore Segnala Inserita: 25 ottobre 2022 Per carità, nemmeno io ho intenzione di comprarlo... a meno che non trovi un'occasione irripetibile tipo laboratorio che svende tutto. Ero curioso di capire come funziona, tutto qui. Il 23/10/2022 alle 15:03 , Riccardo Ottaviucci ha scritto: dipende dal tempo necessario per ammortizzarlo. Io al massimo posso comprare un altro CH341 🤣 Ah, ho capito. Vuoi programmare la EPROM delle valvole 😂
j-man Inserita: 1 novembre 2022 Autore Segnala Inserita: 1 novembre 2022 E' arrivata la EF89 ma la radio non riceve in alcuna gamma (antenne AM e FM collegate). Sul condensatore di filtro ci sono 210 volts di anodica e sui filamenti ci sono 6,5 volts. In posizione Fono il segnale audio esce forte e chiaro toccando il contatto della testina mancante. Grazie in anticipo per i suggerimenti...
Riccardo Ottaviucci Inserita: 2 novembre 2022 Segnala Inserita: 2 novembre 2022 ci vorrebbe un generatore modulato AM FM. Le tensioni sulla convertitrice ci sono? E sulla griglia schermo della EF89?
j-man Inserita: 6 novembre 2022 Autore Segnala Inserita: 6 novembre 2022 Grande Riccardo. Come da te ipotizzato c'era una resistenza da 100 kohm interrotta tra l'alimentazione ed il piedino 2 della EF89. Ora l'FM si sente perfettamente: stasera proverò onde corte e medie.
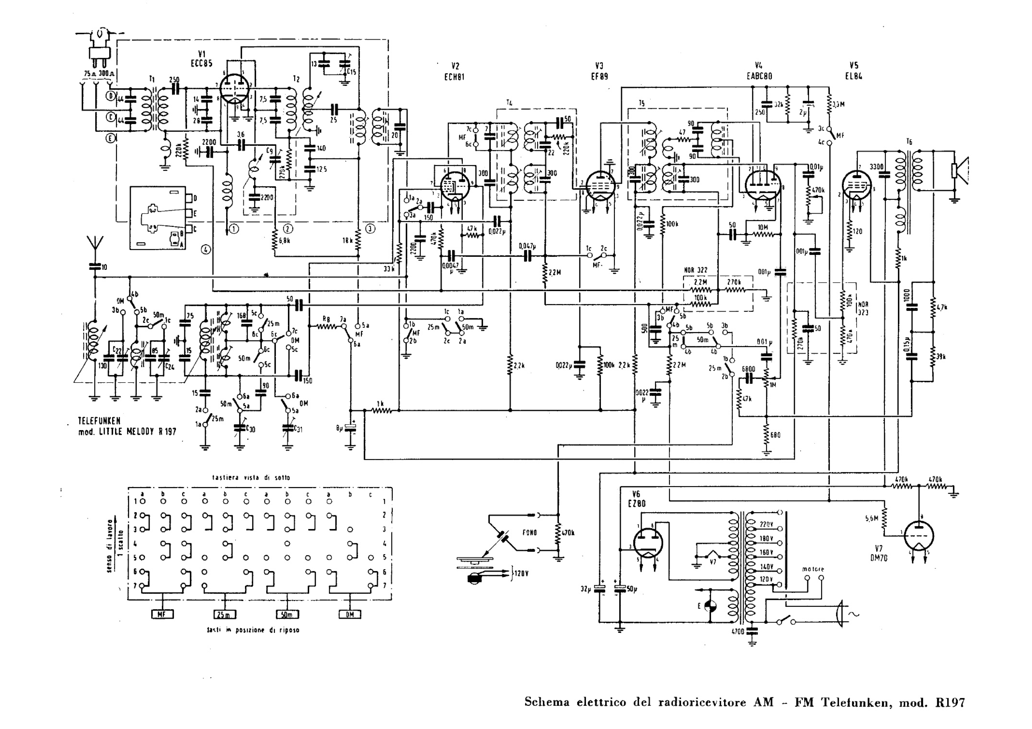
j-man Inserita: 8 novembre 2022 Autore Segnala Inserita: 8 novembre 2022 Il 20/10/2022 alle 13:56 , Riccardo Ottaviucci ha scritto: dopo aver allineato frequenza sulla scala parlante ed emittente nota Dunque, l'indicatore di sintonia é montato correttamente e coincide a fondo corsa sia destra che sinistra, però la gamma FM é tutta spostata in avanti di circa 6 Mhz: invece di 88-102 circa ricevo le stazioni da 94 a 108 Mhz. Ho scoperto che il gruppo sintonia in oggetto e in foto - quello con la cordicella e le barrette di ferrite - serve solo per onde medie e corte: la gamma FM viene sintonizzata da un altro gruppo comandato dalla camma meccanica e dall'ingranaggio della puleggia di sintonia, visibili in alto a sinistra nella prima foto.
Riccardo Ottaviucci Inserita: 8 novembre 2022 Segnala Inserita: 8 novembre 2022 auguri allora per l'allineamento dell'oscillatore locale
j-man Inserita: 8 novembre 2022 Autore Segnala Inserita: 8 novembre 2022 Ma come ha potuto stararsi da solo? A meno che qualcuno non ci avesse pasticciato in precedenza... ma dagli strati di polvere che ricoprivano l'apparecchio mi sembra poco probabile. Se il rischio é quello di far danni peggiori preferisco rimontarla così com'é.
Riccardo Ottaviucci Inserita: 8 novembre 2022 Segnala Inserita: 8 novembre 2022 forse l'allineamento è più meccanico che elettrico.Io proverei a ritoccare C15,ovviamente segnandosi la posizione iniziale
j-man Inserita: 9 novembre 2022 Autore Segnala Inserita: 9 novembre 2022 Ho cercato di cambiare la posizione di aggancio tra camma e ingranaggio: ovviamente le stazioni si spostano verso la posizione corretta, ma il fondo corsa va a finire in mezzo alla scala di sintonia. Provo il tuo suggerimento, grazie mille come sempre.
Messaggi consigliati
Crea un account o accedi per commentare
Devi essere un utente per poter lasciare un commento
Crea un account
Registrati per un nuovo account nella nostra comunità. è facile!
Registra un nuovo accountAccedi
Hai già un account? Accedi qui.
Accedi ora