Luckyx Inserita: 13 gennaio 2023 Autore Segnala Inserita: 13 gennaio 2023 Ed effettivamente com accennavi il 3V viene generato sulla mainboard però dal 12V. Giusto?
3kek1 Inserita: 13 gennaio 2023 Segnala Inserita: 13 gennaio 2023 (modificato) Non capisco cosa possano fornire i 12v in stato di spento comunque sembra di si.. è tutto strano sto tv.. fai una foto o metti la sigla della scheda alimentazione.. anche fornendo due tensioni in standby non vedo ragione che una sola sia presente, l'alimentatore deve essere uno solo.. Modificato: 13 gennaio 2023 da 3kek1
3kek1 Inserita: 13 gennaio 2023 Segnala Inserita: 13 gennaio 2023 in basso c'è il trasformatore dello standby, accanto un solo diodo, sembrerebbe che esca una sola tensione, siamo sicuri che il 5v esca giusto e dai pin del 5v? Se hai gli schemi magari posta il link
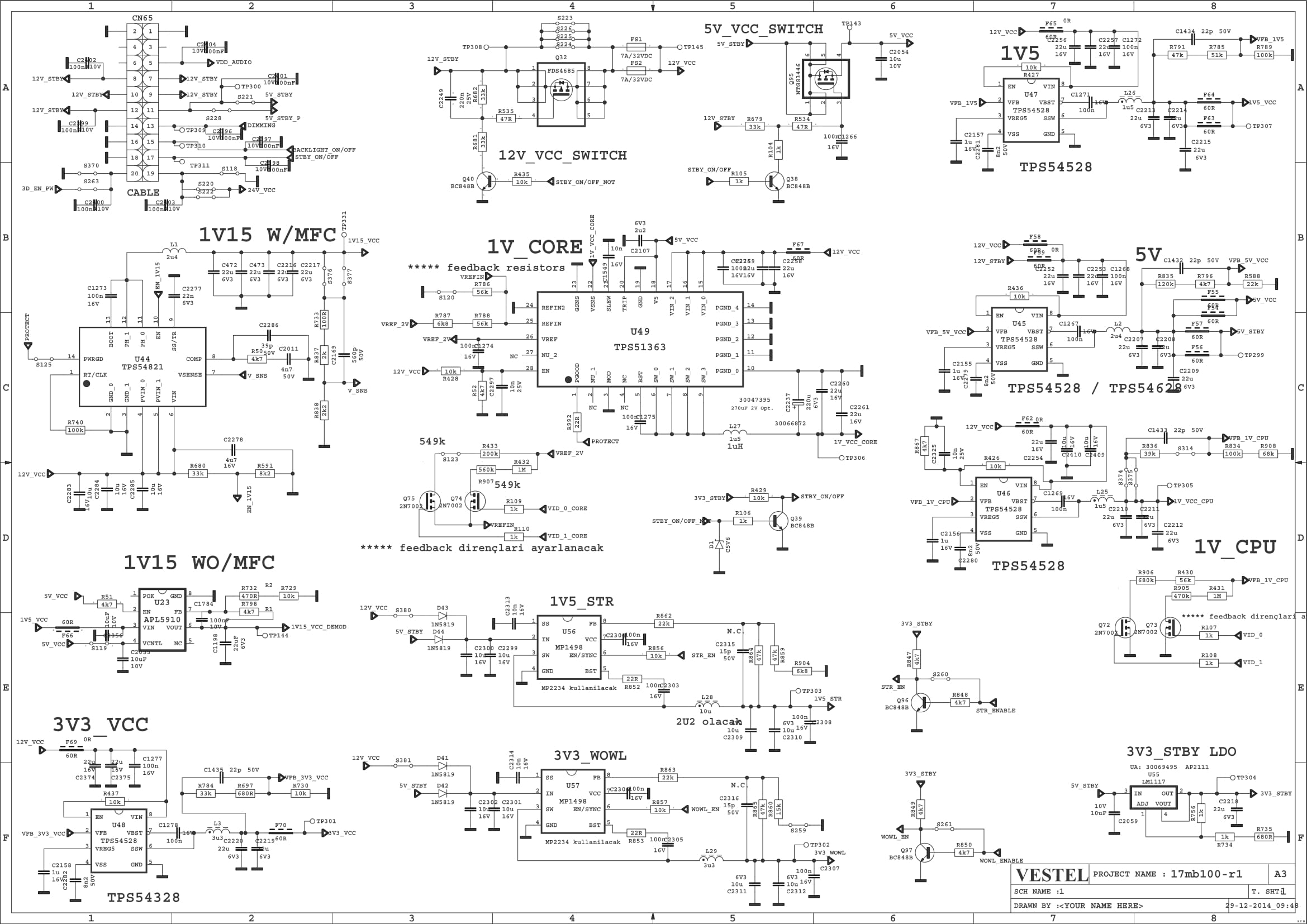
Luckyx Inserita: 14 gennaio 2023 Autore Segnala Inserita: 14 gennaio 2023 Purtroppo come anticipato non trovo lo schema, ho pure provato a scrivere a vestel in turchia ma non rispondono. L' unico che gira in rete è quello indicato da SAE. Il fatto che debbano essere altre alimentazioni sul connettore l' ho dedodtto dall schema service (come quello indicato da sae) dove si vede la piedinatura del connettoe CN65, anche se mi sembra che qualcosa non concide mi sono affidato a quei valori per alcune verifiche. A parer tuo quindi l' unica alimentazione che dovrebbe essere disponibile sul connettore dovrebbe essere quella del traformatore sotto?
3kek1 Inserita: 14 gennaio 2023 Segnala Inserita: 14 gennaio 2023 Io pensavo fosse lo schema giusto del connettore, se non hai una tabella stampata sulla scheda della piedinatura occorre capire se per caso l'alimentatore ac-dc genera un 12v che viene abbassato per formare una seconda linea da 5v con un reg. lineare sotto alla scheda, fai una foto quindi, questo però vorrebbe dire che hai la 12v bassa che misura 5 o circa , dimmi tu quanto, e la 5v di conseguenza non viene generata
Luckyx Inserita: 15 gennaio 2023 Autore Segnala Inserita: 15 gennaio 2023 Schusate, mi sono sbagliato più volte in precedenza citando Sae come riferimento schemi. Gli schemi che ho trovato sono gli stessi che cita Verghi1. Per il connettore CN65 ho supposto corretto come nello schema e in parte coincide, ma come scritto in precedenza l' unica tensione che leggo è 5V. Forse per mancanza di consenso se deve essere fornita una sola tensione in stand-by. Giusto? Lo schema dell' alimentatore invece non mi sembra lo stesso, in quanto quello del link è 17pw03 senza suffisso mentre nel mio caso si tratta 17pw03-9 credo sia una revisione successiva e guardando i riferimenti dei trasfomatori, condesatori, diodi, etc... di fatti non corrispondono. Mi sono accorto però che sull' interruttore ho solo 110V non 220. Secondo voi è normale?
VERGHI1 Inserita: 15 gennaio 2023 Segnala Inserita: 15 gennaio 2023 L'interruttore del tv dovrebbe essere collegato alla 220/30v ac della rete elettrica e così deve essere!!!..... una domanda: ma che tester usi è ok?
Luckyx Inserita: 15 gennaio 2023 Autore Segnala Inserita: 15 gennaio 2023 Scusate, ho sbagliato ad attaccare il riferimento di massa puntale nero del tester, confrmo che ho i 220 Confermo che dal trasformatore della foto fornita esce solo il 5V, che però a circuito aperto (connettori scollegati) mi da solo 4,22 V in continua. Se fosse effettivamente un 5V, senza carico non dovrebbe essere 5V o poco più?
Luckyx Inserita: 15 gennaio 2023 Autore Segnala Inserita: 15 gennaio 2023 Inoltre per quanto riguarda gli schemi sembra che meglio di quello indicato 17PW03 senza suffisso ance se diverso sembra che quello che ho trovato 17pw03-5 (https://archive.org/details/OEM_Vestel_17PW03-5/page/n1/mode/2up?view=theater) sembra avere migliore corrispondenza, comunque non completamente identico.
3kek1 Inserita: 15 gennaio 2023 Segnala Inserita: 15 gennaio 2023 (modificato) Non ha assolutamente senso che a carico ha una tensione maggiore che a vuoto, 4,22 non sono ok, non hai fatto la foto del sotto scheda, è piu importante che cercar schemi che di solito non si trovano, fai anche una foto ravvicinata della zona della penultima foto, sotto. Modificato: 15 gennaio 2023 da 3kek1
Luckyx Inserita: 15 gennaio 2023 Autore Segnala Inserita: 15 gennaio 2023 Eccole: Inoltre dopo un po di verifiche ho trovato che sia 24V che 12V che dovrebbero uscire da TR201 e TR202 non escono perchè mancano 400V in ingresso per mancanza del sengala HO che dovrebbe arrivare da IC202 (FAN7621) Cerco il datasheet. Sto cercando di andare a ritroso fino a capire dove s' interrompe.
3kek1 Inserita: 15 gennaio 2023 Segnala Inserita: 15 gennaio 2023 Sono arrivato in ritardo.. in questo riquadro dimmi come sono segnate la R315 e R316..
Luckyx Inserita: 15 gennaio 2023 Autore Segnala Inserita: 15 gennaio 2023 Non ho capito bene la domanda comunque nello schema 17pw03-5 come segue: In realtà credo che R316 sia diversa Ma le ho misurate sulla scheda ed il multimetro mi da R316 = 150 ohm mentre R315 = 3,3 Kohm
3kek1 Inserita: 16 gennaio 2023 Segnala Inserita: 16 gennaio 2023 dunque 4,22 è giusto anche se è una tensione strana e il partitore è collegato ad altro quando il tv è acceso probabilmente e sale a 5v il 4,22 anche se non ho ben capito come, forse ci sarà un partitore esteso da acceso, ora sono stanco per capire, domani mi guardo meglio le foto
Luckyx Inserita: 17 gennaio 2023 Autore Segnala Inserita: 17 gennaio 2023 (modificato) Se non ho capito male su con dell ic202 (fan7621) dovrei avere un minimo di tensione per dare il consenso ai trasformatori TR200 e TR201, ed invece tutto a zero. O forse prima di quello devo individuare la parte alimentazioni di stand-by? Modificato: 17 gennaio 2023 da Luckyx
3kek1 Inserita: 17 gennaio 2023 Segnala Inserita: 17 gennaio 2023 (modificato) nel post di Domenica alle 19, mi devi rifare la seconda foto perché il flash disturba.. sembrerebbe che nonostante i tanti pin il piccolo trasfo ha due sole uscite, se è confermato allora è tutto come prevedevo all'inizio, ovvero alimentatore con una sola tensione di standby 5v e problema software.. Nota per lo staff: non sarebbe meglio indicare nel regolamento di non usare possibilmente il flash e lampade dirette per le foto di schede? È noioso ripeterlo.. Modificato: 17 gennaio 2023 da 3kek1
Luckyx Inserita: 17 gennaio 2023 Autore Segnala Inserita: 17 gennaio 2023 OK, al rientro rifaccio la foto. nel frattempo non so se questo estratto da 17pw03-5 può aiutare Se il problema è software non capisco però come fa a funzionare la flash 25L1606E senza una tensione.
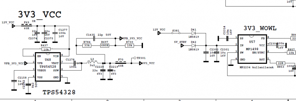
Luckyx Inserita: 17 gennaio 2023 Autore Segnala Inserita: 17 gennaio 2023 Chiedo anche, in base agli schemi presenti nel manuale di servizio (un estratto qui sotto) come condiviso da verghi a quanto indicano ci dovrebebro essere anche altre tensioni standby CN65. es.12V_standby. Mi sfugge qualcosa o dici che il manuale di servizio non è quello giusto? Grazie mille
Riccardo Ottaviucci Inserita: 17 gennaio 2023 Segnala Inserita: 17 gennaio 2023 5 ore fa, 3kek1 ha scritto: non sarebbe meglio indicare nel regolamento di non usare possibilmente il flash e lampade dirette per le foto di schede? magari lo leggessero tutti!
3kek1 Inserita: 17 gennaio 2023 Segnala Inserita: 17 gennaio 2023 (modificato) 1) ne abbiamo gia discusso, non mi ripeto, se vuoi segui le indicazioni 2) Non postare continuamente pezzi di quello schema, non combaciano affatto 3) Si saranno in pochi a leggerlo 4) Nuovo bug scoperto da qualche tempo sul sito, spesso a fine linea si rifiuta di andare a capo nell'editor... sob! PS: ho scaricato ancora la foto dal sito e vedo bene che esce solo il 5v, confermo guasto software Modificato: 17 gennaio 2023 da 3kek1
Luckyx Inserita: 17 gennaio 2023 Autore Segnala Inserita: 17 gennaio 2023 Chiedo venia per la foto, ma per l' ingombro che ha non si trova in un locale comodo. Comunque ho fatto 2 foto senza flash illuminando con lampada neon, spero che vadano meglio. Garazie
3kek1 Inserita: 17 gennaio 2023 Segnala Inserita: 17 gennaio 2023 avevo aggiunto una postilla, leggi..
Luckyx Inserita: 17 gennaio 2023 Autore Segnala Inserita: 17 gennaio 2023 Ok non posto gli schemi, magari non combaciano completamente ma alcune parti si (in particolare del 17pw03-5) e purtroppo non ho trovato nulla di meglio. Per quello di service concordo che ha tante/troppe differenze Comunque per quanto riguarda la memoria contenente il software incriminato, che se non ho capito male dovrebbe essere il 25L1606E non capisco come può essere solo un problema software se è totalmente sprovvista di alimentazione sia su VCC che su CS? Posso controllare altro? Se effettivamente serve il ripristino software come posso risolvere? (rimane il discorso serve programmatore e non si trova file) Grazie
3kek1 Inserita: 17 gennaio 2023 Segnala Inserita: 17 gennaio 2023 avevo spiegato che quella memoria non c'entra, se rileggi indico la flash u31 da riprstinare, l'unica cosa che puoi fare è informarti da Panasonic o altrove su come ripristinare da usb, sempre se esiste quel modo, non ti posso aiutare piu, non so niente su questo modello.
Messaggi consigliati
Crea un account o accedi per commentare
Devi essere un utente per poter lasciare un commento
Crea un account
Registrati per un nuovo account nella nostra comunità. è facile!
Registra un nuovo accountAccedi
Hai già un account? Accedi qui.
Accedi ora