Tutte le attività
- Nell'ultima ora
-
Scatti aleatori di uno o due differenziali
piergius ha risposto a scalzomen alla discussione in Scatti intempestivi dei differenziali
La Pinza legge già la " Somma Vettoriale" delle Correnti circolanti nei Conduttori che sta abbracciando . La figura mostra alcuni esempi : . Lungo il percorso del filo Giallo-Verde e sue ramificazioni si rileva la Corrente Dispersa tramite l' Impianto di Terra . .. Abbracciando Fase, Neutro e Terra si evidenziano ulteriori Dispersioni verso Masse metalliche (tubature, recinzioni, ferri cemento armato...) ... Abbracciando i soli 2 Conduttori Attivi si misura la Dispersione Totale, della Dorsale e successive Diramazioni, fino a raggiungere i Carichi, annotando quanto disperde ciascuno . - Come già detto, capita di trovare Sbilanci superiori a 30mA, tipicamente dove una Luce Deviata sta prelevando Fase da una Cassetta e Neutro da un' altra . - Buona notte ! -
Ferro da stiro Rowenta Dg8410 esce acqua dalla piastra
Stefano Dalmo ha risposto a carloph alla discussione in Piccoli elettrodomestici
Ma scusa se non si riscalda più , ma cosa vuoi che possa essere successo , non lo può sapere nessuno e non serve a niente ipotizzare , devi aprire e vedere che è successo . Il led spia si accende sul ferro ? Se non si accende apri la parte posteriore del ferro e controlla se tra il cavo marrone e azzurro c’è la 220 , se c’è devi aprire il ferro e mettere a vista la piastra e tutti i componenti , se la 220 non c’è si deve vedere se dalla caldaia parte la 220 dagli stessi fili -
Ferro da stiro Rowenta Dg8410 esce acqua dalla piastra
carloph ha risposto a carloph alla discussione in Piccoli elettrodomestici
Oki, cosa cerco? Domanda, forse stupida: cosa potrebbe essere successo, visto che prima di aver tolto il calcare, funzionava e dopo non più? -
aiuto per vecchissimo citofono urmet
Roberto Garoscio ha risposto a blueworld2000 alla discussione in Citofoni, videocitofoni e intercomunicanti
Che alla Urmet non ti sappiano aiutare mi sembra strano, a chi hai chiesto? 1130/16 o 1133/15. Resta comunque indispensabile trovare la scheda di interfaccia per capire i collegamenti e di conseguenza il codice appartenente l’uscita di quel utente. -
Esce acqua da sfiato air breack
Stefano Dalmo ha risposto a Cris84 alla discussione in Lavastoviglie
Attenzione , che potrebbe essere tappato l’addolcitore con le resine o il circuito a seguire . E magari perciò si è spaccato il vecchio air break . stacca l’air break dall’addolcitore , mettilo in un recipiente e vedi se esce acqua , avviando in programma , se esce l’acqua dall’air break , che dimostra che l’elettrovalvola funziona e l’air break è buono , ovviamente è nuovo , devi controllare dove è otturato il circuito a seguire , contenitore resine e sale e condotto fino al pozzetto . Non si capisce bene se l’hai provata prima di metterla nell’incasso e funzionava , ma se fosse così , nel buttare la lavastoviglie nel vano si è piegato il tubo di carico , devi tirare un po in avanti la lavastoviglie e mentre la spingi dentro , devi tirare il tubo di carico verso il lavandino , non so se mi sono spiegato -
Comelit 2603u
Rino85 ha risposto a Rino85 alla discussione in Citofoni, videocitofoni e intercomunicanti
-
Parametri PID_Compact Ottimali
Marco Fornaciari ha risposto a Davide.Paio alla discussione in S7-1500
La tua spegazione mi pare incompleta, pertanto tre domande: 1- i due pistoni sono comandati in spinta solo dalla pressione, quindi trasduttore di pressione comanda direttamente l'avanti, e il ritorno è fatto dal filo diamantato quando la pressione si riduce o/e va a zero? 2- hai due valvole, una di avanti e una di indietro, quindi a valle della valvola di avanti c'è il regolatore di pressione? 3- è il regolatore di pressione che oltre a regolare comanda l'avanti-indietro dei pistoni gestendo direttamente delle valvole? Magari se metti uno schizzo del sistema è si capisce meglio. Dopo la/e risposte si vede il resto. Prima di valutare il PLC bisogna valutare quanto sopra: di fatto l'applicazione è pure banale. -
CANDY CDI 1012 - SCARICA e non fa altro.
nazzica71 ha risposto a nazzica71 alla discussione in Lavastoviglie
sono pronto a gettare la spugna. apro controllo, rimonto la scheda, e la macchina parte e fa il programma di ammollo regolarmente... rimonto tutto... accendo per fare un programma completo, e si pianta sullo scarico... inverto la polarita' della presa di corrente... e si fa' quattro cicli completi... rimetto la lavastoviglie al suo posto... un ciclo normale ok... poi imazzisce di nuovo. la strada della discarica e' tracciata !? N. -
Cris84 ha iniziato a seguire Esce acqua da sfiato air breack
-
Buonasera, ho montato il nuovo airbreack tutto funzionate, rimonto tutto oggi la faccio partire dopo un po non sentivo entrare acqua e si accendono tutte le spie seguite da più bip. Dopo mi accorgo che l acqua era chiuda, spengo tutto apro l acqua parte dopo un po che lavava si blocca nuovamente. Ora fa così si blocca dopo poco Spie accese
- Oggi
-
Accendere led con assorbimento in CC
Nik-nak ha risposto a Ugo2002 alla discussione in Elettronica Fai da te
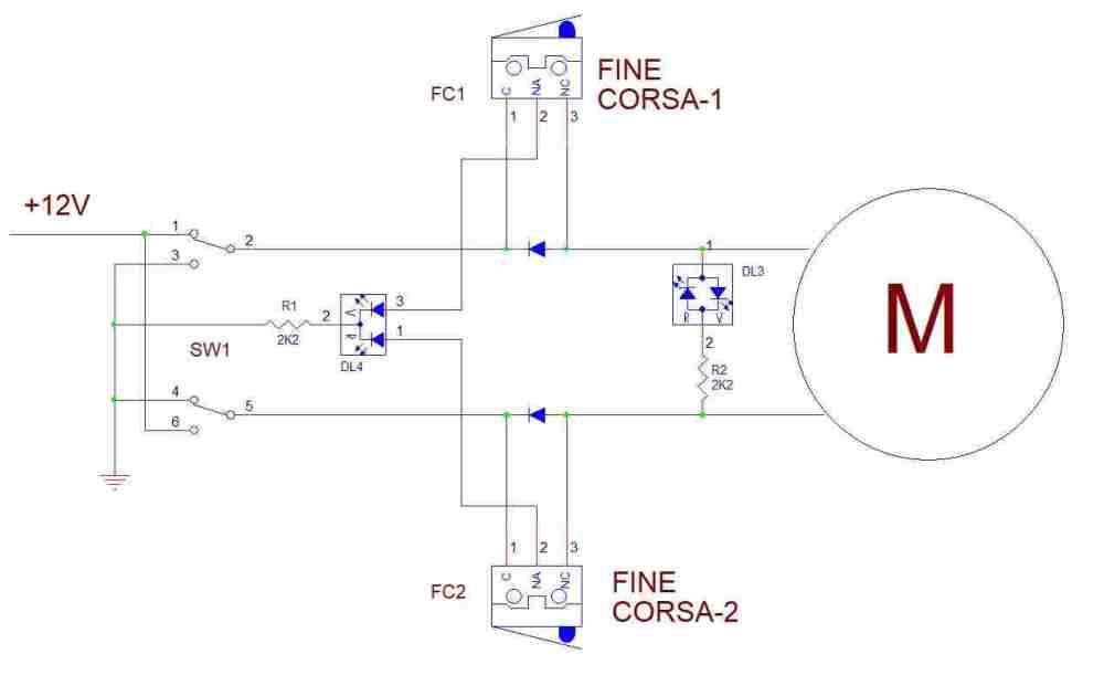
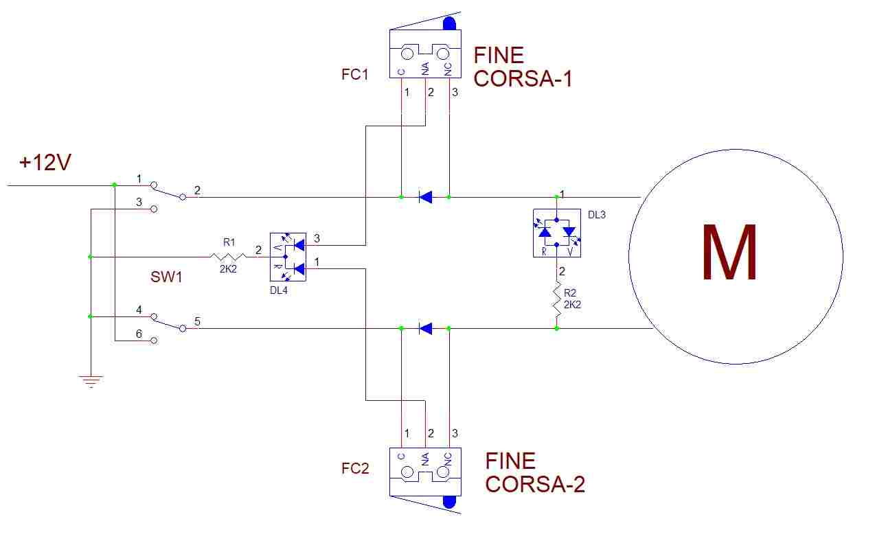
Se ho visto bene dalle foto, lo schema elettrico del tuo impianto attuale è questo Considera che gli switch di fine corsa hanno tutti e 3 i pin(il centrale sembra lo abbiano tagliato a filo corpo), per cui se modifichi il circuito in questo modo(nota i finecorsa con invertiti il comune con il normalmente chiuso), dovresti avere tutte le condizioni visualizzate tramite led: Volendo ottimizzare per lo stato posizione antenna, anziché utilizzare due led, puoi utilizzare un led bicolore a catodo comune: Valuta tu il colore delle varie segnalazioni. Se usi led singoli, puoi sbizzarrirti con i colori, mentre con i led bicolore, sei più limitato. -
Rowenta compact steam pro problema con vapore
Henz ha risposto a Henz alla discussione in Piccoli elettrodomestici
Ormai è presa speriamo bene -
Con fotocellule Faac XP20b d non funziona il cancello
mao1977 ha risposto a mao1977 alla discussione in Cancelli elettrici
il display indica 00… tutto regolare, senza il minimo segno di errore… r1 e r2 non li ho abilitai, avendo i safencoder gestiscono loro il rallentamento dell’anta. no, nessuna chiavetta, anche perché non ho software o altro da scaricare… non è il primo cancello che installo, ma un problema del generai mai riscontrato, soprattutto senza segnalazioni di errore (anche i led delle fotocellule funzionano perfettamente) -
Cattiva ricezione contenuti TV sul canale 36 Frequenza 594 (Mediaset 2)
Marconi57 ha risposto a Marconi57 alla discussione in Impianti TV
Il modulatore è settato banda III Ch 5 -
Cattiva ricezione contenuti TV sul canale 36 Frequenza 594 (Mediaset 2)
Marconi57 ha risposto a Marconi57 alla discussione in Impianti TV
-
problemi faac e145 non si connette al pc
matteo55 ha risposto a Fabiofaac alla discussione in Cancelli elettrici
ultimo aggiornamento, oggi fatto un ultimo tentativo che e' andato a buon fine, e che finalmente mi ha permesso di fare il collegamento con la scheda E145 tramite cavo usb type B. praticamente quando ho installato il programma 'easyboard' mi ha richiesto anche l'installazione di Java JRE con versione richiesta tra 1.7 - 2.0, ed in automatico parte la pagina di java che mi fa' installare l'ultima versione (8.471) e con questa versione ho il problema quanto sopra, il programma crashava durante la connessione alla scheda. Disinstallato java e installato una versione precedente la 1.7.1, con il programma easyboard 2.0.3 e la connessione questa volta si e' stabilita e ho avuto acceso al monito r principale del programma, che mi permetteva di aprire le ante e vedere la configurazione attuale. Unico problema, grande per me perche' era la parte che cercavo e che purtroppo non mi ha dato risposta, e' la parte dei radiocomandi che non aggiornava nulla e la pagina rimaneva bianca blank senza segno di vita, provato a richiamare i dati dalla scheda ma non succedeva nulla. Provato ad installare il programma easyboard 1.0 ma anche qui vi era lo stesso problema. Qualcuno puoi avere una soluzione ? Grazie -
Lavatrice AEG errori EHO EH1
Nik-nak ha risposto a Vasile D alla discussione in Lavatrici - Asciugabiancheria
La cosa strana è che, visto che le elettrovalvole e relativi pilotaggi funzionano, ad inizio lavaggio non provi a caricare acqua, almeno per poco, per poi dare erroe flussostato QD15 dovrebbe essere siglato t09, in quanto dovresti leggere la sigla con il lato dei due pins in basso. Potrebbe essere un transitor PNP PDTB114ET con incorporate le resistenze di base, ed emettitore. Questo transistor è posto tra ingresso flussostato e microcontrollore? -
Configurazione nuovo telecomando Sommer
ROBY 73 ha risposto a burida62 alla discussione in Cancelli elettrici
Ok......, buona guarigione ☺️ -
Devi swapparli come di doppi interi.
-
Rendere Smart hormann Promatic 4
ROBY 73 ha risposto a alessandro_7 alla discussione in Cancelli elettrici
Ciao alessandro_7, Sì esatto! Vedi tu, i morsetti 20-21 agiscono come descritto al paragrafo "10.2.1 Canale 1 / Impulso" a pag. 91, mentre da come ho capito, il contatto da fig. 13 apre e chiude soltanto senza eventuali blocchi intermedi. Casomai, prima di collegare il Meross MSG100, basta che provi a fare un ponte per un istante, prima in un contatto e poi nell'altro e vedi come funziona -
madste ha iniziato a seguire Problema caldaia BAXI Luna 3 250fi - bruciatore spento in riscaldamento E01
-
Problema caldaia BAXI Luna 3 250fi - bruciatore spento in riscaldamento E01
madste ha inserito una discussione in Guasti/Problemi Riscaldamento
La mia caldaia Baxi Luna 3 250Fi manda Errore 01 solo in riscaldamento, in pratica in estivo (solo sanitaria) il bruciatore funziona regolarmente. Invece in riscaldamento il bruciatore parte in modulazione (vedo solo metà bruciatore a fiamma piena e metà al minimo) e poi si spegne dopo 2-3 secondi dall'accensione e mi dà E 01. Sempre in riscaldamento, premo ok, il bruciatore prova a ripartire ma si spegne quasi subito. Cosa potrebbe essere? NTC riscaldamento? Grazie -
Riallacciare gas in vecchio appartamento
Maurizio Colombi ha risposto a SuperUCCU alla discussione in Guasti/Problemi Gas
Certo, che ti rilascerà la Dichiarazione di Rispondenza. -
Sostituzione vecchio citofono Terraneo 334202 con universale BTicino 334662
Jpfalmeida ha risposto a Luca P. alla discussione in Citofoni, videocitofoni e intercomunicanti
Hi Luca! Did you get any solution? I have the same problem. Kind regards! João (Portugal) -
Ciao a tutti da un po' di giorni sto avendo problemi con un cancello scorrevole Nice serie Robus..di giorno funziona alla grande..di sera si apre ma non si chiude più..il lampeggiante fa un flash di avvenuta apertura..poi fa due lampeggi pausa di un secondo e altri due lampeggi.. puntualmente all'imbrunire.Ho provato a levare i vetrini delle fotocellule ho provato a pulirle..fatte un mare di prove ma senza risultato..le fotocellule sono BUS.Di giorno la spia delle fotocellule lampeggia e quando metto un ostacolo il TX accende un led fisso..la sera invece lampeggiano ma se metto ostacolo il lampeggio del TX rimane invariato.Grazie in anticipo per i consigli.In allegato metto il video.
-
Jpfalmeida ha aderito alla comunità
-
Daniele110791 ha aderito alla comunità
-
Squillo elvox 887u non si sente dopo sostituzione urmet 1030/2b
ROBY 73 ha risposto a Carwi alla discussione in Citofoni, videocitofoni e intercomunicanti
Ottimo allora -
E allora sinceramente non so cosa dirti di più, non le ho mai usate queste lampade, probabilmente è difettosa