Tutte le attività
- Oggi
-
Sezione del cavo di terra che dal nodo equipotenziale del quadro va alla puntazza in giardino
Francesco2 ha risposto a Francesco2 alla discussione in Progettazione impianti elettrici civili e terziario
Grazie, ho risolto il quesito - Ieri
-
tommasobertani ha aderito alla comunità
-
nazzica71 ha iniziato a seguire CANDY CDI 1012 - SCARICA e non fa altro.
-
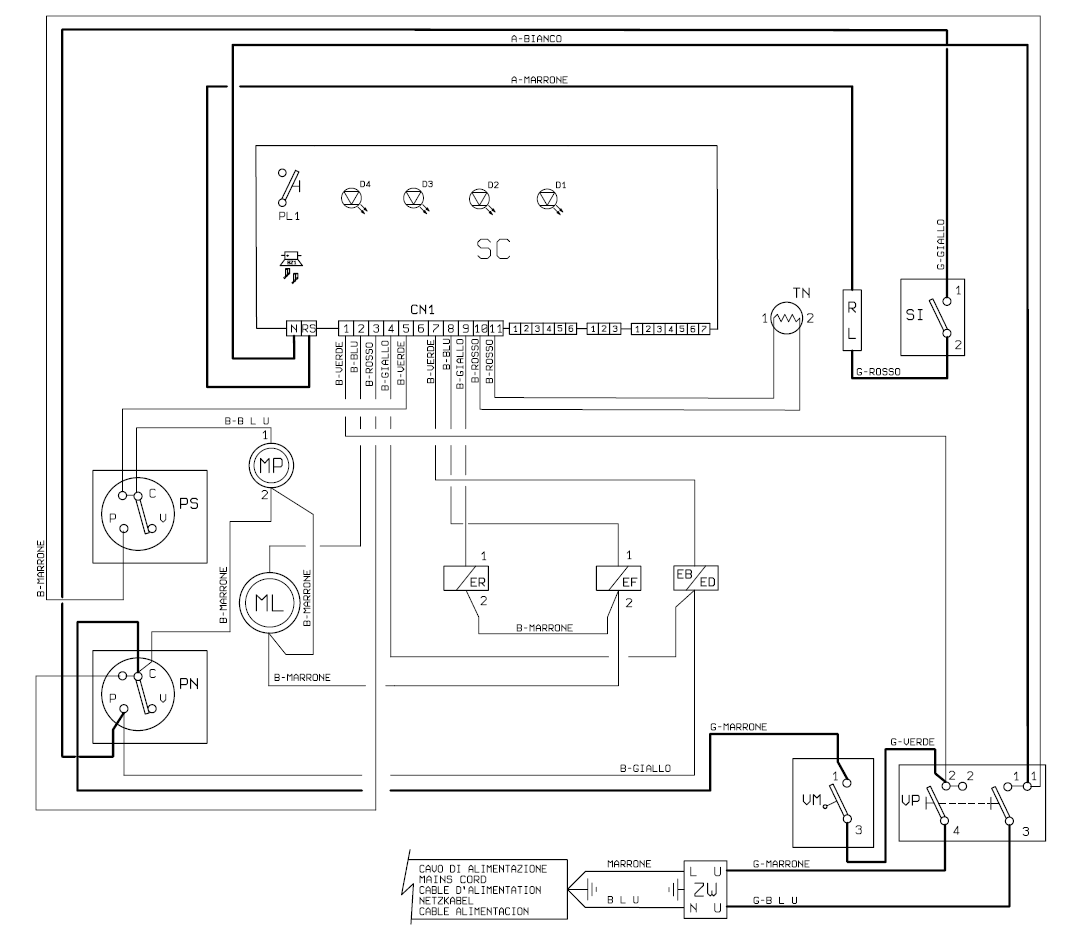
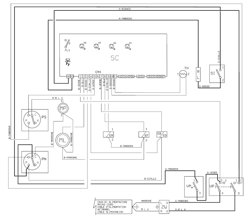
Ciao, buonasera. mi chiama il mio amico per vedere la sua lavastoviglie Candi CDI-1012. seleziona il programma, chiude lo sportello, inizia a scaricare, dopo qualche secondo fa un bip. ma non smette di scaricare. dopo qualche altro tempo bip e lampeggio fisso della spia del programma in corso. schema alla mano, la macchina non ha sensori antiallagamento. Ho scollegato il marrone al pressostato di sicurezza senza risultato, quindi e' la centralina che sta comandando la pompa di scarico. ho scollegato il giallo al pressostato di livello, ma niente. Ho come l'impressione che la centralina non sentisse il livello di vasca vuota, e non vada avanti col programma. suppongo che dopo un po' andra' in timeout e va in allarme. l'ho pensata bene ? Che si fa in questo caso ? sulla linea del giallo (pin 4 della centralina) ci sono due resistenze in serie e poi va al chip di controllo. si rimedia una centralina ? allego lo schema ! ciao. Norb.
-
vaillant vcw 242 acqua calda istabile
teo kojak ha risposto a strong alla discussione in Guasti/Problemi Riscaldamento
e dopo avere pulito metti un acqua sil o cartuccia decalcificante. Lo dico da romano. -
Sostittuzione olio motore cancello
ROBY 73 ha risposto a 15dci alla discussione in Cancelli elettrici
Grazie dell'aggiornamento e dell'informazione. Ciao prego -
Stefano Dalmo ha iniziato a seguire Come rimontare la guarnizione Hotpoint Ariston DEL-DRA701-B
-
Come rimontare la guarnizione Hotpoint Ariston DEL-DRA701-B
Stefano Dalmo ha risposto a Rastakhan alla discussione in Lavastoviglie
A me sembra quella che va tra bordo alto lavastoviglie e top . . -
Ottimo, questo è l'importante
-
Ciao Roby73, ti aggiorno a titolo informativo, fortunatamente sono riuscito a contattare l' azienda produttrice del "marchingegno" e mi ha indicato il tipo di olio necessario. Si tratta di olio idraulico HVLP 46 ( chiaramente 46 è l'indice di viscosità che non ero ancora riuscito a trovare ). Lo cambierò il prima possibile e spero di risolvere il problema. grazie ancora per l'aiuto che mi hai dato.
-
Configurazione nuovo telecomando Sommer
ROBY 73 ha risposto a burida62 alla discussione in Cancelli elettrici
Se non apri il coperchio grigio non saprai mai se è lì sotto o meno, poi vedi tu. Non è solo la frequenza che deve essere uguale, altrimenti basterebbe un solo radiocomando per aprire tutti i cancelli del mondo che hanno le riceventi a 433MHz, ma ogni marchio usa un proprio protocollo di codifica. -
Citofono rotto ricambi/sostituzione
ROBY 73 ha risposto a Riccandre alla discussione in Citofoni, videocitofoni e intercomunicanti
Ecco appunto, non mi ricordavo più che @televedo conosce BITRONVIDEO molto meglio di me 😁 -
Come rimontare la guarnizione Hotpoint Ariston DEL-DRA701-B
Rastakhan ha risposto a Rastakhan alla discussione in Lavastoviglie
Ciao beh mi sembra non sia quella, quella è al suo posto. Però ti avevo chiesto se quella che dici tu è di materiale gommoso/spugnoso come quelle laterali e superiore che è una unica guarnizione. Ho messo le foto apposta.😉 -
Elvox 620R + Ring Intercom - Una sfida annunciata!!
ROBY 73 ha risposto a Desmo.84 alla discussione in Citofoni, videocitofoni e intercomunicanti
Che sappia io, purtroppo no -
Comelit 2603u
ROBY 73 ha risposto a Rino85 alla discussione in Citofoni, videocitofoni e intercomunicanti
Ciao Rino85, Presumo che si tratti di un impianto condominiale, quindi, sei sicuro di essere solo tu ad avere il problema o potrebbe essere un guasto generalizzato? Hai chiesto agli eventuali vicini di casa se a loro funziona? Posta una foto dei collegamenti interni e delle impostazioni dei dipswitch che vediamo per lo meno se funziona con chiamata elettronica o in corrente alternata e/o se serve un eventuale citofono con più comuni separati o un unico comune -
Squillo elvox 887u non si sente dopo sostituzione urmet 1030/2b
ROBY 73 ha risposto a Carwi alla discussione in Citofoni, videocitofoni e intercomunicanti
Ciao Carwi, Una volta spostato il jumper CN5 su CA, prova piegare /allontanare o avvicinare la lamella metallica verso l'interno o l'esterno in modo che il pistoncino del ronzatore vibri meglio verso la lamella stessa e vedi se funziona meglio. -
Duplicato telecomando tapparelle elettriche domestiche.
ROBY 73 ha risposto a mibe alla discussione in Altri argomenti elettrici
Bo, allora non saprei, non l'ho mai visto quel telecomando. Sì, ma anche no, pensandoci meglio mi viene in mente solo ora che il motore essendo radiocomandato, molto probabilmente ha solo l'alimentazione 230V e non è un "classico motore a quattro fili" dove ci sono i fili di entrambe le manovre di salita e discesa, a meno che non sia uno di quei motori a cinque o sei fili che hanno la possibilità di comando esterno. Se riesci posta una foto del cavo dentro al cassonetto, o di dove arriva, magari in qualche scatola, altrimenti come già detto: -
Squillo elvox 887u non si sente dopo sostituzione urmet 1030/2b
Ggiovanni ha risposto a Carwi alla discussione in Citofoni, videocitofoni e intercomunicanti
I cavi sembrano collegati correttamente, non mi vengono in mente altre cause. L'887U è nuovo? -
Radiosveglia ICF-C215 Sony
Riccardo Ottaviucci ha risposto a alpha45 alla discussione in Radio - Stereo - Autoradio - HiFi - CD - DVD
c.v.d. -
Come rimontare la guarnizione Hotpoint Ariston DEL-DRA701-B
Ciccio 27 ha risposto a Rastakhan alla discussione in Lavastoviglie
Quella che nella parte bassa della porta si appoggia a porta chiusa vicino al bordo della vasca per attutire l'onda che si crea mentre gira lo spruzzatore. -
Consumi riscaldamento con pompa di calore….
Marco Fornaciari ha risposto a hulio75 alla discussione in Impianti Riscaldamento
La macchina esterna, ovvero tutta la pompa di calore, fa lo stesso lavoro della caldaia: mantiene l'acqua che va ai termisifoni alla temperartura impostata. Quindi più l'acqua torna fredda più bisogna riscaldarla, più termosifoni lavorano più l'acqua torna fredda. Se la macchina esterna non parte l'acqua non si scalda, uguale alla caldaia che non si accende. Poi il cosumo di corrente dipende dalle caratteristiche della pompa di calore, ovvero dal suo COP, oggi 1:4 è un valore tipico, cioè 1 kWh elettrico = 4 kWh termico. In ogni caso se scaldare qualgli ambienti servono tanti kWh di energia termica dagliela col gas o con la corrente sempre quelli sono, la differenza è che una PDC a parità di kWh termici abbisogana di meno kWh elettrici rispetto ai kWh del gas, dopo di che entrano i gioco i costi del kWh elettrico e del kWh reso dal gas (allo stato il gas è perdente). -
UE75NU8000TXZT - MAIN Scheda madre BN94-12982B cerco schemi e consigli
Riccardo Ottaviucci ha risposto a Frank L. alla discussione in Samsung
non dovevi spendere soldi per la scheda,è il pannello che ha dei COF in corto. Forse mascherando acuni segnali sui flex riesci a recuperarlo,almeno per qualche tempo -
Frigo Hotpoint Ariston ENXTM18322XF e "sessioni" di ticchettìo
sestamibby ha risposto a sestamibby alla discussione in Frigoriferi - Congelatori
Benissimo, credo proprio di aver capito.Grazie mille -
ALLUMY ha iniziato a seguire Vedere l'LTE su un vecchio TV analogico
-
Ciao a tutti, mi è venuta in mente proprio adesso questa strana idea: provare a vedere su un vecchio TV, anche in B/N, un segnale LTE 4G o 5G. Ho scritto vecchio TV perché secondo me con i TV più recenti (ma dotati di tuner analogico) questi canali potrebbero venire scartati o bollati come "no Signal". Al momento io non posso fare queste prove dato che il mio impianto dispone di centralina programmabile con filtri 5G integrati. Se qualcuno fosse incuriosito e dispone di un qualsiasi vecchio TV analogico, può provare, basta sintonizzarsi sulle frequenze giuste. Magari scopre che la sua antenna non ha i filtri LTE, oppure li ha ma sono ancora i vecchi 4G e capisce perché a volte certi canali gli spariscono. Stando alla tabella qui sotto, i canali da sintonizzare dove adesso ci sono i segnali LTE in DownLink (i più disturbanti sui vecchi impianti d'antenna non ancora aggiornati) sono dal ch.57 (758MHz) al ch.64 (821MHz). Fatemi sapere e... buona visione! Ciao
-
Ciao trittico6969, In teoria il morsetto centrale non serve a nulla, piuttosto, per caso c'è un jumper SA / SE sulla scheda? Posta un paio di foto della scheda fronte e retro che vediamo com'è collegata e se ci sono altre impostazioni da fare
-
Possibile? collegamento ad inverter di un motore Bonfiglioli
Marco Fornaciari ha risposto a paolo.canetta alla discussione in Inverter AC
A valle degli inverter non vanno mai collegati i condensatori. I condensatori possono esplodere. L'inverter non gradisce anche lui. Come già scritto esistono motori e inverter specifici per applicazioni tutte monofasi. Il motore che hai potrebbe anche funzionare, cioè girare, ma con quale coppia e velocità rese? E il condasatore come si comporta? Prova a postare estattamente le carettristiche di quell'inverter monofase. -
scelta magnetormico differenziale
laser79 ha risposto a laser79 alla discussione in Altro su impianti elettrici civili
ok, ti ringrazio. -
PAOLO147 ha iniziato a seguire problemi faac e145 non si connette al pc
-
problemi faac e145 non si connette al pc
PAOLO147 ha risposto a Fabiofaac alla discussione in Cancelli elettrici
Se ti colleghi tramite USB ,potrebbe non funzionare , poiche' se fosse come per la E124 , e' stata eliminata la connessione nei Firmware recenti , ora occorre una interfaccia da acquistare a parte , Non ricordo in questo momento il modello , domani lo posso vedere e dovrei ricordarmi di inserirlo qui. Ripeto : questo e' valido per la E124 ...ma vedo anche nell'area riservata Faac che' il Sw EasyBoard gestisce entrambe le schede , ed e' disponibile la versione 2.0.4 magari e' sufficente installare ques'ultima versione.