Tutte le attività
- Nell'ultima ora
-
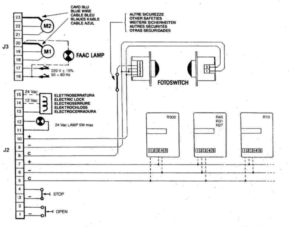
giugn76 ha iniziato a seguire Problema su Faac 401 MPS (telecomando e chiave)
-
Problema su Faac 401 MPS (telecomando e chiave)
giugn76 ha risposto a MarcelloGh alla discussione in Cancelli elettrici
Se funziona con comando di casa deve funzionare anche con chiave visto che in centrale sono collegati assieme Per radiocomando controllerei la ricevente esterna,magari si è infiltrata dell’acqua, dell’umidità o qualche insetto a rovinare Controlla il selettore a chiave per le stesse cose della ricevente visto il modello di centrale credo abbiano i suoi anni PS: Quando non funziona come vedi i tre led DL3 DL2 e DL1? manda foto del selettore e della ricevente esterna -
O ti monti un regolatore che legge le sonde e realizzi un circuitino semplice oppure puoi montare due termostati on/off regolabili e con un relè realizzi un autoritenuta. P.s. se il puffer lo usi anche per l'acqua sanitaria e non hai l'acqua calda in alto, non potrai mai farti la doccia. Il puffer va regolato con la sonda in alto (o in centro). Quella in basso ti serve per solare o per integrazione con altre fonti
-
Livio Orsini ha iniziato a seguire Frenatura DC
-
Per frenatura DC intendi l'iniezione di corrente continua nell'avvolgimento? Questa operazione tende a riscaldare velocemente l'avvolgimento quindi deve durare poco; inoltre a velocità zer non esercita molta coppia frenante. Meglio anticipare il più possibile il comando del freno meccanico.
-
Saldatrice eps genera 150ge brucia i mosfet
Livio Orsini ha risposto a Leone2285 alla discussione in Elettronica generica
È una soluzione circuitale che non mi piace, ma alcuni la adottano. Hai un mosfet che chiude l'avvolgimento verso +320V, mentre l'altro chiude l'altro capo dell'avvolgimento primario verso lo zero. Quindi devono chiudere ed aprire contemporaneamente. Dovresti cercare di ricostruire le informazioni dal circuito stampato. Vai a ritroso dai driver fino a trovare il generatore di PWM che a quanto sembrerebbe è un modulino montato sulla piastra principale. -
E se volessi effettuare un start o stop della caldaia con due sonde (alta e bassa) c'è un modo per realizzarlo senza l'uso della centralina?
- Oggi
-
Citofono URMET 1130/12
Robcim ha risposto a Robcim alla discussione in Citofoni, videocitofoni e intercomunicanti
Buon giorno e Roby73 e grazie per il supporto. Confermo che ci troviamo al primo piano in un condominio di 5 piani. Su ciascun pianerottolo ci sono due immobili indipendenti. Quello di fronte a me non ha riscontrato questo problema. Oltre al citofono esterno condominiale ogni immobile ha il suo campanello/ronzatore/ pulsante dedicato installato fuori la porta. Quest’ultimo funziona correttamente e il suono esce sempre dallo stesso citofono (senza interferenze o alternata). Non vorrei fosse semplicemente un falso contatto (vista la qualità del cablaggio) ma , non essendo un esperto in materia , non mi sono permesso di toccar nulla. Quantomeno sono in possesso del manuale per il cablaggio. se lo ritieni utile a casa ho un tester ma dovresti guidarmi per il corretto utilizzo . Ti ringrazio molto . -
Comelit 2603u
ROBY 73 ha risposto a Rino85 alla discussione in Citofoni, videocitofoni e intercomunicanti
Ok! -
Sirpilade ha iniziato a seguire Sostituzione vecchio URMET con 1130/16 in impianto con centralina portineria
-
Differenze tra termostati modulanti e on/off
pinok ha risposto a mgaproduction alla discussione in Componenti Riscaldamento
Per comprendere meglio questo passaggio, quando dici "regola la caldaia" intendi che regola la temperatura di mandata? Se poi la temperatura ambiente raggiunge quella obiettivo abbassa la temperatura di mandata o spegne la caldaia? L'utilità del modulante, anche nella situazione descritta nell'apertura del thread, non potrebbe/dovrebbe essere quella di ridurre le accensioni/spegnimenti del bruciatore? -
Consiglio acquisto asciugatrice: a resistenza (fondo magazzino) o pompa calore?
Ganimede77 ha risposto a guidobras alla discussione in Lavatrici - Asciugabiancheria
Quello indicato è il consumo totale del ciclo, non l'assorbimento istantaneo che è quello che ti fa scattare il contatore. Don't worry, è pari o inferiore ai 2kwh. Quindi potrai usare condizionatore, microonde o lavatrice dopo lo scarico del lavaggio. Ovviamente contemporaneamente a lavastoviglie o forno elettrico no. PS: per me ti conviene orientarti sulla 10Kg, più comoda da svuotare la tanica se non installata a colonna perchè le altre due hanno il serbatoio sotto. Considera che sono tutte e tre meccanicamente identiche, stesso tamburo da 125 litri (quindi per un carico reale di 6,25kg di cotone), è il più grande nella dimensione standard euro del cabinet. La 8, 9 e 10 Kg di carico commerciale differiscono solo per i tempo predefinito del programma cotone. Ovviamente tutte e tre adatteranno il tempo in base al carico. - Ieri
-
Pompa caldai sempre accesa e non parte il riscaldametno dei termosifoni
Antoniofar ha risposto a Antoniofar alla discussione in Guasti/Problemi Riscaldamento
Buonasera, il problema della girante si ripresenta a intermittenza. Il pressostato non risulta la causa: se lo scollego la caldaia va in blocco e la girante si disalimenta, come aveva previsto. Tornando al suo suggerimento ho che con caldaia alimentata, senza richiesta di ACS ne riscaldamentoo il contatto rimane chiuso (l’involucro è trasparente e si vede a occhio nudo) e la girante resta attiva. Mi sembra rimanga accesa anche la ventola insieme alla girante; alla prossima occorrenza verificherò con certezza. Credo il relè si possa escludere. Che componente posso controllare ora? -
Scatti aleatori di uno o due differenziali
piergius ha risposto a scalzomen alla discussione in Scatti intempestivi dei differenziali
. In passato utilizzavo come " Strumento" un Differenziale da Idn10mA per dare la caccia ai Carichi più "Dispersivi" . .. Poi presi la acm91, Portata 2Amper, sensibilità 11mA; per apprezzare valori piu frequenti, tra 2 e10mA i Conduttori dovevano passare da 2 a 5 volte dentro la Pinza ! ... Quindi con la ACM92 nella Portata 600mA la Sensibilità è arrivata a 2mA . .... Infine ho acquistato la Winapex 268B, sensibilità 2mA; ho riscontrato che misura anche 1,7mA . Inoltre ha molte Funzioni in più . ..... Nel frattempo presi la Pan Lecstromzange, sugli 80€, solo per Alternata, che ha anche la Portata 40mA ...... Recentemente è uscita anche la 268C, anche questa solo Alternata, ma per la ricerca di un Guasto basta riconoscere cosa disperde 2mA e cosa 5mA o più . Sapere che è 2,1 oppure 2,08mA alla fine poco cambia.. - Buona notte ! -
Viessmann: Controllo Intelligente della Pompa
pinok ha inserito una discussione in Impianti Riscaldamento
Qualcuno ha qualche informazione in più circa il controllo intelligente della pompa in una caldaia a condensazione Viessmann (VT-100)? Al momento dall'app risulta disabilitato, le poche info a riguardo che dà è di attivarlo "se tutti i locali sono dotati di componenti intelligenti e si desidera bloccare inutilmente l'impianto di riscaldamento". Cosa intende per componenenti intelligenti? Le valvole termostatiche? Provare ad attivarlo può creare problemi? A intuito no, nel senso che se un'app mi permettesse di attivare facilmente un parametro potenzialmente "dannoso" sarebbe un bel problema dell'app in primis... -
Consiglio acquisto asciugatrice: a resistenza (fondo magazzino) o pompa calore?
guidobras ha risposto a guidobras alla discussione in Lavatrici - Asciugabiancheria
Ho rifatto i calcoli applicando ai valori di consumo dei modelli a pompa di calore un +30% di penalizzazione per il lavoro a bassa temperatura ambiente (15° o anche 10° nei mesi più freddi) e li ho raffrontati alla candy a resistenza da 8KG https://www.candy-home.com/it_IT/products/31102384-cse-c8lf-s che dovrei riuscire a trovare sui 300 euro e con tempi di consegna brevi. In effetti il costo totale (acquisto asciugatrice più energia) su 5 o 10 anni, in qs modo non è esageratamente diverso. Però a casa ho i classici 3Kw di potenza disponibile, che la Candy sulla carta impegna da sola https://d15v10x8t3bz3x.cloudfront.net/Libretti/2025/6/17511539/PS-0000006499_000_19 Voi che ce l'avete o la conoscete, cosa mi dite? Di fatto bisogna azionarla solo di notte senza altri elettrodomestici attivi? -
Comelit 2603u
Rino85 ha risposto a Rino85 alla discussione in Citofoni, videocitofoni e intercomunicanti
Grazie lo farò quanto prima vi farò sapere -
Lavatrice LG F1047TD in dirittura d'arrivo
Jamie ha risposto a Jamie alla discussione in Lavatrici - Asciugabiancheria
Sembra che sia una cosa temporanea senza login. Riprovo con quest'altro servizio: https://sendgb.com/nbzMZtacOk1 -
Lavatrice LG F1047TD in dirittura d'arrivo
Ganimede77 ha risposto a Jamie alla discussione in Lavatrici - Asciugabiancheria
-
REX it 561 carica acqua ma non avanza con il lavaggio
Stefano Dalmo ha risposto a Danilo 31 alla discussione in Lavastoviglie
Rimetti il pressostato vecchio . hai messo i becchi di cigno nella loro posizione originale ? e il tubetto curvo che va tra i due becchi di cigno lo hai inserito correttamente ? non ricordo bene , ma vedi se alla base destra c’è un tubo di gomma chiaro , che congiunge due punti del pozzetto , staccalo e pulisci bene al suo interno e controlla che siano sturati i due punti di connessione . in genere questo tubo è pieno di residui . posta delle foto . Fai vedere quello di cui parliamo , Già chiesto pure prima . -
REX it 561 carica acqua ma non avanza con il lavaggio
Danilo 31 ha risposto a Danilo 31 alla discussione in Lavastoviglie
Ho fatto questa pulizia perchè sul forum ho letto una discussione :REX HIGHTECHNA 1063 - Morchia marroncina salamoia. Questo perchè mi lasciava sullo sportello e le posate delle piccole tracce che sembravano di grasso. Ho pulito i 2 tubi del diametro di circa 1 cm che erano sporchi di grasso e il contenitore del sale dal quale ho aspirato tutto il sale e il deposito scuro che era depositato sul fondo. Ho pulito i becchi di cigno e aspirato anche li incrostazioni di grasso. Dopo averla rimessa in piedi ho visto che non partiva il lavaggio e allora ho controllato il tubicino che dal pozzetto sale sul fianco per poi ridiscendere ed andare a collegarsi con il pressostato. L'ho staccato dal pressostato e ci ho soffiato dentro e ho visto che è libero ed è in comunicazione sotto ai becchi di cigno. Nonostante questo all'avvio carica un pò d'acqua e parte la motopompa per un pò, poi si ferma e carica altra acqua fino a riempire il pozzetto e si ferma il flusso dell'acqua ma non parte la motopompa. Ho provato a staccare il tubicino che arriva al pressostato e metterne uno dal quale ho provato a soffiare e allora la motopompa parte .Questo penso significhi che il pressostato non sente la pressione dell'acqua. Allora ho provato a cambiare il pressostato ,avendone uno usato a disposizione ,ma non cambia niente. Il pressostato fino a prima della pulizia funzionava ,non capisco come mai non riesca più a sentire la pressione dell'acqua. . -
Con fotocellule Faac XP20b d non funziona il cancello
giugn76 ha risposto a mao1977 alla discussione in Cancelli elettrici
se lasci i ponticelli le bus funzionano? manda foto -
Citofono URMET 1130/12
ROBY 73 ha risposto a Robcim alla discussione in Citofoni, videocitofoni e intercomunicanti
Ciao Robcim, Si tratta di un impianto condominiale, oppure casa singola con quel solo citofono? Vedo che ci sono due fili "molto mal collegati" (come tutti e sei fili del resto), nel morsetto 7, quindi potrebbe essere che ci sia una seconda suoneria / ronzatore / campanello che suona assieme al ronzatore del citofono, oppure un secondo pulsante per parlo suonare, magari dal pianerottolo / porta di casa, quindi, ti risulta che possa essere così, oppure il filo è doppio, magari solo per raddoppiare la sezione dei fili? Se ci sono due campanelli che suonano assieme, l'altro funziona? Se ci sono due pulsanti che fanno suonare il solo ronzatore nel citofono, premendo il secondo pulsante, il ronzatore funziona / suona? Altrimenti bisogna provare ad aprire la pulsantiera esterna e provare da lì a scollegare il filo di ritorno e metterlo in corto con il comune -
john89 ha aderito alla comunità
-
Lavatrice LG F1047TD in dirittura d'arrivo
Jamie ha risposto a Jamie alla discussione in Lavatrici - Asciugabiancheria
Ecco l'audio: https://jumpshare.com/s/bXh5NHjQsP8CjJlZZJAB -
PAOLO147 ha iniziato a seguire sostituzione siemens rev22
-
sostituzione siemens rev22
PAOLO147 ha risposto a giangi2991 alla discussione in Guasti/Problemi Riscaldamento
Si Certo , e' normale con il contatto aperto . poco importa , sono dei cronotermostati eccezionali di fascia alta , costruttore Landis & Staefa , poi Landis&Gyr ora Siemens : La storia della termoregolazione Perfetto ! come scendere da una Ferrari e salire su una Fiat , Ti consigio vivamente di tenere i Rev22 -
Creare prolunga con spina e presa schuko
F12 ha risposto a F12 alla discussione in Altri argomenti elettrici
Grazie, infatti mi sembravano inutili... -
joker_napoletano ha aderito alla comunità
-
Stefano Dalmo ha iniziato a seguire Lavatrice LG F1047TD in dirittura d'arrivo
-
Lavatrice LG F1047TD in dirittura d'arrivo
Stefano Dalmo ha risposto a Jamie alla discussione in Lavatrici - Asciugabiancheria
Secondo me è meglio far sentire questo rumore . Che se non è continuo , già mi fa escludere problemi ai cuscinetti . -
Lavatrice LG F1047TD in dirittura d'arrivo
Jamie ha risposto a Jamie alla discussione in Lavatrici - Asciugabiancheria
Davvero? E io che credevo fosse una entry level o poco più, perlomeno per il prezzo. Ma devo proprio dire che si è comportata benissimo. No, escludo categoricamente che sia un rumore dovuto a cose "esterne". Se riesco carico un audio. E no, non sono quella persona che carica tutto e riempie il tamburo oltre il carico :D