Tutte le attività
- Nell'ultima ora
-
Alevia ha iniziato a seguire Interruttore doppio per lampadario
-
Buongiorno. Ho in casa degli interruttori e delle prese con una estetica uguale all'interruttore nella fotografia allegata. Questo interruttore è doppio perchè pilota due serie di lampadine su di un lampadario: l'interruttore forse si è rotto in quanto uno dei due tasti, a volte, non fa più bene contatto e non accende una serie di lampadine o forse il guasto potrebbe essere sul lampadario oppure sui fili elettrici. Verrà un elettricista a controllare e riparare, ma sembrerebbe più probabile l'interruttore. Se dovessi cambiare interruttore cosa potrei comprare di dimensioni ed estetica compatibili ? Grazie.
-
Aspetta, non sono io l'OP, a me l'app funziona bene.
-
Ctec ha iniziato a seguire Schede encoder NX-EC0122 e NX-EC0222
-
Non ho mai avuto occasione di usare quelle schede. Ma per l'effetto (salta lo intendo come passare da per esempio 15 a 18) mi pare che sia dovuto a rimbalzi di lettura. Considera che le schede contatori veloci arrivano spesso al MHz (1us) di frequenza e quindi anche se te hai 80ms (12.5Hz), forse ci sono dei rimbalzi che il contatore legge tranquillamente. In questi casi, andrebbe visto quanto è "pulita" la forma d'onda, e dati i tempi, mettere un filtro da 10ms (non saprei se la scheda lo fa fare). Però, scusa, se hai per esempio una CPU NX che abbia tempi di scansione decenti (diciamo sotto i 10ms), io il lavoro non lo farei fare a un contatore veloce esterno, ma direttamente a un ingresso digitale, e lì si che puoi mettere un filtraggio all'ingresso, o addirittura metterlo te nel programma, per evitare i rimbalzi. E risparmieresti un bel po' di soldini Io ho un PLC con scansioni sotto i 3-4ms e le ruote foniche come la tua le gestisco con ingressi normali e fino a 150Hz (impulsi al secondo) non ne perdo uno. Uso poi contatori ritentivi e quindi faccio quasi un assoluto.
- Oggi
-
alfonso 77 ha aderito alla comunità
-
scalzomen ha iniziato a seguire Problemi con un frigo total nofrost whirpool ARC 4139.. della serie .. mi arrendo ??
-
Problemi con un frigo total nofrost whirpool ARC 4139.. della serie .. mi arrendo ??
scalzomen ha risposto a Claudio Sorrentini alla discussione in Frigoriferi - Congelatori
sono due giunti volanti...si inseriscono i capi dei due fili da giuntare (sena spellare) nei due fori cilindrici poi si chiude il coperchietto sulla destra che fa schiacciare le lamelle in metallo che perforano l'isolante dei cavi e la giuntura è solida e pulita -
Quali led hai acceso?
-
seliberale ha iniziato a seguire Schede encoder NX-EC0122 e NX-EC0222
-
Buon Giorno Sto utilizzando le schede sopra indicate per leggere dei sensori induttivi usati per calcolare la rotazione di alcuni alberi ( conteggio veloce simulazione encoder). Mi sono accorto che il contatore degli impulsi non è regolare. per verificare ho collegato un uscita del plc direttamente all'ingresso A della scheda, attivandola a tempo e per 3 schede su 4 il contatore non è risultato regolare a volte salta dei numeri solo su una scheda di quelle che avevo a magazzino testandola per piu di un ora (ingresso si attiva ogni 80ms)è risultata regolare le altre 3 schede pur essendo nuove già dopo pochi secondi sbagliava il conteggio . E' capitato a qualcuno ?
-
Lavatrice Ariston margherita al748tx gira sempre nello stesso verso
ciakst ha risposto a ciakst alla discussione in Lavatrici - Asciugabiancheria
Stefano i programmi e la centrifuga li esegue correttamente gira solo in un senso (antiorario guardando il cestello, lavaggio e centrifuga) fa una pausa lunga quando dovrebbe invertire il senso di marcia. Credo che la pausa lunga dovesse essere il tempo che dovrebbe girare nel senso opposto. -
piergius ha iniziato a seguire Lavatrice LG FH2B8TDA: scatta differenziale in stand-by
-
Lavatrice LG FH2B8TDA: scatta differenziale in stand-by
piergius ha risposto a Marben alla discussione in Lavatrici - Asciugabiancheria
Accorgimenti che prolungano la vita utile della Macchina : Verificare che la Fase arrivi sul filo Marrone del Cordone di Alimentazione ; meglio ancora che sui Terminali della Resistenza non si accenda il Cercafase mentre non sta riscaldando ; Togliere Tensione quando non in uso staccando la Spina dalla Presa o portando OFF il Bipolare dedicato . Così anche la Scheda Elettronica, riposando tante ore al giorno, durerà molti anni in più 😉 ! - Buona giornata ! -
JLocke26 ha aderito alla comunità
-
Livio Orsini ha iniziato a seguire lavatrice WW90T534DAE/S3 si blocca a RILEVAMENTO CARICO
-
lavatrice WW90T534DAE/S3 si blocca a RILEVAMENTO CARICO
Livio Orsini ha risposto a s.h.s 68 alla discussione in Lavatrici - Asciugabiancheria
Ottimo, sia per la risoluzione del problema sia per l'informazione. -
perfetto, grazie ho ordinato la scheda mi arriva lunedi..collego tutto come prima e forse per la configurazione chiamo qualcuno per farla, perchè non saprei da dove iniziare. Appena faccio tutto aggiorno, grazie
-
lavatrice WW90T534DAE/S3 si blocca a RILEVAMENTO CARICO
s.h.s 68 ha risposto a s.h.s 68 alla discussione in Lavatrici - Asciugabiancheria
Rieccomi bella gente , mi sento in dovere informarvi come e andata a finire la mia faccenda . Allora , e tutta colpa mia per quanto non sapendo che queste lavatrici hanno una valvola di carico a 12V . Ve lo dico perchè sono sicuro che non sono unico di non saperlo . Grazie e buona giornata a tutti . -
piergius ha iniziato a seguire Differenziale che scatta spesso
-
Differenziale che scatta spesso
piergius ha risposto a Nadine 82 alla discussione in Interruttori differenziali, magnetici e termici
Un esempio è questo : DS201 C16 APR30 Interruttori magnetotermici differenziali DS201 DS201 - 1P+N adatto a Rete Fase230V + Neutro - C 16 = 16A Curva C intervento Magnetotermico - Idn 30 mA intervento Differenziale Type A - APR = Tipo "A" + Immune ai Disturbi poiché interviene con alcuni Millisecondi di ritardo rispetto al Tipo AC e al Tipo A normale . - Buona giornata ! -
jonny89 ha iniziato a seguire SPD e quadro ATS (fotovoltaico come UPS)
-
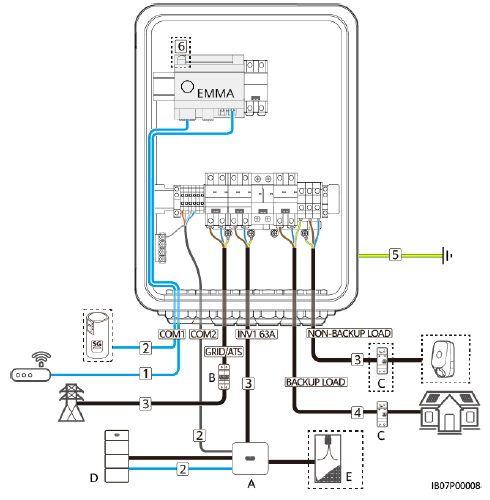
Buongiorno, mi sto informando circa la possibilità di installare un fotovoltaico dotato di inverter e accumulo Huawei volevo dotarlo di SmartGuard ovvero un quadro ATS che gestisce lo scambio automatico tra rete e batterie e funge da UPS. Con questo dispositivo nel tratto tra rete e GRID/ATS viene inserito un interruttore differenziale (nello schema RCD). Il tratto tra RCD e GRID/ATS transita nel quadro di appartamento pertanto questo tratto va interrotto con inserimento dell'SPD? Dove vanno inseriti gli SPD? Grazie
-
Programma Eco Lavastoviglie Miele
Ciccio 27 ha risposto a massimoc65 alla discussione in Lavastoviglie
😉 -
Problemi con un frigo total nofrost whirpool ARC 4139.. della serie .. mi arrendo ??
Claudio Sorrentini ha risposto a Claudio Sorrentini alla discussione in Frigoriferi - Congelatori
Grazie mille per la risposta ...ma cosa sono quei due rettangoli rossi ? -
michpao ha iniziato a seguire Problemi con un frigo total nofrost whirpool ARC 4139.. della serie .. mi arrendo ??
-
Problemi con un frigo total nofrost whirpool ARC 4139.. della serie .. mi arrendo ??
michpao ha risposto a Claudio Sorrentini alla discussione in Frigoriferi - Congelatori
-
Ancora buongiorno signori!! Ho bypassato le fotocellule ma non vuola saperne di chiudere. Cosa potrei vedere? I relè che non siano incolalti? Mi areste vostro parere? Possibile testarla a banco per evitare problemi di pulsanti ecc?? Attendo vostre .... GRAZIEEEEE
-
Claudio Sorrentini ha iniziato a seguire Problemi con un frigo total nofrost whirpool ARC 4139.. della serie .. mi arrendo ??
-
Problemi con un frigo total nofrost whirpool ARC 4139.. della serie .. mi arrendo ??
Claudio Sorrentini ha inserito una discussione in Frigoriferi - Congelatori
Buongiorno, premesso che non sono un tecnico riparatore frigoriferi, ma che questa storia è iniziata un anno fà - per testardaggine -quando dal mio frigo whirpool ( che ha una ventina d'anni )si sentiva un clic ,ma il compressore non si attivava.. dopo aver telefonato alla ditta e avendomi sentito dire dal tecnico che era un problema di scheda o di compressore e che quindi mi conveniva la sua sostituzione.... io invece - testa dura - cercando su youtube - ho risolto il problema con la sostituzione del relè e relativo condensatore . Tutto ok per un anno , ma una settimana fà mia moglie mi fa vedere che si trova acqua nel ripiano sotto il freezer - che sta in alto -... sempre youtube e scopro che si era ghiacciato il tubo che sta sotto l'evaporatore all'interno del freezer che comunica con la vaschetta che si trova sopra il compressore. bene , libero il condotto con un pò di acqua calda , ma rimonto il tutto mettendo il sensore di temperatura a casaccio , tra il polistirolo e il fondo del frigo e non nel suo alloggiamento a pressione dietro la vaschetta forata .... risultato ... dopo 5 ore il compressore era ancora in funzione... Cerco su internet e trovo il Vostro sito e scopro l'errore .. riapro il tutto e metto il sensore al suo posto... ora il frigo si accende per 40 minuti e sta spento e una mezzora,,, ma la temperatura è troppo bassa - anche se è regolato al minimo - e gli alimenti si ghiacciano anche nel ripiano più basso del frigo. ho pensato che possa essere il sensore di temperatura guasto , ma anche comprandolo non mi sento di smontare il pannello posteriore del frigo , perchè i due fili del sensore vanno all'interno del pannello posteriore del freezer ... avevo pensato di tagliare i fili del vecchio sensore e collegarci i fili del nuovo sensore ( che brutto lavoro ) E da qui il titolo ... che faccio .. mollo tutto e compro un nuovo frigo oppure .... Grazie mille e chi avrà la bontà di rispondermi... -
Apertura random elettroserratura
Ggiovanni ha risposto a devilx alla discussione in Citofoni, videocitofoni e intercomunicanti
Bene. Grazie dell'aggiornamento. -
Claudio Sorrentini ha aderito alla comunità
-
Apertura random elettroserratura
Livio Orsini ha risposto a devilx alla discussione in Citofoni, videocitofoni e intercomunicanti
Bene allora sembra risolto. -
Salve a tutti cancello automatizzato da motore faac 741 vecchio modello, dove tutte le periferiche non funzionano in bus. Problema. In maniera random mi brucia una delle fotocellule, quindi per fare un esempio, oggi brucia la tx esterna, domani dopo 1 settimana o 2 mesi mi brucia la rx interna, poi dopo un tot periodo di nuovo un altra ..... Prima di cambiare la scheda madre vorrei capire se è gia successo ad uno di voi.... Non è un problema di acqua o infiltrazione perchè quando succede e io apro per sostituirla sono asciutte
-
Apertura random elettroserratura
devilx ha risposto a devilx alla discussione in Citofoni, videocitofoni e intercomunicanti
dopo aver rivisto tutte le giunture il problema dopo piu di un mese non è capitato piu.... - Ieri
-
Ciao cc75, Sì, le morsettiere sono le stesse, cambia leggermente la programmazione, anche perché la vecchia BRAIN non aveva la gestione degli encoder. Facci sapere gli sviluppi
-
FAAC 746 MPS - led open debolmente acceso quando invio comandi e cancello morto
Roberto Garoscio ha risposto a Massimo Zuccari alla discussione in Cancelli elettrici
Molto probabilmente non ha la ricevente montata su scheda ma una esterna collegata su open come i selettori o pulsanti. -
FAAC 402 Rimbalza in apertura
Roberto Garoscio ha risposto a GIANFRANCO SALVATORE alla discussione in Cancelli elettrici
Forse intendi si richiude? Durante la fase di programmazione non fa il difetto? Nel CBC il blocco è solo in chiusura, in apertura è libero non c’è tenuta.
