Tutte le attività
- Nell'ultima ora
-
Scheda comando riscaldamento escavatore CAT312LC
Livio Orsini ha risposto a Leone2285 alla discussione in Elettronica generica
Devi collegarla come da schema: +24V all'ingresso +power della scheda ed al positivo del motoventilatore, il negativo del motoventilatore all'uscita "+" della scheda, mentre l'uscita "-" ed il -power li mandi al -24V, o a massa della macchina. -
Stefano Dalmo ha iniziato a seguire Lavatrice Bosch serie 6 WAT28639IT - Non apre porta
-
Lavatrice Bosch serie 6 WAT28639IT - Non apre porta
Stefano Dalmo ha risposto a gpz66 alla discussione in Lavatrici - Asciugabiancheria
Quindi l’impulso di chiusura lo senti ? E dopo lo scarico , prima che il led lampeggi non si sente lo scatto della serratura ? Prova a vedere se rilevasse acqua in vasca , magari staccando il tubicino del pressostato . imposta centrifuga e vedi cosa fa -
Il_Banda ha iniziato a seguire Vecchio frigo SMEG con scheda logica guasta
-
Vecchio frigo SMEG con scheda logica guasta
Il_Banda ha inserito una discussione in Frigoriferi - Congelatori
Ho un vecchio frigo SMEG che mi si è guastato e che in urgenza ho sostituito con un nuovo frigo. Ma piuttosto che buttarlo vorrei provare a ripararlo per usarlo come frigo utile all'occorrenza da piazzare in garage. Si è guastata la scheda logica, allego foto. Probabile responsabile il chip TNY268PN visto che la basetta ha un alone più scuro intorno a quel chip, segno di surriscaldamento. Ritenete che debba sostituire solo quel chip o che sia consigliabile cambiare qualche altro pezzo tipo qualche condensatore o altro? Grazie per i suggerimenti. -
pigroplc ha iniziato a seguire Configurazione hardware S200
-
controlla la versione firmware accettata da un file e dall'altro.
-
Toroide saturo.
Pappardella ha risposto a Pappardella alla discussione in Installazione impianti elettrici industriali
Ciao, ho sentito anche un costruttore di motori, non gli risulta l'asimmetria di cui parlavi in fase di avviamento. Fra l'altro mi è capitato di installare differenziali anche da 30 mA su motori di 7,5-10 kW, e non ho mai avuto scatti intempestivi. Hai qualche fonte in merito? Ho chiesto lumi anche a Thytronics, metto in calce la risposta del loro ufficio tecnico: Lo spunto di un motore, anche molto elevato, non dovrebbe far intervenire il differenziale RMT/3–RMT/4 se: tutti i conduttori attivi passano nel toroide nello stesso verso, centrati e simmetrici il toroide non è vicino a cavi di potenza i conduttori S1–S2 sono corti e lontani da disturbi Se una di queste condizioni non è rispettata, uno spunto molto alto potrebbe causare un intervento intempestivo. Cordiali saluti -
Lavatrice Bosch serie 6 WAT28639IT - Non apre porta
gpz66 ha inserito una discussione in Lavatrici - Asciugabiancheria
Buongiorno. Chiedo se qualcuno ha riscontrato un problema simile al mio. La lavatrice ha sei anni e improvvisamente, a fine lavaggio, ho trovato il portello bloccato con la spia del lucchetto lampeggiante. Ho pensato a un problema della serratura e l'ho sostituita, è del tipo a elettromagnete, quindi si apre/chiude ad impulsi. Il problema però persiste, sembrerebbe che a fine ciclo manchi qualche consenso all'apertura. Sbloccando manualmente e reimpostando un programma (es scarico), questo parte regolarmente. C'è qualche sensore da controllare che mi sfugge? Purtroppo online non si trova praticamente nulla e cambiare la scheda a caso mi costerebbe una cifra che mi fa prendere in considerazione di cambiare la lavatrice... Grazie. -
Sì, corretto
-
Tubo di collegamento pressostato serbatoio
Stefano Dalmo ha risposto a zagabike alla discussione in Compressori
Sul manometro quanto leggi ? -
Antonando ha iniziato a seguire un consiglio per una riparazione di un Grundig receiver R25
-
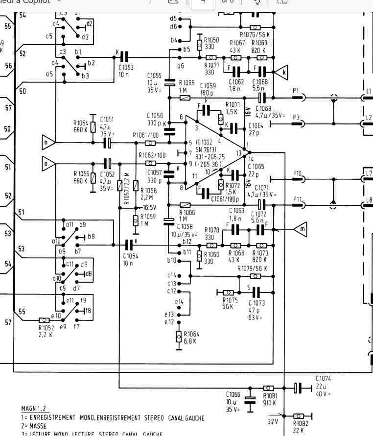
un consiglio per una riparazione di un Grundig receiver R25
Antonando ha inserito una discussione in Elettronica Fai da te
Volevo innanzitutto salutare e ringraziare tutti coloro che partecipano a questo forum. Sono un mediocre dilettante appassionato di elettronica in pensione che dopo circa 40 anni di software riscopre il piacere di un ritorno alle origini che ebbero inizio nel lontano 1983 come tecnico hardware in Philips. Il mondo in questo settore è totalmente cambiato e dato che la passione deve essere anche un piacere mi sto cimentando in piccole riparazioni di vecchi e gloriosi amplificatori HiFi degli anni 70-80 che nulla hanno a che fare con le tecnologie odierne. La questione che volevo sottoporre al gentile forum riguarda un receiver Grundig R25 che improvvisamente ha perso potenza e qualità in termini di distorsione. Facendo riferimento alla porzione di schema caricato che descrive la parte circuitale del preamplificatore, mi sono accorto che piuttosto dei 16,5V sul nodo su cui si attesta R1059 misuro meno di 12V come se al partitore R1059 ed R1081 fosse aggiunto un carico nascosto. Ho controllato le resistenze e 'recappato' l'intera zona degli elettrolitici al tantalio , staccando le due resistenze R1057 ed R1058 il problema persiste. Tutte gli altri voltaggi sono corretti compreso i 32V e i 16V che approdano ai piedini 1,13 e 14 dell SN76131. La cosa strana che il valore dei 12 V viene raggiunto gradatamente. Se gentilmente qualche persona più esperta di me può darmi una mano. Grazie -
Elemento riscaldante lavastoviglie siemens SL6P1S
Dust ha risposto a Dust alla discussione in Lavastoviglie
Buongiorno, grazie mille per le risposte. Come si entra in modalità diagnosi? -
EMILIANO7619 ha aderito alla comunità
-
Ciao buongiorno!! Le due esterne (nido di formihe) le ho aperte e sostituite. Appena avro tempo verifichero le interne..... E' corretto ponte su 23, 26 e 27 per bypassarle? Grazie
-
attrezzo per sollevamento pannelli tv
Riccardo Ottaviucci ha risposto a Sasa7320 alla discussione in Samsung
no,è polarizzato -
50lb670v-za si accende ma non funziona niente
Riccardo Ottaviucci ha risposto a kikkito alla discussione in LG - Goldstar
mi pare fosse un semplice diodo IR e una resistenza,oltre al file wave che ho anch'io da qualche parte. Ricordo che era un po' critico il volume da dare al file per essere trasmesso via IR -
Elemento riscaldante lavastoviglie siemens SL6P1S
UABC80 ha risposto a Dust alla discussione in Lavastoviglie
Può essere tutto; inizierei a controllare lo stato dei cablaggi e anche la continuità col tester, se possibile. Quelli sotto la porta sono stati controllati? A titolo informativo, secondo un vecchio service manual Bosch per l'elettrovalvola di carico i valori sono di 4.2 kΩ ± 1 KΩ. La bobina è alimentata con la normale tensione di rete 👍 -
Mamu44 ha aderito alla comunità
- Oggi
-
Tubo di collegamento pressostato serbatoio
drn5 ha risposto a zagabike alla discussione in Compressori
Da qualche parte sul compressore dovrebbe esserci una targhetta che indica la pressione massima di lavoro. Potrebbe essere qualcosa tra le 2 e le 6 atmosfere. La pressione la dovresti poter regolare nel pressostato, se metti una foto capiamo che modello è. Metti anche una foto per capire perchè ci sono 2 manometri...di solito di manometri ce nè uno solo. -
ricette con we!ntek mt8072ip
Simone.Salarsi ha risposto a spidermax alla discussione in Altri HMI & Scada
Il nome ricetta non esiste a meno che tu non abbia inserito un campo stringa nel set di dati. Così al volo mi vengono in mente due soluzioni: 1) come dicevo prima, appoggiare il numero ricetta del database "Local HMI".RECIPE.[nome del tuo database ricette].Selection su una RW 2) la stessa cosa di cui sopra, ma invece di scrivere in una RW scrivi in una variabile PLC (retentiva) e poi a schermo visualizzi quella. -
ricette con we!ntek mt8072ip
spidermax ha risposto a spidermax alla discussione in Altri HMI & Scada
il problema non e nel plc le word le carico in un DB modulo dati e sono tutte retentivi e al riavvio il mio ciclo di lavoro riparte senza problemi pero io vorrei tenere visualizzato come su XV Eaton il il nome o almeno il numero della ricetta sul HMI weintek -
Antonando ha aderito alla comunità
-
Mister_X_ ha iniziato a seguire Configurazione hardware S200
-
Buongiorno, volevo chiedere una curiosità riguardo la configurazione hardware su Tia Portal 19 di un S200 con un plc 1511. Allego l'immagine del Tia. Volevo capire la differenza nel scegliere il dispositivo nel catalogo presente oppure aggiungerlo tramite gsd file. Nell'esempio sottostante, ho prima aggiunto il mio dispositivo con lo stesso codice nel catalogo (non è collegato in questo caso) e poi ho aggiunto tramite gsd (trovato sul sito Siemens) sempre il corrispondente. Quali sono le differenze? Grazie.
-
ricette con we!ntek mt8072ip
Simone.Salarsi ha risposto a spidermax alla discussione in Altri HMI & Scada
Dici lato HMI ? se non invii quei dati al PLC ( che diamo per scontato che siano retentivi) potresti aggiungere nella macro la scrittura del numero ricetta in una memoria RW dell'HMI che è l'area di memoria retentiva. Il numero della ricetta lo trovi all'indirizzo: "Local HMI".RECIPE.[nome del tuo database ricette].Selection -
Elemento riscaldante lavastoviglie siemens SL6P1S
michpao ha risposto a Dust alla discussione in Lavastoviglie
Ti sta segnalando un problema, per individuare il codice errore bisogna entrare in diagnosi. -
Tubo di collegamento pressostato serbatoio
zagabike ha risposto a zagabike alla discussione in Compressori
Grazieeeeee...... Comprato... Montato...... Sembra funzioni tutto........ Il compressore parte sollevando l'interruttore sul pressostato e poi si ferma ad un certo punto...... Il "CERTO PUNTO" è REGOLABILE?????? Che pressione devo leggere sui due manometri???? -
Salvataggio dati su USB in pannello WEINTEK MT8073IE con EASYBUILDER PRO
Simone.Salarsi ha risposto a ceio1960 alla discussione in Altri HMI & Scada
chiedi pure, se sono in grado di aiutarti più che volentieri. -
LINK Oppure
-
ricette con we!ntek mt8072ip
spidermax ha risposto a spidermax alla discussione in Altri HMI & Scada
Buongiorno Simone grazie del consiglio ho fatto come il tuo esempio poi ho creato una macro con 74 word e le invio al PLC e funziona correttamente, pero volevo un altro consiglio come posso tenere in memoria alla riaccensione del HMI il nome ricetta o il numero ho fatto varie prove ieri e non sono riuscito grazie in anticipo -
Immergas extra mini scalda in ritardo
giorgio17 ha risposto a istinto.3 alla discussione in Guasti/Problemi Riscaldamento
Se la caldaia si accende subito all'apertura del rubinetto e dopo mantiene la temperatura potrebbe essere la temperatura acqua di entrata,bruciatore da pulire,taratura valvola gas.Io farei fare un controllo da un tecnico.Comunque non sembra un problema grave
