Fra12 Inserito: 18 marzo 2023 Segnala Inserito: 18 marzo 2023 Salve a tutti, ho una linea da 1,5 collegata a un interruttore bipolare (per la funzione a cui lo uso è inutile, posso sostituirlo con unipolare), e vorrei derivare un altro punto luce. Mi chiedo se con l'unipolare devo aggiungere nel tubo solo un filo di fase e sdoppiare il neutro mentre con il bipolare devo aggiungere per forza sia fase che N. Oppure ci sono altri sistemi? (preciso che voglio accendere separatamente i due punti) Grazie
Michele V Inserita: 18 marzo 2023 Segnala Inserita: 18 marzo 2023 Se usi due interruttori bipolari, a valle degli interruttori devi avere due fili di fase (uno per la lampada 1 e uno per la lampada 2) e due fili di neutro (sempre per lampada 1 e lampada 2). Se usi due interruttori unipolari, hai sempre bisogno di due fili di fase, ma il neutro può essere unico per le due lampade.
Maurizio Colombi Inserita: 18 marzo 2023 Segnala Inserita: 18 marzo 2023 Direi che l'interruttore bipolare riesce tranquillamente a diventare unipolare. Trovo un po' più difficile il contrario.
Fra12 Inserita: 19 marzo 2023 Autore Segnala Inserita: 19 marzo 2023 9 ore fa, Michele V ha scritto: Se usi due interruttori bipolari, a valle degli interruttori devi avere due fili di fase (uno per la lampada 1 e uno per la lampada 2) e due fili di neutro (sempre per lampada 1 e lampada 2). Se usi due interruttori unipolari, hai sempre bisogno di due fili di fase, ma il neutro può essere unico per le due lampade. Ok penso di avere capito ma mi sfugge una cosa, mi spiego meglio: vorrei mettere al punto 1 da comandare con bipolare fase, terra e neutro sdoppiato da quello esistente, e al punto 2 (una lampadina) da comandare con unipolare o pulsante il neutro principale e una fase che aggiungo. In questo modo penso che la lampadina mi funziona anche se il bipolare è spento... è così? È un sistema corretto, no problem? Grazie mille, sto imparando...
reka Inserita: 19 marzo 2023 Segnala Inserita: 19 marzo 2023 secondo me è meglio se fai uno schema dello stato di fatto e di quello che vorresti fare.
michpao Inserita: 19 marzo 2023 Segnala Inserita: 19 marzo 2023 Oppure fai come quelli che non sanno fare le deviate e le invetrite ed usano solo pulsanti che azionano dei relè 😉
del_user_271852 Inserita: 19 marzo 2023 Segnala Inserita: 19 marzo 2023 1 ora fa, michpao ha scritto: 1 ora fa, michpao ha scritto: che non sanno fare le deviate e Non condivido, la scelta di optare per un sistema a pulsante al posto della deviata è dettato da altri fattori, non di certo dall'incompetenza !
Maurizio Colombi Inserita: 19 marzo 2023 Segnala Inserita: 19 marzo 2023 25 minuti fa, agos1969 ha scritto: la scelta di optare per un sistema a pulsante al posto della deviata è dettato da altri fattori, Appunto! Primo di tutti il fattore economico.
soltec Inserita: 19 marzo 2023 Segnala Inserita: 19 marzo 2023 2 ore fa, agos1969 ha scritto: Non condivido, la scelta di optare per un sistema a pulsante al posto della deviata è dettato da altri fattori, non di certo dall'incompetenza ! È vero invece. Anche io conoscevo un "elettricista" che usava solo relè perché non sapere fare le deviate. Strano ma è così.
Fra12 Inserita: 19 marzo 2023 Autore Segnala Inserita: 19 marzo 2023 21 ore fa, Michele V ha scritto: Se usi due interruttori bipolari, a valle degli interruttori devi avere due fili di fase (uno per la lampada 1 e uno per la lampada 2) e due fili di neutro (sempre per lampada 1 e lampada 2). Se usi due interruttori unipolari, hai sempre bisogno di due fili di fase, ma il neutro può essere unico per le due lampade. Se uso uno bipolare e uno unipolare ho bisogno due fili di neutro o il neutro può essere unico?
Fra12 Inserita: 19 marzo 2023 Autore Segnala Inserita: 19 marzo 2023 9 ore fa, reka ha scritto: secondo me è meglio se fai uno schema dello stato di fatto e di quello che vorresti fare. Ho disponibili 3 fili (F, N, T) e vorrei avere due punti luce con comandi separati (uno per comandare le tende uno per una luce), se possibile aggiungendo solo un filo fase. Vorrei capire se mettendo bipolare + pulsante posso giungere solo fase o devo mettere anche il neutro? invece con unipolare + pulsante posso aggiungere solo fase e neutro unico?
Fra12 Inserita: 19 marzo 2023 Autore Segnala Inserita: 19 marzo 2023 4 ore fa, soltec ha scritto: È vero invece. Anche io conoscevo un "elettricista" che usava solo relè perché non sapere fare le deviate. Strano ma è così. In casa non ho deviatori ma diversi pulsanti con relè, adesso mi viene qualche dubbio🙄
ROBY 73 Inserita: 19 marzo 2023 Segnala Inserita: 19 marzo 2023 (modificato) Ciao Fra12, a parte il fatto che puoi benissimo usare il neutro in comune per le due lampade, ma........ 24 minuti fa, Fra12 ha scritto: Ho disponibili 3 fili (F, N, T) e vorrei avere due punti luce con comandi separati (uno per comandare le tende uno per una luce) da dove "salta fuori" adesso questo comando per le tende? Che tipo di motore hai? Perché se è un classico motore a 230V con finecorsa meccanici i fili di fase che vanno al motore sono due, altrimenti se è di quelli che vanno alimentati direttamente, molto probabilmente serve un pulsante con contatto pulito e NON deve essere collegato alla fase e/o neutro della linea 230V. Spiegati meglio Modificato: 19 marzo 2023 da ROBY 73
Fra12 Inserita: 20 marzo 2023 Autore Segnala Inserita: 20 marzo 2023 12 ore fa, ROBY 73 ha scritto: Ciao Fra12, a parte il fatto che puoi benissimo usare il neutro in comune per le due lampade, ma........ da dove "salta fuori" adesso questo comando per le tende? Che tipo di motore hai? Perché se è un classico motore a 230V con finecorsa meccanici i fili di fase che vanno al motore sono due, altrimenti se è di quelli che vanno alimentati direttamente, molto probabilmente serve un pulsante con contatto pulito e NON deve essere collegato alla fase e/o neutro della linea 230V. Spiegati meglio Non sapevo che le cose cambiano a collegare le tende... Oltretutto dipende anche dal motore ... Non ho ancora il motore, volevo predisporre i cavi di uscita per poi mettere dopo 4 tende (e anche la luce)... Attualmente ho f, n, t comandati da due pulsanti con cui comando la luce (p.s. scusa prima ho detto "punti luce" ma intendevo una luce e l'altro tende). Visto che io preferisco sempre spegnere quando non uso e ho già un bipolare che mi avanza lo mettevo per le tende (in alternativa anche un unipolare) e volevo aggiungere meno fili possibili perché il tubo è già abbastanza occupato. Ma quindi è necessario sapere com'è il cavo in dotazione del motore? Se è così mi informo 🧐 22 ore fa, reka ha scritto: secondo me è meglio se fai uno schema dello stato di fatto e di quello che vorresti fare. Ho disponibili 3 fili (F, N, T) e vorrei avere due punti luce con comandi separati (uno per comandare le tende uno per una luce), se possibile aggiungendo solo un filo fase. Vorrei capire se mettendo bipolare + pulsante posso giungere solo fase o devo mettere anche il neutro? invece con unipolare + pulsante posso aggiungere solo fase e neutro unico?
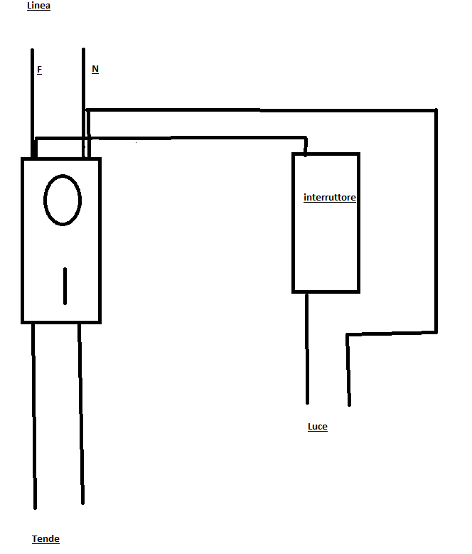
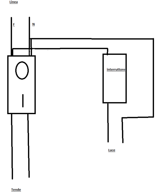
mrgianfranco Inserita: 20 marzo 2023 Segnala Inserita: 20 marzo 2023 (modificato) IL bipolare lo vorresti usare per staccare le tende da sole e quindi per il punto luce devi sempre partire dal bipolare, in ingresso dove hai fase e neutro della linea che arriva derivi (ci son i morsetti liberi)con fase e neutro che vanno alla lampadina (neutro diretto e fase interrotta nell'interruttore) così ti funziona tutto indipendente ...schema molto arcaico!! secondo mè è più sicuto interrompere fase e neutro alle tende anzichè cercare di risparmiare un filo e fare neutro comune ...in questo caso il neutro non lo fai passare al bipolare ma lo mandi diretto sia a luci che tende Modificato: 20 marzo 2023 da mrgianfranco
Fra12 Inserita: 20 marzo 2023 Autore Segnala Inserita: 20 marzo 2023 1 ora fa, reka ha scritto: lui vuole metterlo sotto la lampada, l'interruttore attuale è lontano. 5 ore fa, mrgianfranco ha scritto: IL bipolare lo vorresti usare per staccare le tende da sole e quindi per il punto luce devi sempre partire dal bipolare, in ingresso dove hai fase e neutro della linea che arriva derivi (ci son i morsetti liberi)con fase e neutro che vanno alla lampadina (neutro diretto e fase interrotta nell'interruttore) così ti funziona tutto indipendente ...schema molto arcaico!! secondo mè è più sicuto interrompere fase e neutro alle tende anzichè cercare di risparmiare un filo e fare neutro comune ...in questo caso il neutro non lo fai passare al bipolare ma lo mandi diretto sia a luci che tende Adesso mi è più chiaro...🙏 Cosa intendi quando dici che è più sicuro usare due neutri anziché neutro comune? Inoltre: se non riesco per spazio a far passare 2 fili e quindi uso il neutro comune è meglio mettere l'unipolare (anziché bipolare) o il discorso non cambia? Domani apro e faccio una foto. Grazie a presto
ROBY 73 Inserita: 21 marzo 2023 Segnala Inserita: 21 marzo 2023 (modificato) 7 ore fa, Fra12 ha scritto: lui vuole metterlo sotto la lampada, l'interruttore attuale è lontano. Ecco, già qua si capisce che stai facendo tanta di quella confusione che metà basta, questa frase di @reka che hai quotato è stata scritta alle 17:12 nell'altra discussione: https://www.plcforum.it/f/topic/308046-spostare-interruttore-luce/#comment-2253541 che hai aperto per lo spostamento dell'interruttore, quindi è meglio davvero se chiami qualcuno che ne sa qualcosa. 15 ore fa, Fra12 ha scritto: Oltretutto dipende anche dal motore ... Non ho ancora il motore, volevo predisporre i cavi di uscita per poi mettere dopo 4 tende (e anche la luce)... E qui la confusione aumenta ulteriormente, certo che dipende dal tipo di motore e "magicamente" le tende da una sono diventate quattro e non sappiamo se i comandi saranno tutti nello stesso punto, oppure separati. Quindi, "mettiti bene d'accordo tra te e te" e quando avrai le idee ben chiare su quello che vorresti fare, fai un disegno e posta le foto di quello che ti serve, altrimenti il caos regna sovrano. Inoltre, dicci anche se il quesito dell'altra discussione è legato a questa o sono due cose separate. Comunque ripeto, è meglio davvero se chiami qualcuno che ne sa qualcosa. Modificato: 21 marzo 2023 da ROBY 73
Fra12 Inserita: 21 marzo 2023 Autore Segnala Inserita: 21 marzo 2023 11 ore fa, ROBY 73 ha scritto: Ecco, già qua si capisce che stai facendo tanta di quella confusione che metà basta, questa frase di @reka che hai quotato è stata scritta alle 17:12 nell'altra discussione: https://www.plcforum.it/f/topic/308046-spostare-interruttore-luce/#comment-2253541 che hai aperto per lo spostamento dell'interruttore, quindi è meglio davvero se chiami qualcuno che ne sa qualcosa. E qui la confusione aumenta ulteriormente, certo che dipende dal tipo di motore e "magicamente" le tende da una sono diventate quattro e non sappiamo se i comandi saranno tutti nello stesso punto, oppure separati. Quindi, "mettiti bene d'accordo tra te e te" e quando avrai le idee ben chiare su quello che vorresti fare, fai un disegno e posta le foto di quello che ti serve, altrimenti il caos regna sovrano. Inoltre, dicci anche se il quesito dell'altra discussione è legato a questa o sono due cose separate. Comunque ripeto, è meglio davvero se chiami qualcuno che ne sa qualcosa. Scusa Roby ma non sto facendo confusione, lo spostamento dell'interruttore è un altra cosa non riguarda questa discussione, ho risposto a reka che esattamente volevo l'interruttore vicino alla lampada, non capisco il problema. Comunque dalla spiegazione di reka ho risolto come ho scritto nell'ultimo post. Invece per questo discorso di derivare una linea che è un altro lavoro, avevo sottinteso che con l'interruttore comando semplicemente l'alimentazione (ad esempio c'è il temporale o siamo in inverno...), per le 4 tende avrò il telecomando con motori radio (e ovviamente le tende sono collegate tra di loro), non faccio comandi via cavo, comunque metto le foto a scanso di equivoci e se mi sono spiegato male chiedo scusa. La linea che vorrei è esattamente come il disegno di mrgianfranco, solo con il pulsante al posto dell'unipolare (relè ok). All'esterno dal muro ho fase, neutro e terra (da 1,5), questo è l' attuale unico punto luce attualmente comandato da due pulsanti. Da questa linea vorrei derivare come ho detto. In questo momento non capisco perché mi dà errore nel caricare le foto, descrivo qui: un pulsante ha cavo blu e marrone, l'altro blu e bianco. Grazie a presto
del_user_271852 Inserita: 21 marzo 2023 Segnala Inserita: 21 marzo 2023 Il 20/3/2023 alle 10:28 , Fra12 ha scritto: Attualmente ho f, n, t comandati da due pulsanti con cui comando la luce No cosi non è corretto! Hai due pulsanti che attivano un relè (presumibilmente un relè interruttore) che sono collegati con : 5 ore fa, Fra12 ha scritto: un pulsante ha cavo blu e marrone, l'altro blu e bianco Ok il blu che trovi nei pulsanti è il neutro, i cavi di colore bianco e marrone, dovrebbero (visto che non ci sono foto) essere collegati sul relè interruttore, precisamente su uno dei due morsetti della bobina, ora per continuare dovresti indicare marca e modello del relè interruttore, oppure se riesci carica una foto.
Fra12 Inserita: 21 marzo 2023 Autore Segnala Inserita: 21 marzo 2023 23 minuti fa, agos1969 ha scritto: No cosi non è corretto! Hai due pulsanti che attivano un relè (presumibilmente un relè interruttore) che sono collegati con : Ok il blu che trovi nei pulsanti è il neutro, i cavi di colore bianco e marrone, dovrebbero (visto che non ci sono foto) essere collegati sul relè interruttore, precisamente su uno dei due morsetti della bobina, ora per continuare dovresti indicare marca e modello del relè interruttore, oppure se riesci carica una foto. Sì sì quello intendevo ma l'hai spiegato molto meglio; il relè è nella scatola di derivazione (che non ho ancora aperto ma a memoria è piena di relè: per capire qual è devo tirare un po' i fili?) allego foto: nella terza foto il pulsante come si vede è il primo a sx nel supporto, e gli altri due frutti sono un bipolare e unipolare, quindi l'interruttore lo aggiungerei per forza nel supporto che ha 2 posti liberi.
del_user_271852 Inserita: 21 marzo 2023 Segnala Inserita: 21 marzo 2023 (modificato) 7 minuti fa, Fra12 ha scritto: per capire qual è devo tirare un po' i fili? No, è sufficiente che azioni un pulsante e dovresti individuare, a tappo aperto e relè a vista quello interessato. Modificato: 21 marzo 2023 da agos1969
Fra12 Inserita: 22 marzo 2023 Autore Segnala Inserita: 22 marzo 2023 17 ore fa, agos1969 ha scritto: No, è sufficiente che azioni un pulsante e dovresti individuare, a tappo aperto e relè a vista quello interessato. Trovato il relè, è quello della finder 26.01 (allego foto)
del_user_271852 Inserita: 22 marzo 2023 Segnala Inserita: 22 marzo 2023 (modificato) Allora per tua conoscenza ti spiego la morsettiera del relè in oggetto: Il cavo nero che crea un ponte con il morsetto successivo è la fase, il secondo e terzo morsetto sono i capi della bobina, infatti nel terzo vi sono i cavi in arrivo dai pulsanti, marrone e bianco, il quarto con il filo bianco alimenta il corpo illuminante. Per cui il nero sul relè è la fase ed il blu che arriva ai pulsanti è il neutro. Modificato: 22 marzo 2023 da agos1969
Fra12 Inserita: 22 marzo 2023 Autore Segnala Inserita: 22 marzo 2023 4 ore fa, agos1969 ha scritto: Allora per tua conoscenza ti spiego la morsettiera del relè in oggetto: Il cavo nero che crea un ponte con il morsetto successivo è la fase, il secondo e terzo morsetto sono i capi della bobina, infatti nel terzo vi sono i cavi in arrivo dai pulsanti, marrone e bianco, il quarto con il filo bianco alimenta il corpo illuminante. Per cui il nero sul relè è la fase ed il blu che arriva ai pulsanti è il neutro. Ok quindi se ho capito il marrone di un pulsante e il bianco dell'altro pulsante vanno al terzo del relè, la fase nera del relè non va ai pulsanti e il neutro blu dei pulsanti non va al relè. Quel filo nero col morsetto a cappuccio (dove ho solo un pulsante) cosa sarebbe? Comunque per la mia ignoranza in materia (non mandatemi a quel tal paese) mi viene da pensare che il marrone che va dal relè al pulsante non si può collegare al bipolare (o in alternativa unipolare) ma bisogna togliere relè e pulsanti e mettere unipolare per luce e bipolare o unipolare per tende aggiungendo fili come dallo schema di mrgianfranco, altrimenti mettere fili dalla scatola di derivazione a lì ma si potrà? Dirò sicuramente una stupidata ma se i fili vanno dal pulsante 1 (quello da solo) alla derivazione, dalla derivazione al pulsante 2 (col supporto tutto occupato), e da questo all'uscita sul muro, l'interruttore da aggiungere non andrebbe messo per forza dove è già pieno e non c'è posto (certo se tolgo i pulsanti ho un posto... ) ? 4 ore fa, agos1969 ha scritto: Allora per tua conoscenza ti spiego la morsettiera del relè in oggetto: Il cavo nero che crea un ponte con il morsetto successivo è la fase, il secondo e terzo morsetto sono i capi della bobina, infatti nel terzo vi sono i cavi in arrivo dai pulsanti, marrone e bianco, il quarto con il filo bianco alimenta il corpo illuminante. Per cui il nero sul relè è la fase ed il blu che arriva ai pulsanti è il neutro. Ok quindi se ho capito il marrone di un pulsante e il bianco dell'altro pulsante vanno al terzo del relè, la fase nera del relè non va ai pulsanti e il neutro blu dei pulsanti non va al relè. Quel filo nero col morsetto a cappuccio (dove ho solo un pulsante) cosa sarebbe? Comunque per la mia ignoranza in materia (non mandatemi a quel tal paese) mi viene da pensare che il marrone che va dal relè al pulsante non si può collegare al bipolare (o in alternativa unipolare) ma bisogna togliere relè e pulsanti e mettere unipolare per luce e bipolare o unipolare per tende aggiungendo fili come dallo schema di mrgianfranco, altrimenti mettere fili dalla scatola di derivazione a lì ma si potrà? Dirò sicuramente una stupidata ma se i fili vanno dal pulsante 1 (quello da solo) alla derivazione, dalla derivazione al pulsante 2 (col supporto tutto occupato), e da questo all'uscita sul muro, l'interruttore da aggiungere non andrebbe messo per forza dove è già pieno e non c'è posto (certo se tolgo i pulsanti ho un posto... ) ?
del_user_271852 Inserita: 22 marzo 2023 Segnala Inserita: 22 marzo 2023 (modificato) 17 minuti fa, Fra12 ha scritto: Quel filo nero col morsetto a cappuccio (dove ho solo un pulsante) cosa sarebbe? lo devi battere, tecnicamente significa che devi misurarlo con un multimetro se è presente tensione o meno, ma in particolare se non è presente tensione lo verifichi facendo una misura di continuità, ASSICURANDOSI che la linea allacciata al quadro elettrico dell'appartamento sia disalimentata! 17 minuti fa, Fra12 ha scritto: da pensare che il marrone che va dal relè al pulsante non si può collegare al bipolare Ovviamente, il cavo marrone insieme al bianco chiudono mediante il pulsante il circuito della bobina del relè, ti invito a cercare su internet il principio di funzionamento del relè in oggetto, cosi comprendi di cosa parlo! Ti ripeto che se vuoi alimentare un nuovo circuito con fase e neutro devi necessariamente collegarti al cavo nero collegato al relè ed il blu NERO fase Blu neutro. Se ti necessita la fase nella scatola sotto indicata Il 21/3/2023 alle 19:48 , Fra12 ha scritto: ì prova a verificare se arriva tensione su quel cavo nero. Modificato: 22 marzo 2023 da agos1969
Messaggi consigliati
Crea un account o accedi per commentare
Devi essere un utente per poter lasciare un commento
Crea un account
Registrati per un nuovo account nella nostra comunità. è facile!
Registra un nuovo accountAccedi
Hai già un account? Accedi qui.
Accedi ora