Vai al contenuto
PLC Forum

Tutte le attività

Aggiornamento automatico di questo flusso dati

  1. Nell'ultima ora
  2. Roberto Garoscio

    Sostituzione citofono con videocitofono

    Devi assicurarti con il manutentore che ci sia una predisposizione di collegamento del cavo Coax sul derivatore di piano, nel caso va aggiunto. Nel caso puoi utilizzare il 1740/40 con staffa 1740/90.
  3. Nik-nak

    Lavatrice AEG errori EHO EH1

    A rigor di logica, direi di si. Se in diagnostica, l'elettrovalvola di caricamento acqua funziona, significa che elettrovalvola, e l' elettronica di pilotaggio della stessa, sono a posto. Hai provato a resettare l'ultimo errore, e poi fatto partire un ciclo, peer vedere se poi mostra sempre l'errore EF4? Cerca di capire come è fatto il flussometro .Dalle foto(parte azzurra), sembra sia inserito ad incastro. Eventualmente prova a rimuoverlo, e vedi di testarlo a banco.
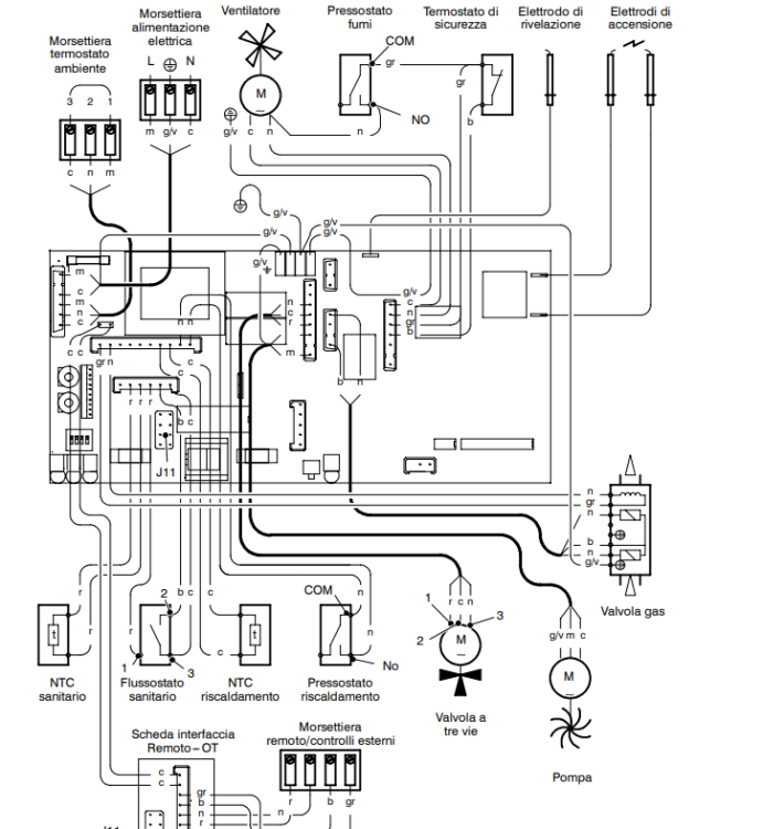
  4. Forse non è chiaro , devi vedere quale dei tre alimenta il circolatore , e vedere se questo si chiude senza mettere in moto la caldaia ne a sanitaria né a riscaldamento . perchè deve restare aperto a caldaia solo alimentata E chiudere quando attivi la sanitaria o il riscaldamento . ovviamente insieme a questo deve partire pure il ventilatore . magari non sarà incollato il contatto del relè ma venga inviata tensione per un problema al circuito che lo pilota . spero di essere stato chiaro . quando dai tensione alla caldaia devi sapere quale relè è e come si comporta
  5. Buonasera, mi scuso se eventualmente non ho rispettato le regole del forum e faccio questo messaggio per informare tutti quelli che gentilmente mi hanno risposto che dispongo di tester amperometrometro, e se necessario non c'è nessun problema ad acquistare una pinza amperometrica per andare a effettuare le verifiche del caso, grazie ancora a tutti e buona serata
  6. Ho smontato la scheda, come si vede dallo schema sia il circolatore che il deviatore sono connessi allo stesso connettore. Il connettore è connesso a tre relè, che all'apparenza sembrano tutti uguali Come da schema stampato, per tutti e tre i relè c'è continuità tra i pin 2 e 4 ed interruzione tra 3 e 4, mentre tra i pin della bobbina 1 e 5 c'è una resistenza di circa 1 kOhm. Non so se si vede da foto, ma tre i due relè in basso ci sono dei segni di bruciatura tra i contatti 3 e 4. Possono essere loro il probelma?
  7. Piergius, non credi che sia meglio continuare la discussione sul Forum? Potrebbe essere utile a tutti. Non credi che sia meglio continuare la discussione sul Forum? Potrebbe essere utile a tutti.
  8. Grazie mille della spiegazione anche al sig. Stefano,mi sembra di aver capito, che anche se detto in maniera imprecisa e grossolana un filo (il blu/oppure può essere anche il marrone?!) arrivano direttamente alla plafoniera interna/esterna o portalampada e quindi per testare se il problema dipenda proprio da quella plafoniera/lampada deve essere staccato quel filo e poi uno ad uno provato a ritirare su il salvavita. Pensate che abbia capita almeno lontanamente il lavoro da fare? Purtroppo adesso nonostante l'ora sono al buio al PT e mi sto arrabattandos per riuscire a cenare ormai visto l'ora tarda e la sveglia domattina dovrò rimandare il lavoro in mattinata,quando potrò avere la luce dove c' è il quadro elettrico e potrò fare le prove anche all'esterno.Ringrazio piergius per la possibilità di potersi sentire telefonicamente e se d'accordo domattina sempre se non dsturbo e se non hai impegni più importanti,potrei mandare messaggio privato con recapito per sentirsi quando è disponibile,ripeto sempre se non sono di peso.grazie mille nel frattempo e spero che perlomeno il problema per adesso sia circoscritto solo a questa linea, e adesso che ho ritirato su tutti gli altri magnetotermico non ci siano altre brutte sorprese.
  9. Pietro Pal

    Sostituzione lavastoviglie

    No, non lo so. Forse è una terminologia usata dal negozio. Bisognerebbe scrivere a loro per capire cosa intendono.
  10. Oggi
  11. filo66

    TV Hisense 50 pollici problema immagini visualizzate

    Grazie del consiglio
  12. robi1

    Sostituzione lavastoviglie

    Grazie mille Pietro Pal adesso è più chiara la situazione. per quanto riguarda la dicitura “universale” sai a cosa si riferisce? Grazie ancora
  13. licata55

    Batteria Huawei luna2000 da 5Kwh

    Salve. grazie per la risposta. Devo eliminare il modulo inesistente? Ma posso farlo io come utente o deve farlo l'installatore da remoto?
  14. Pietro Pal

    Sostituzione lavastoviglie

    Meglio o peggio non saprei visto che per me la semplicità è un pregio. La ST354BQL sembra più evoluta. Le differenze che vedo nei due fogli (con la mia scarsa vista) sono queste: -dispone di un programma di lavaggio a 75° mentre l'altra si ferma a 70°. -ha l'irroratore inferiore di tipo "Planetarium". C'è anche sulla mia. Non lo ritengo particolarmente utile ma non è vero che è difficile da smontare o che sia delicato (come sostengono alcuni). Basta sollevarlo afferrando il disco invece che afferrare la pala. -il piedino posteriore si può regolare (volendo) tramite una vite sul davanti. Questo è comodo per l'installatore. -risulta lievemente più silenziosa. In realtà i decibel non dicono tutto. Conta anche la durata. Se il picco massimo durasse 3 minuti e aiutasse a pulire meglio non sarebbe una cosa negativa. https://pi-exchange.smeg.it/catalog/ST354BQL/it-IT https://pi-exchange.smeg.it/catalog/ST5335L/it-IT Anche la classe energetica è diversa ma non serve a nulla e in più è cambiata la legge nel frattempo, quindi usano scale diverse.
  15. Ho mosso la lamella e adesso funziona ma si sente molto piano, c’è qualche regolazione?? R1 e R2 fanno qualcosa al volume del ronzatore?
  16. Camionaro75

    Quanti btu

    Lo devo buttare x (PER) il gas che non si usa più ? O non è buona la macchina ?
  17. Buonasera, come da titolo vorrei sostituire su un vecchio impianto il citofono con un videocitofono. Il sistema dovrebbe esser un 4+n. Cosa potrei installare, se fosse possibile? allego foto del citofono e pulsantiera.
  18. . Come accennavo prima, tipicamente a tutte le Lampade arriva diretto il Neutro tramite il filo Blu .. Mentre la Fase transita attraverso i rispettivi Comandi, che possono essere Interruttori, Deviatori e Invertitori, Relé Passo Passo, Relé Connessi e simili . La maggior parte di essi , se erano già " ON" restano così anche quando si torna a riarmare il Magnetotermico . Quindi le operazioni da effettuare possono risultare laboriose . Potrebbe essere necessario staccare un filo da qualche Comando, per isolare le Lampade da testare . - Se mi mandi un recapito tramite messaggio privato, ci spieghiamo meglio a voce . - Ciao !
  19. Leone2285

    Saldatrice eps genera 150ge brucia i mosfet

    Seguendo il gate vado a finire sul transistor D45H8 che fa parte del circuito a cui si aggancia il trasformatore a impulsi sul quale ho fatto le misure.
  20. Basta che l'elettricista abbia fatto passare il neutro e non la fase dall' interruttore o per altri tipi di collegamenti , quindi per un motivo qualsiasi arrivi la fase fissa sull'utilizzatore e non il neutro .
  21. max.bocca

    Collegamenti per pilotare Modulo Laser CNC

    Ic1a e Ok1 così non va bene, metti che Ok1 sia in saturazione e la not con uscita alta, brucerebbe. Rivedere il circuito
  22. Stefano Dalmo

    beko wmb 61022 non centrifuga

    Ma non ho detto di cambiarle a priori !
  23. Grazie mille delle risposte e scusate l'ignoranza, ma riprendendo la seconda risposta è corretto per prima cosa andare a sostituire il differenziale intanto per escludere che possa scartare facilmente? E ripeto visto la mia ignoranza se le luci non vengono accese tramite interruttore come fa ad esserci una dispersione verso terra devo cercare la causa anche negli interruttori? Grazie mille per la collaborazione Aspetta devo
  24. mauro1983

    beko wmb 61022 non centrifuga

    Ok domani le cambio e ti faccio sapere. Ma se fossero le spazzole perchè è la sola centrifuga a non funzionare? comunque grazie sei sempre prezioso i
  25. . Prima di mettere mano all ' Impianto, si controlla sempre se nel Centralino ai Cavi Blu e ai Morsetti "N" arriva effettivamente il Neutro , specialmente dove parte la Linea che fa difetto . [Altrimenti tramite il filo Blu a tutte le Lampade arriverebbe direttamente la Fase, anziché il Neutro, anche con gli Interruttori OFF ! La Diagnosi diventerebbe pressoché impossibile ] - Fai sapere di che Attrezzi e Strumenti disponi, magari qualcuno riesce a darti ulteriori spunti.. - Buona Domenica !
  26. Paolino1983

    Collegamento ventola

    Buonasera, io ho comprato una ventola usata…ma non avendo uno schema da cui prendere spunto , non sono molto sicuro. questa Ventola è composta da 6 Fili ( MARRONE - NERO - GRIGIO - VIOLA - BLU - GV ) , tolto il giallo/verde ( terra ) e blu ( neutro/comune ) , devo capire gli altri. Per questa ventola serve un condensatore . Chi me lo ha venduto mi ha mandato due foto che adesso vi allego… dimenticavo, volevo utilizzare quel regolatore per accendere / spegnere e regolare l intensità. grazie a chi mi può dare una mano
  27. gio199

    Igienizzazione lavatrice

    Solitamente uso la lavatrice con programmi da 1 ora a temp. Di 30 gradi. Ogni 30 lavaggi eseguo 1 lavaggio lungo a 90° vuoto con candeggina.. gliene verso 100ml. Va bene? O è sbagliato ?
  1. Carica più attività
×
×
  • Crea nuovo/a...