Riccardo Ottaviucci Inserita: 10 maggio 2023 Segnala Inserita: 10 maggio 2023 se sul pin 2 del trafo trovi tensione (circa 5V) allora sono interrotti i due avvolgimenti,ma non credo proprio.C'è tensione sul pin 2?
beonardo Inserita: 11 maggio 2023 Autore Segnala Inserita: 11 maggio 2023 Il 8/5/2023 alle 19:47 , Riccardo Ottaviucci ha scritto: se non hai tensioni sulla base o il condensatore sul pin 2 è in corto o la resistenza da 47 ohm sullo stesso pin è interrotta Se ben ricordi precedentemente avevo staccato la Resistenza da 47K dal pin 2 ed ho constatato che li c'erano 5V. Quindi la Resistenza è integra. Tu hai suggerito che potrebbe essere in corto il condensatore che dal Pin 2 va a massa. Da qui la mia rivisitazione della scheda BIAS che ha portato a constatare che dal Pin 2 parte un condensatore da .033mf , ma non va a massa. va sul Pin 6 che fa capo al collettore del transistor Q2. Onde evitare di rovinare ancor più la scheda che presenta traccie di collegamento componenti molto sottili e su tutte e due le facce della scheda ho pensato di effettuare le seguenti verifiche che ti sottopongo a giudizio. Partendo dalla considerazione che quando l'apparecchio funzinava su tutti i Nove pin del bobina avevo 4,03V cosi pure sulle basi e sui collettori di Q2 e Q3, allo scopo di controllare l'integrita dell'avvolgimento, ho pensato di porre la R da 47K direttamente sul Pin 3 che in pratica va ad alimentare la base di Q2 e vedere cosa misuro fra pin 2 e massa e fra pin 1 e massa.
Riccardo Ottaviucci Inserita: 11 maggio 2023 Segnala Inserita: 11 maggio 2023 13 ore fa, beonardo ha scritto: ho pensato di porre la R da 47K direttamente sul Pin 3 no,è sbagliato poichè l'oscillazione di questo tipo di oscillatore è legata all'avvolgimento del secondario e quindi servono le due induttanze. Con la resistenza collegata che tensione hai sul pin 2 del trafo?
beonardo Inserita: 11 maggio 2023 Autore Segnala Inserita: 11 maggio 2023 Il 8/5/2023 alle 19:47 , Riccardo Ottaviucci ha scritto: se non hai tensioni sulla base o il condensatore sul pin 2 è in corto o la resistenza da 47 ohm sullo stesso pin è interrotta Si dici bene, ma al momento non mi sono prerstato alla ricerca dell'oscillazione , ma del motivo per cui la tensione sulle basi dei Q2 e Q3 è cosi bassa " 0.46 e 0.04 " Tu stesso con la tua risposta li sopra " indirettamente" mi hai indirizzato alla ricerca di un condensatore corto. Da qui una ricerca capillare fatta oggi , ma non ancora completa " la finirò domani e ti farò sapere le conclusion i la ricerca di oggi " gia mi dice che Fra i Pin 1/2/3 non ci sono interruzioni" Che con staccati i collegamenti da pin 1 e 2 e ponendo la R da 47k direttamente sul Pin 3 su q3 mi ritrovo 4,6v e sul Q2 1,8 anche imettendo direttamente 4,8V sulla sua base. Ciò " e verificherò domani " visionando lo schema, mi suggerisce che il grosso calo di tensione che che mi trovavo sulle basi dovrebbe riguardare il TR il Q2. Speranzoso di trovar domani l'inghippo ti ringrazio e rimando a domani per nuovi dati di ricerca e confronto.
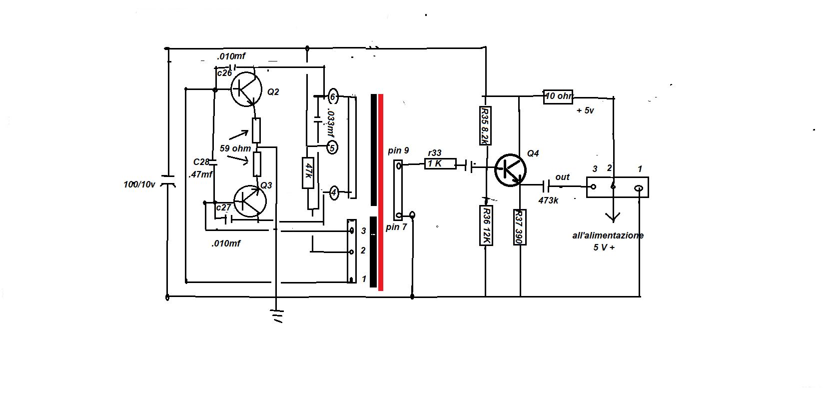
beonardo Inserita: 13 maggio 2023 Autore Segnala Inserita: 13 maggio 2023 Riposto lo schema per comodità di visione le misure hometriche fra i vari Pin del trasformatore Fra Pin 1 e Pin 2 misuro 1 ohm Frapin 1 e Pin 3 misuro 3 ohm Fra Pin 4 e pin 5 misuro 1,7 ohm Fra Pin 5 e pin 5 misuro 1,7 ohm Fra Pin 4 e pin 6 misuro 3,4 ohm Scheda Bias non funziona tensione in Ingresso 5V Sui vari Pin del trasformatore e sui transistor Rilevo le seguenti tensioni Premetto che i Transistor sono nuovi e da misura hometrica con collegamenti di basi e emittori staccati risultano integri. Pin 1 0,46 PIN 2 0,46 Pin 3 0,46 PIN 4 4,89 Pin 5 4,89 PIN 6 4,89 Pin 7 0,02 PIN 8 0,02 Pin 9 0,02 Q3 Base 0,46 collettore 4,82 Emittore 0,06 Q2 Base 0,46 collettore 4,82 Emittore 0,06 COME PRIMA PROVA STACCO IL PIN 1 do corrente e rilevo le seguenti tensioni: Pin 1 1,82 PIN 2 1,82 Pin 3 1,82 PIN 4 4,76 Pin 5 4,78 PIN 6 4,78 Pin 7 0,02 PIN 8 0,02 Pin 9 0,02 Q3 Base 1,82 collettore 4,77 Emittore 1,15 Q2 Base 0,8 collettore 4,75 Emittore 0,12 Mie considerazioni : Come si puo vedre con staccato il collegamento sul Pin 2 del trasformatore la tensione sulla base di l Q3 sale a valori che possono eccitare il Transistor, mentre per il Q2 la base è a 0,8 quindi il Q3 rimane interdetto. Tengo a ricordarere che il condensatore che dal Pin 2 va al Pin 6 nello schema originale che ho postato sulle prima pagina quel condensatore andava dal Pin 2 a massa, ma nelle ricerche di quest'ultimo io l'ho trovo collegato al pin 6 . Tra l'altro l'asciandolo dove è ora sul Pin 6 ho provato ad aggiungere con medsimo valore uno fra pin2 e massa, ma non cambia nulla. Che mi dite??????? Q2 Base 0,8
Riccardo Ottaviucci Inserita: 13 maggio 2023 Segnala Inserita: 13 maggio 2023 aspettiamo l'oscilloscopio altrimenti non riesco più a seguirti
beonardo Inserita: 14 maggio 2023 Autore Segnala Inserita: 14 maggio 2023 1 ora fa, Riccardo Ottaviucci ha scritto: aspettiamo l'oscilloscopio altrimenti non riesco più a seguirti Aspetto che arrivi dicevano per maggio....... Speriamo
carlovittorio Inserita: 14 maggio 2023 Segnala Inserita: 14 maggio 2023 16 ore fa, beonardo ha scritto: Fra Pin 5 e pin 5 misuro 1,7 ohm Strano.
beonardo Inserita: 14 maggio 2023 Autore Segnala Inserita: 14 maggio 2023 53 minuti fa, carlovittorio ha scritto: Strano. Scusa ho sbagliato a scrivere è Fra Pin 5 e Pin 6 ci sono 1,7 Ohm, di fatto fra 4 e 6 ci sono 3,4 ohm 15 ore fa, Riccardo Ottaviucci ha scritto: aspettiamo l'oscilloscopio altrimenti non riesco più a seguirti Riccardo Provo a metterla cosi chiedentoti un parere " cerco di imparare" Mie cosiderazioni da inesperto : 0.46 V non sono insufficienti per portare in conduzione i transistor. Questo elevato calo di tensione mi fa pensare ad un cortocircuito, nella ricerca per eventuale corto C38 "da te suggerito" trovo che questi non è collegato a massa ,ma fra il Pin 2 del coil e il pin 6 del coil. Siccome navigando in rete sono venuto a conoscenza che il Teak negli anni lo schema ha subito diverse variazioni, ti chiedo se questo C38 collegato fra il Pin 2 e il Pin 6 a tuo avviso ci stia giusto? Passo al controllo di Q2 e Q3 che si dimostrano integri. I C35 e C37 se fossero in corto avremmo tensioni vicine a quelle del Pin 6 e Pin 4 ed i Transistor si ecciterebbero. Prima prova alla ricerca del calo di tensione sule basi: Stacco ida Pin 1 del coil" che è il contatto che porta alla base di Q2. La base di Q3 da 0,46V passa a 1,82 e l'emittore a 1,15 Q3 puo entrare in conduzione. Ovviamente la base di Q2 non ha alimentazine e non puo dar luogo a oscillazioni. Può essere che l'avvolgimento di questa seconda parte del trasformatore sia interdetta? Visto anche che le misure Hometriche sui Pin 1/2/3 sono insignificanti. Grazie
Riccardo Ottaviucci Inserita: 14 maggio 2023 Segnala Inserita: 14 maggio 2023 (modificato) 3 ore fa, beonardo ha scritto: Visto anche che le misure Hometriche sui Pin 1/2/3 sono insignificanti. sono poche spire,quindi resistenza irrisoria,non ha senso misurarla. Gli avvolgimenti sono isolati tra di loro? Dovrò ristudiarmi i circuiti oscillatori perchè quello schema non mi convince molto. A memoria mi sembra un doppio oscillatore Armstrong (perchè sia doppio sto cercando di capirlo,rispolverando le nozioni studiate mezzo secolo fa) Modificato: 14 maggio 2023 da Riccardo Ottaviucci
Riccardo Ottaviucci Inserita: 14 maggio 2023 Segnala Inserita: 14 maggio 2023 (modificato) sicuro che il C da 33k vada dal pin 6 al 2 e non dal pin 6 a massa? Questo è lo schema di principio di un tipico oscillatore Armstrong con un solo transistor in cui lo start dell'oscillazione è dato dall'avvolgimento secondario che riporta il segnale in base Modificato: 14 maggio 2023 da Riccardo Ottaviucci
beonardo Inserita: 14 maggio 2023 Autore Segnala Inserita: 14 maggio 2023 3 ore fa, Riccardo Ottaviucci ha scritto: Gli avvolgimenti sono isolati tra di loro? Fra i Pin 4/5/6 non con l'ohmetro risultano isolati da Pin 1/2/3 Questo è lo schema che Mr. Peper ha rilevato dal manuale : nel disegno da mè su postato i Transistor sono indicati come Q2, Q3 / Q4. I valori dei componenti della scheda corrispondono a quelli dello schema. Per ciò che concerne il condensatore del Pin 2 ricontrollerò, Le traccie dei collegamenti si trovano su ambo le superfici della scheda, io ho controllato piu volte, non mi gioco i gabbasisi per il collegamento del Condensatore del Pin 2, ricontrollerò. Per questo appunto ti ho chiesto anche su questo punto un parere. Grazie e buon inizio settimana. PS: ci sono stati problemi con la spedizione doveva arrivare il 2 maggio, ma sino ad oggi niente mio figlio m'à telefonato proprio 10 minuti fa per dirmi ache si sta interessando per eventuale rimborso e rifare l'ordine.
Riccardo Ottaviucci Inserita: 15 maggio 2023 Segnala Inserita: 15 maggio 2023 infatti C38 deve andare a massa e costituisce insieme all'induttanza del trasformatore il circuito che ne determina la frequenza
Riccardo Ottaviucci Inserita: 15 maggio 2023 Segnala Inserita: 15 maggio 2023 mi dai il modello esatto dell'apparecchio? Con Teac 80-8 ne trovo uno che ha circuiteria diversa da quella finora trattata,almeno nella parte del Bias
beonardo Inserita: 15 maggio 2023 Autore Segnala Inserita: 15 maggio 2023 2 ore fa, Riccardo Ottaviucci ha scritto: mi dai il modello esatto dell'apparecchio? Con Teac 80-8 ne trovo uno che ha circuiteria diversa da quella finora trattata,almeno nella parte del Bias Teac Tascam 80/8 serial N° 14221 Onde evitare ricerche da parte tua posto la scheda dalla quale Peper ha prelevato la sezione bias che ho postato. Il cerchio rosso l'ha disegnato lui. Grazie
beonardo Inserita: 15 maggio 2023 Autore Segnala Inserita: 15 maggio 2023 3 ore fa, Riccardo Ottaviucci ha scritto: mi dai il modello esatto dell'apparecchio? Con Teac 80-8 ne trovo uno che ha circuiteria diversa da quella finora trattata,almeno nella parte del Bias Teac Tascam 80/8 serial N° 14221 Guarda a questo indirizzo. Grazie file:///C:/Users/1tnt2/OneDrive/Desktop/VADEMECUM%20TEAC/Teac%20foto%20componenti%20scheda/RICRECA%20GUSTI%20TEAC/ESPLOSI/Teac-80-8-Service-Manual.pdf
Riccardo Ottaviucci Inserita: 15 maggio 2023 Segnala Inserita: 15 maggio 2023 sì,sì,ce l'ho anch'io e si legge pure peggio
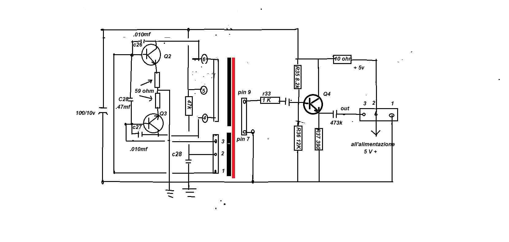
beonardo Inserita: 16 maggio 2023 Autore Segnala Inserita: 16 maggio 2023 Il 15/5/2023 alle 13:54 , Riccardo Ottaviucci ha scritto: sì,sì,ce l'ho anch'io e si legge pure peggio gguingo questa foto ove si evidenzia il settore scheda Bias con i componenti.
beonardo Inserita: 16 maggio 2023 Autore Segnala Inserita: 16 maggio 2023 5 ore fa, beonardo ha scritto: ì,sì,ce l'ho anch'io e si legge pure peggio Ricerca del condensatore che dal Pin 2 va a massa ha dato esito negativo segue foto descrizione ove si notanono in superfice la traccia che collega la R da 47K al C49 e quella che dal C49 va al Pin 6
Riccardo Ottaviucci Inserita: 16 maggio 2023 Segnala Inserita: 16 maggio 2023 se non c'è non c'è e se prima funzionava deve funzionare anche se non c'è. Piuttosto vedo che l'umidità ha corroso parecchio e non vorrei che abbia fatto danni anche all'interno del trasformatore a tre avvolgimenti. Il pin 8 del trafo non c'è,vero?
beonardo Inserita: 17 maggio 2023 Autore Segnala Inserita: 17 maggio 2023 15 ore fa, Riccardo Ottaviucci ha scritto: Il pin 8 del trafo non c'è,vero? Come pin 8 c'è ma non ha traccie di collegamento, e testandolo con hometro rispetto agli altri pin non da segni di continuità, quindi ne deduco che all'interno non sia collegato ad alcun avvolgimento. Per l'umidità dovrebbe essersi asciugata in quanto per tutte le 3/4 ore giornaliere che passo nello spazio hobby " strettissimo " L'apparecchio scoperchiato" si trova a poco piu di mezzo metro davanti alla ventola di una stufetta elettrica che accendo ancora in questi giorni di pioggia se c'era è asciugata e strasciugata. Tieni conto che il Rec ha funzionato per un mese e mezzo circa " stufetta accesa " poi ho individuato il difetto nei commutatori che ora funzionano ed il Rec era tornatoa funzionare per ripresentare il non registrazione e cancellazione, "in pratica lo stesso difetto" Ma la questione ora è cosa detrmina quel calo di tensione sulle basi? Sono venuto anche dell'idea di rifare la scheda di sana pianta ,ma per il trasformatore.......... Grazie
Riccardo Ottaviucci Inserita: 17 maggio 2023 Segnala Inserita: 17 maggio 2023 56 minuti fa, beonardo ha scritto: ma per il trasformatore.......... infatti è proprio quello il problema.Però se hai stabilito che non ci sono interruzioni negli avvolgimento,che non ci sono dispersioni tra di essi, e che soprattutto il circuito ha sempre funzionato, la soluzione deve trovarsi per forza. La caduta di tensione contemporanea sulle basi può essere causata da una eccessiva corrente B-E che la fa cadere . I transistor sono buoni e correttamente montati? Magari la piedinatura si può essere scambiata dissaldandoli
beonardo Inserita: 17 maggio 2023 Autore Segnala Inserita: 17 maggio 2023 5 ore fa, Riccardo Ottaviucci ha scritto: I transistor sono buoni e correttamente montati? 21 ore fa, Riccardo Ottaviucci ha scritto: Il pin 8 del trafo non c'è,vero? Come pin 8 c'è ma non ha traccie di collegamento, e testandolo con hometro rispetto agli altri pin non da segni di continuità, quindi ne deduco che all'interno non sia collegato ad alcun avvolgimento. Per l'umidità dovrebbe essersi asciugata in quanto per tutte le 3/4 ore giornaliere che passo nello spazio hobby " strettissimo " L'apparecchio scoperchiato" si trova a poco piu di mezzo metro davanti alla ventola di una stufetta elettrica che accendo ancora in questi giorni di pioggia se c'era è asciugata e strasciugata. Tieni conto che il Rec ha funzionato per un mese e mezzo circa " stufetta accesa " poi ho individuato il difetto nei commutatori che ora funzionano ed il Rec era tornatoa funzionare per ripresentare il non registrazione e cancellazione, "in pratica lo stesso difetto" Ma la questione ora è cosa detrmina quel calo di tensione sulle basi? Sono venuto anche dell'idea di rifare la scheda di sana pianta ,ma per il trasformatore.......... Grazie
beonardo Inserita: 17 maggio 2023 Autore Segnala Inserita: 17 maggio 2023 5 ore fa, Riccardo Ottaviucci ha scritto: I transistor sono buoni e correttamente montati? Magari la piedinatura si può essere scambiata dissaldandoli Impossibile scambiare la piedinatura in quantoi transistor sono gli stessi 2SC711 e sono posizionati nella stessa posizione di quelli originali " come si vede nelle foto di prima e dopo la sostituzione", inoltre con le prove hometriche con transistor montati " conduzione o meno far i vari Pin " se avessero avuto i Pin invertiti l'avrei rilevato. A questo punto li dissalderò e ricontrollerò al banco "augurandomi che questi 2SC 711 abbiano i Pin in posizione diversa degli originali. PS: Il condensatore che dal Pin 2 va a Massa c'è . Riposto lo schema corretto.
beonardo Inserita: 20 maggio 2023 Autore Segnala Inserita: 20 maggio 2023 Il 17/5/2023 alle 15:29 , Riccardo Ottaviucci ha scritto: iPerò se hai stabilito che non ci sono interruzioni negli avvolgimento,che non ci sono dispersioni tra di essi, e che soprattutto il circuito ha sempre funzionato, la soluzione deve trovarsi per forza. La caduta di tensione contemporanea sulle basi può essere causata da una eccessiva corrente B-E che la fa cadere . I transistor sono buoni e correttamente montati? Magari la piedinatura si può essere scambiata dissaldandoli Interruzioni negli avvolgimenti non ne rilevo. Ti riposto le misure che ho effettuato fra i vari Pin del Trasformatore sono queste qui sotto. Il 17/5 tu mi hai detto: I transistor sono buoni e correttamente montati? Magari la piedinatura si può essere scambiata dissaldandoli Or bene itransistor li ho dissaldati e ho riscontarto che erano e sono nella posizione corretta, ho perfino rimesso gli originali che avevo sostituito per sicurezzam ma lo stato di cose non cambia . Il 17/5 tu mi hai detto: La caduta di tensione contemporanea sulle basi può essere causata da una eccessiva corrente B-E che la fa cadere. Va bene , ma allora cosa debbo fare per superare questo scoglio? Ti Posto gli ultime verifiche nella speranza che tu o altri amici del forum possiate risalire all'individuazione del motivo della caduta di tensione. Prove sia con transistro nuovi che con originali. Quest'ultimi li avevo sostituiti pur avendone misurato l'integrità La scheda è al banco e l'alimento con alimentatore esterno. Tensione in Ingresso sempre i soliti 5,1V . Pin 1 / 2 / 3 leggo – 0.58V Pin 4 leggo 4.92V Pin 5 Leggo 4.92 V Pin 6 Leggo 4,92 V Q 2 Emittore 0.00 V Collettore 4,92 BASE - 0.50 V Q3 Emittore 0.15 V Collettore 4,92 BASE - 0. 50 V MISURE CON BASE DI Q3 SCOLLEGATA DALLA SU SEDE " PIN 3 ". Pin 1 / 2 / 3 leggo 4.02V Pin 4 leggo 4.46V Pin 5 Leggo 4.48V Pin 6 Leggo 4.38V Q 2 Emittore 3.33 V Collettore 4.36 V BASE 4.09 V Q3 Emittore 0. 0V Collettore 4. 46 V BASE 4,02 V MISURE SENZA Q3 tensione ingresso 5,1 Pin 1 / 2 / 3 leggo 4.07V Pin 4 leggo 4.46 V Pin 5 Leggo 4.46 V Pin 6 Leggo 4,38 V Q 2 Emittore 3.26 V Collettore 4.37 V BASE 4.00 V Q3 Emittore 4.00V Collettore 4.38 V BASE 4,1 V """""""""""""""""""""""""""""""""""""""""""""""""""""""""""""""""" PONGO UN CONDENSATORE 33nf dal Pin 3 a massa e leggo le misure: Pin 1 / 2 / 3 - 0.48 V Pin 4 leggo 4.90V Pin 5 Leggo 4.90 V Pin 6 Leggo 4,90 V Q 2 Emittore 0.00 V Collettore 4,90 BASE - 0.48 V Q3 Emittore 0.24 V Collettore 4,90 BASE - 0. 42 V MISURE CON LA BASE DI Q3 STACCATA DAL PIN 3 "sempre con condensatore 33nf" Pin 1 / 2 / 3 3, 08 V Pin 4 leggo 4.90V Pin 5 Leggo 4.90 V Pin 6 Leggo 4,90 V Q 2 Emittore 3.05 V Collettore 4,34 BASE - 3.80 V Q3 Emittore 0.00 V Collettore 4,39 SULLA BASE STACCATA MISURO - 2.10 V Grazie
Messaggi consigliati
Crea un account o accedi per commentare
Devi essere un utente per poter lasciare un commento
Crea un account
Registrati per un nuovo account nella nostra comunità. è facile!
Registra un nuovo accountAccedi
Hai già un account? Accedi qui.
Accedi ora